EVEREX SYSTEMS, INC.
STEP 486e 12 SLOT (EV-18113) REV. E
Processor |
80486DX |
Processor Speed |
25/33MHz |
Chip Set |
C & T |
Max. Onboard DRAM |
None |
Cache |
256KB |
BIOS |
AMI |
Dimensions |
330mm x 218mm |
I/O Options |
External memory card |
NPU Options |
4167 |
USER CONFIGURABLE SETTINGS | |||
Function |
Jumper/Switch |
Position | |
» |
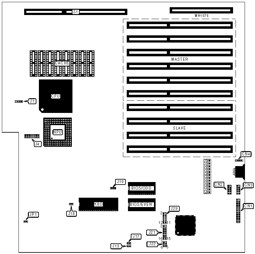
EISA setup enabled |
J13 |
Closed |
EISA setup bypassed |
J13 |
Open | |
» |
Password check enabled |
J19 |
Closed |
Password check disabled |
J19 |
Open | |
» |
CPU speed select 25MHz |
J18 |
Closed |
CPU speed select 33MHz |
J18 |
Open | |
» |
BIOS type select 27256 |
JP1 |
Closed |
BIOS type select 27512 |
JP1 |
Open |
SERIAL PORT CONFIGURATION | ||||||
Port 1 |
Port 2 |
J29/pins 1 & 2 |
J29/pins 3 & 4 |
J29/pins 5 & 6 |
J29/pins 7 & 8 | |
» |
COM1 |
COM2 |
Closed |
Open |
Closed |
Open |
COM1 |
Disabled |
Closed |
Open |
Open |
Open | |
Disabled |
COM2 |
Open |
Open |
Closed |
Open | |
COM3 |
COM4 |
Open |
Closed |
Open |
Closed | |
COM3 |
Disabled |
Open |
Closed |
Open |
Open | |
Disabled |
COM4 |
Open |
Open |
Open |
Closed |
SERIAL PORT 1 INTERRUPTS | |||||
Port 1 |
J21/pins 1 & 2 |
J21/pins 3 & 4 |
J21/pins 5 & 6 |
J21/pins 7 & 8 | |
» |
IRQ3 |
Open |
Open |
Closed |
Open |
IRQ4 |
Open |
Closed |
Open |
Open | |
IRQ5 |
Closed |
Open |
Open |
Open | |
IRQ9 |
Open |
Open |
Open |
Closed |
SERIAL PORT 2 INTERRUPTS | |||||
Port 2 |
J21/pins 9 & 10 |
J21/pins 11 & 12 |
J21/pins 13 & 14 |
J21/pins 15 & 16 | |
IRQ3 |
Open |
Open |
Closed |
Open | |
» |
IRQ4 |
Open |
Closed |
Open |
Open |
IRQ5 |
Closed |
Open |
Open |
Open | |
IRQ9 |
Open |
Open |
Open |
Closed |
PARALLEL PORT CONFIGURATION | |||
LPT |
J29/pins 9 & 10 |
J29/pins 11 & 12 | |
» |
1 |
Closed |
Open |
2 |
Open |
Closed | |
Disabled |
Open |
Open |
PARALLEL PORT INTERRUPTS | ||||
IRQ |
J22/pins 1 & 2 |
J22/pins 3 & 4 |
J22/pins 5 & 6 | |
5 |
Open |
Closed |
Open | |
» |
7 |
Closed |
Open |
Open |
9 |
Open |
Open |
Closed |
DRAM CONFIGURATION | ||||
Size |
Bank 0 |
Bank 1 |
Bank 2 |
Bank 3 |
4MB |
(4) 256K x 9 |
(4) 256K x 9 |
(4) 256K x 9 |
(4) 256K x 9 |
4MB |
(4) 1M x 9 |
NONE |
NONE |
NONE |
8MB |
(4) 1M x 9 |
(4) 1M x 9 |
NONE |
NONE |
10MB |
(4) 1M x 9 |
(4) 1M x 9 |
(4) 256K x 9 |
(4) 256K x 9 |
16MB |
(4) 1M x 9 |
(4) 1M x 9 |
(4) 1M x 9 |
(4) 1M x 9 |
16MB |
(4) 4M x 9 |
NONE |
NONE |
NONE |
32MB |
(4) 4M x 9 |
(4) 4M x 9 |
NONE |
NONE |
34MB |
(4) 4M x 9 |
(4) 4M x 9 |
(4) 256K x 9 |
(4) 256K x 9 |
40MB |
(4) 4M x 9 |
(4) 4M x 9 |
(4) 1M x 9 |
(4) 1M x 9 |
64MB |
(4) 4M x 9 |
(4) 4M x 9 |
(4) 4M x 9 |
(4) 4M x 9 |