EPSON, INC.

EQUITY 386SX/16 PLUS AND EQUITY 320SX PLUS

Processor

80386SX

Processor Speed

16/20MHz

Chip Set

VLSI TOPCAT

Max. Onboard DRAM

24MB

Cache

None

BIOS

AMI/Epson

Dimensions

3O4mm x 272mm

I/O Options

Floppy drive interface, IDE interface, parallel port, serial port, VGA port

NPU Options

80387SX

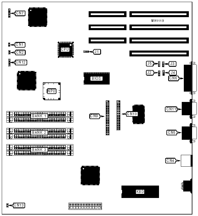
CONNECTIONS

Purpose

Location

Purpose

Location

Battery connector

CN1

IDE interface

CN9

Speaker

CN2

Floppy drive interface

CN10

Keyboard/mouse connector

CN4

Serial port (COM1)

CN11

VGA connector

CN5

HDD access LED

CN12

Parallel port

CN6

Power LED

CN13

CPU/Power LED

CN7

   

USER CONFIGURABLE SETTINGS

Function

Jumper

Position

»

Password enabled

J2

pins 2 & 3 closed

 

Password disabled

J2

pins 2 & 3 closed

»

Monitor type select color

J3

pins 1 & 2 closed

 

Monitor type select monochrome

J3

pins 2 & 3 closed

»

Mouse interface enabled

J4

pins 1 & 2 closed

 

Mouse interface disabled

J4

pins 2 & 3 closed

DRAM CONFIGURATION

Size

Bank 1

Bank 2

Bank 3

3MB

(2) 256K x 9

(2) 256K x 9

NONE

4MB

(2) 1M x 9

NONE

NONE

5MB

(2) 1M x 9

(2) 256K x 9

(2) 256K x 9

6MB

(2) 1M x 9

(2) 1M x 9

NONE

8MB

(2) 1M x 9

(2) 1M x 9

(2) 1M x 9

10MB

(2) 4M x 9

NONE

NONE

11MB

(2) 4M x 9

(2) 256K x 9

(2) 256K x 9

12MB

(2) 1M x 9

(2) 4M x 9

NONE

18MB

(2) 4M x 9

(2) 4M x 9

(4) 1M x 9

20MB

(2) 1M x 9

(2) 4M x 9

(2) 4M x 9

24MB

(2) 4M x 9

(2) 4M x 9

(2) 4M x 9

Note:Board is supplied with 2MB factory installed.

VGA CONFIGURATION

Setting

J1

J5

Enabled

pins 2 & 3 closed

pins 2 & 3 closed

Disabled

pins 1 & 2 closed

pins 1 & 2 closed