FAIR FRIEND ENTERPRISE COMPANY, LTD.
386/486 4033XXTM
Processor |
80386DX/80486SX/80486DX |
Processor Speed |
20/25/33MHz |
Chip Set |
OPTI |
Max. Onboard DRAM |
32MB |
Cache |
None |
BIOS |
AMI |
Dimensions |
220mm x 220mm |
I/O Options |
32-bit local bus card slot |
NPU Options |
80387/3167 |
CONNECTIONS | |||
Purpose |
Location |
Purpose |
Location |
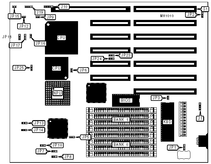
External battery |
J1 |
Turbo switch |
JP12 |
Power LED & keylock |
J10 |
Reset switch |
JP15 |
Speaker |
J19 |
32-bit local bus card |
S1 |
Turbo LED |
JP9 |
USER CONFIGURABLE SETTINGS | |||
Function |
Jumper |
Position | |
» |
CMOS memory normal operation |
JP1 |
pins 1 & 2 closed |
CMOS memory clear |
JP1 |
pins 2 & 3 closed | |
» |
Monitor type select color |
JP3 |
Closed |
Monitor type select monochrome |
JP3 |
Open | |
» |
CPU cache card absent |
JP6 |
Closed |
CPU cache card present |
JP6 |
Open | |
» |
Factory configured - do not alter |
JP23 |
pins 2 & 3 closed |
» |
Factory configured - do not alter |
JP24 |
pins 2 & 3 closed |
DRAM CONFIGURATION | ||
Size |
Bank 0 |
Bank 1 |
1MB |
(4) 256K x 9 |
NONE |
2MB |
(4) 256K x 9 |
(4) 256K x 9 |
4MB |
(4) 1M x 9 |
NONE |
5MB |
(4) 256K x 9 |
(4) 1M x 9 |
8MB |
(4) 1M x 9 |
(4) 1M x 9 |
16MB |
(4) 4M x 9 |
NONE |
32MB |
(4) 4M x 9 |
(4) 4M x 9 |
CPU SPEED CONFIGURATION | |||
Speed |
JP7 |
JP8 |
JP10 |
16MHz |
pins 2 & 3 closed |
pins 2 & 3 closed |
pins 2 & 3 closed |
20MHz |
pins 2 & 3 closed |
pins 2 & 3 closed |
pins 1 & 2 closed |
25MHz |
pins 1 & 2 closed |
pins 2 & 3 closed |
pins 1 & 2 closed |
33MHz |
pins 2 & 3 closed |
pins 1 & 2 closed |
pins 2 & 3 closed |
CPU TYPE CONFIGURATION | |||||
Type |
JP2 |
JP5 |
JP13 |
JP14 |
JP25 |
80386 |
1 & 2 |
1 & 2 |
1 & 2 |
1 & 2 |
1 & 2 |
80486 |
2 & 3 |
2 & 3 |
2 & 3 |
2 & 3 |
2 & 3 |
Note: Pins deesignated should be in the closed position. |
CPU TYPE CONFIGURATION (80486 ONLY) | |||
Type |
JP16 |
JP17 |
JP18 |
80486SX |
Open |
pins 2 & 3 closed |
Open |
80487SX |
Closed |
pins 1 & 2 closed |
pins 2 & 3 closed |
80486DX |
Closed |
pins 1 & 2 closed |
pins 1 & 2 closed |