HYUNDAI ELECTRONICS, INC.
SUPER 386C
Processor |
80386DX |
Processor Speed |
20MHz |
Chip Set |
VLSI |
Max. Onboard DRAM |
8MB (on CPU/NPU/MEM card) |
Cache |
None |
BIOS |
Phoenix |
Dimensions |
350mm x 304mm |
I/O Options |
Serial port, parallel port, floppy drive interface, IDE interface, proprietary cpu/npu/memory card, proprietary external memory card slot (on CPU card) |
NPU Options |
80387 (on CPU/NPU/MEM card) |
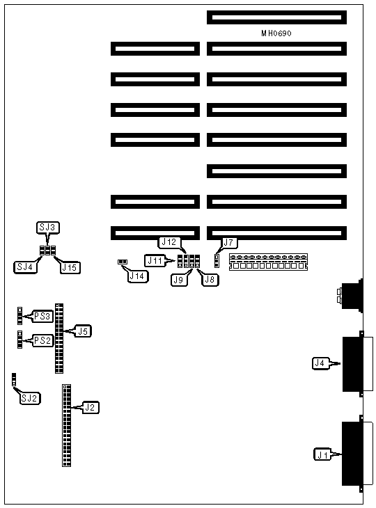
CONNECTIONS | |||
Purpose |
Location |
Purpose |
Location |
Parallel port |
J1 |
Floppy drive interface |
J5 |
IDE interface |
J2 |
Keyboard & power good signal |
J7 |
Serial port |
J4 |
Auxiliary CPU card power |
PS2 & PS3 |
Notes:J7 is connected to J1 on the CPU card. PS2 & PS3 are connected to PS1 & PS2 on the CPU card when an NPU is installed. |
USER CONFIGURABLE SETTINGS | |||
Function |
Jumper |
Position | |
» |
Serial port select COM1 |
J8 & J9 |
pins 1 & 2 closed |
Serial port select COM2 |
J8 & J9 |
pins 2 & 3 closed | |
Serial port disabled |
J8 & J9 |
Open | |
» |
Parallel port select LPT1 |
J11 & J12 |
pins 1 & 2 closed |
Parallel port select LPT2 |
J11 & J12 |
pins 2 & 3 closed | |
Parallel port disabled |
J11 & J12 |
Open | |
» |
Floppy drive interface enabled |
J14 |
Closed |
Floppy drive interface enabled |
J14 |
Open | |
» |
IDE interface enabled |
J15 |
Closed |
IDE interface disabled |
J15 |
Open | |
» |
Factory configured - do not alter |
SJ2 |
pins 2 & 3 closed |
» |
Factory configured - do not alter |
SJ3 |
N/A |
» |
Factory configured - do not alter |
SJ4 |
N/A |
DRAM CONFIGURATION | ||
Size |
Bank 0 |
Bank 1 |
1MB |
(4) 256K x 9 |
NONE |
2MB |
(4) 256K x 9 |
(4) 256K x 9 |
4MB |
(4) 1M x 9 |
NONE |
8MB |
(4) 1M x 9 |
(4) 1M x 9 |
CONNECTIONS | |||
Purpose |
Location |
Purpose |
Location |
Keyboard & power good signal |
J1 |
Reset switch |
J3 pins 6 & 7 |
External battery |
J2 |
Proprietary external memory card |
J4 |
Turbo LED |
J3 pins 1 - 3 |
Speaker |
J5 |
Keylock |
J3 pins 4 & 5 |
Auxiliary power |
PS1 & PS2 |
Notes:J1 connects to J7 on the main board. PS1 & PS2 connect to PS2 & PS3 on the main board when an NPU is installed. |
USER CONFIGURABLE SETTINGS | |||
Function |
Jumper |
Position | |
» |
Monitor type select color |
JMP1 |
pins 2 & 3 closed |
Monitor type select monochrome |
JMP1 |
pins 1 & 2 closed | |
» |
Page-mode enabled |
JMP2 |
Closed |
Page-mode disabled |
JMP2 |
Open | |
» |
NPU enabled |
JMP3 |
Closed |
NPU disabled |
JMP3 |
Open | |
Note:When enabling the NPU, PS1 & PS2 on the CPU card should be connected to PS2 & PS3 on the main board. |