DIAMOND FLOWER, INC.
P2XBL/S (REV. A+)
Device Type |
Mainboard |
Processor |
Pentium II |
Processor Speed |
266/300/333/350/400/450MHz |
Chip Set |
Intel 440BX |
Maximum Onboard Memory |
384MB |
Cache |
256/512KB (located on the CPU) |
BIOS |
Award |
I/O Options |
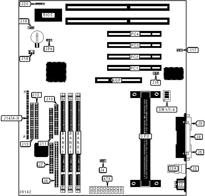
32-bit PCI slots (4), floppy drive interface, green PC connector, IDE interfaces (2), SCSI interface, SCSI-2 interface, Wide Ultra SCSI interface, parallel port, PS/2 mouse port, serial ports (2), USB connectors (2), ATX power connector, AGP slot |
CONNECTIONS |
|||
Purpose |
Location |
Purpose |
Location |
AGP slot |
AGP |
ATX power LED |
J14/A |
ATX power |
ATX |
IDE interface LED |
J14/B |
PS/2 mouse port |
J2 |
Green PC LED |
J14/C |
USB connector 1 |
J3 |
ATX power switch |
J14/D |
USB connector 2 |
J3A |
Green PC switch |
J14/E |
CPU fan power |
J4 |
Reset switch |
J14/F |
Serial port 1 |
J5 |
Speaker |
J14/G |
Ultra Narrow SCSI interface |
J6 |
Power LED & keylock |
J14/H |
Ultra Wide SCSI interface |
J7 |
AGP fan power |
J16 |
Parallel port |
J8 |
Wake on LAN connector |
J17 |
Serial port 2 |
J9 |
SB link connector |
J18 |
Floppy drive interface |
J10 |
Chassis fan power |
J19 |
SCSI Ultra-2 interface |
J11 |
IR connector |
J20 |
IDE interface 2 |
J12 |
32-bit PCI slots |
PC1 - PC4 |
IDE interface 1 |
J13 |
|
|
USER CONFIGURABLE SETTINGS |
|||
Function |
Label |
Position |
|
» |
CMOS memory normal operation |
JP6 |
Pins 1 & 2 closed |
|
CMOS memory clear |
JP6 |
Pins 2 & 3 closed |
DIMM CONFIGURATION |
|||
Size |
Bank 0 |
Bank 1 |
Bank 2 |
8MB |
(1) 1M x 64 |
None |
None |
16MB |
(1) 1M x 64 |
(1) 1M x 64 |
None |
16MB |
(1) 2M x 64 |
None |
None |
24MB |
(1) 1M x 64 |
(1) 1M x 64 |
(1) 1M x 64 |
24MB |
(1) 2M x 64 |
(1) 1M x 64 |
None |
32MB |
(1) 2M x 64 |
(1) 2M x 64 |
None |
32MB |
(1) 2M x 64 |
(1) 1M x 64 |
(1) 1M x 64 |
32MB |
(1) 4M x 64 |
None |
None |
40MB |
(1) 2M x 64 |
(1) 2M x 64 |
(1) 1M x 64 |
40MB |
(1) 4M x 64 |
(1) 1M x 64 |
None |
48MB |
(1) 4M x 64 |
(1) 1M x 64 |
(1) 1M x 64 |
48MB |
(1) 4M x 64 |
(1) 2M x 64 |
None |
48MB |
(1) 2M x 64 |
(1) 2M x 64 |
(1) 2M x 64 |
56MB |
(1) 4M x 64 |
(1) 2M x 64 |
(1) 1M x 64 |
64MB |
(1) 4M x 64 |
(1) 2M x 64 |
(1) 2M x 64 |
64MB |
(1) 4M x 64 |
(1) 4M x 64 |
None |
64MB |
(1) 8M x 64 |
None |
None |
72MB |
(1) 8M x 64 |
(1) 1M x 64 |
None |
80MB |
(1) 8M x 64 |
(1) 1M x 64 |
(1) 1M x 64 |
80MB |
(1) 8M x 64 |
(1) 2M x 64 |
None |
88MB |
(1) 8M x 64 |
(1) 2M x 64 |
(1) 1M x 64 |
96MB |
(1) 4M x 64 |
(1) 4M x 64 |
(1) 4M x 64 |
96MB |
(1) 8M x 64 |
(1) 2M x 64 |
(1) 2M x 64 |
96MB |
(1) 8M x 64 |
(1) 4M x 64 |
None |
DIMM CONFIGURATION (CON'T) |
|||
Size |
Bank 0 |
Bank 1 |
Bank 2 |
104MB |
(1) 8M x 64 |
(1) 4M x 64 |
(1) 1M x 64 |
112MB |
(1) 8M x 64 |
(1) 4M x 64 |
(1) 2M x 64 |
128MB |
(1) 8M x 64 |
(1) 4M x 64 |
(1) 4M x 64 |
128MB |
(1) 8M x 64 |
(1) 8M x 64 |
None |
128MB |
(1) 16M x 64 |
None |
None |
136MB |
(1) 8M x 64 |
(1) 8M x 64 |
(1) 1M x 64 |
136MB |
(1) 16M x 64 |
(1) 1M x 64 |
None |
144MB |
(1) 8M x 64 |
(1) 8M x 64 |
(1) 2M x 64 |
144MB |
(1) 16M x 64 |
(1) 1M x 64 |
(1) 1M x 64 |
144MB |
(1) 16M x 64 |
(1) 2M x 64 |
None |
152MB |
(1) 16M x 64 |
(1) 2M x 64 |
(1) 1M x 64 |
160MB |
(1) 8M x 64 |
(1) 8M x 64 |
(1) 4M x 64 |
160MB |
(1) 16M x 64 |
(1) 2M x 64 |
(1) 2M x 64 |
160MB |
(1) 16M x 64 |
(1) 4M x 64 |
None |
168MB |
(1) 16M x 64 |
(1) 4M x 64 |
(1) 1M x 64 |
176MB |
(1) 16M x 64 |
(1) 4M x 64 |
(1) 2M x 64 |
192MB |
(1) 8M x 64 |
(1) 8M x 64 |
(1) 8M x 64 |
192MB |
(1) 16M x 64 |
(1) 8M x 64 |
None |
192MB |
(1) 16M x 64 |
(1) 4M x 64 |
(1) 4M x 64 |
200MB |
(1) 16M x 64 |
(1) 8M x 64 |
(1) 1M x 64 |
208MB |
(1) 16M x 64 |
(1) 8M x 64 |
(1) 2M x 64 |
224MB |
(1) 16M x 64 |
(1) 8M x 64 |
(1) 4M x 64 |
256MB |
(1) 16M x 64 |
(1) 8M x 64 |
(1) 8M x 64 |
256MB |
(1) 16M x 64 |
(1) 16M x 64 |
None |
264MB |
(1) 16M x 64 |
(1) 16M x 64 |
(1) 1M x 64 |
272MB |
(1) 16M x 64 |
(1) 16M x 64 |
(1) 2M x 64 |
288MB |
(1) 16M x 64 |
(1) 16M x 64 |
(1) 4M x 64 |
320MB |
(1) 16M x 64 |
(1) 16M x 64 |
(1) 8M x 64 |
384MB |
(1) 16M x 64 |
(1) 16M x 64 |
(1) 16M x 64 |
CACHE CONFIGURATION |
Note: 256/512KB cache is located on the Pentium II CPU. |
CPU SPEED SELECTION |
||||||
CPU speed |
Clock speed |
Multiplier |
SW1/1 |
SW1/2 |
SW1/3 |
SW1/4 |
233MHz |
66MHz |
3.5x |
Off |
Off |
On |
On |
266MHz |
66MHz |
4x |
On |
On |
Off |
On |
300MHz |
66MHz |
4.5x |
Off |
On |
Off |
On |
300MHz |
100MHz |
3x |
On |
Off |
On |
On |
333MHz |
66MHz |
5x |
On |
Off |
Off |
On |
350MHz |
100MHz |
3.5x |
Off |
Off |
On |
On |
400MHz |
100MHz |
4x |
On |
On |
Off |
On |
450MHz |
100MHz |
4.5x |
Off |
On |
Off |
On |