DATAEXPERT CORPORATION
MEX8440-S
Device Type |
Mainboard |
Processor |
Pentium II/Celeron |
Processor Speed |
233/266/300/333MHz |
Chip Set |
Intel 440EX |
Maximum Onboard Memory |
256MB (EDO & SDRAM supported) |
Audio Chip Set |
CMI 8330DX |
Cache |
0/128/256/512KB (located on the CPU) |
BIOS |
Award |
Dimensions |
305mm x 170mm |
I/O Options |
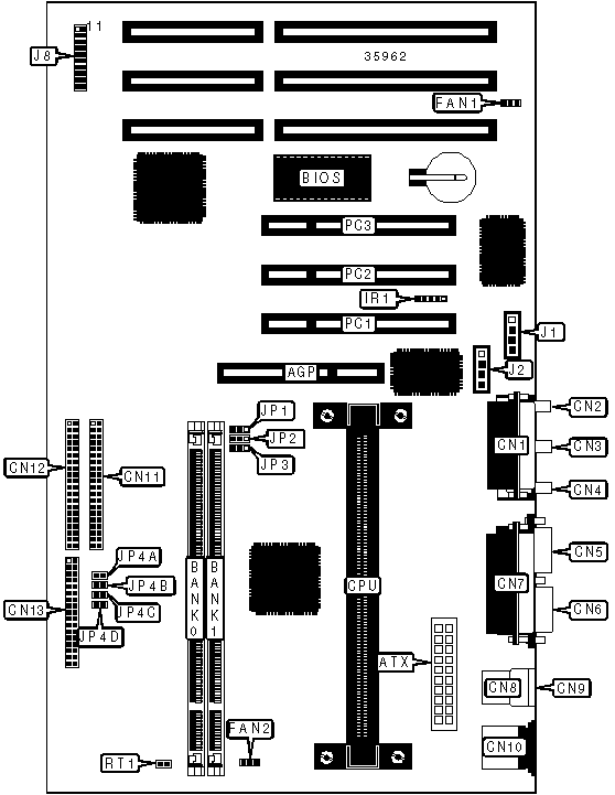
32-bit PCI slots (3), floppy drive interface, game/MIDI port, green PC connector, IDE interfaces (2), parallel port, PS/2 mouse port, serial ports (2), IR connector, USB connectors (2), ATX power connector, AGP slot, line in, line out, microphone in, audio in - CD-ROMs (2) |
CONNECTIONS | |||
Purpose |
Location |
Purpose |
Location |
AGP slot |
AGP |
Chassis fan power |
FAN1 |
ATX power connector |
ATX |
CPU fan power |
FAN2 |
Game/MIDI port |
CN1 |
IR connector |
IR1 |
Microphone in |
CN2 |
Audio in - CD-ROM |
J1 |
Line in |
CN3 |
Audio in - CD-ROM |
J2 |
Line out |
CN4 |
Power LED & keylock |
J8/pins 1 - 5 |
Serial port 2 |
CN5 |
IDE interface LED |
J8/pins 6 & 16 |
Serial port 1 |
CN6 |
Green PC LED |
J8/pins 7 & 17 |
Parallel port |
CN7 |
Green PC connector |
J8/pins 8 & 18 |
USB connector 1 |
CN8 |
Soft off power supply |
J8/pins 9 & 19 |
USB connector 2 |
CN9 |
Reset switch |
J8/pins 10 & 20 |
PS/2 mouse port |
CN10 |
Speaker |
J8/pins 11 - 14 |
IDE interface 2 |
CN11 |
Thermistor connector |
RT1 |
IDE interface 1 |
CN12 |
32-bit PCI slots |
PC1 - PC3 |
Floppy drive interface |
CN13 |
5v power |
DIMM CONFIGURATION | ||
Size |
Bank 0 |
Bank 1 |
8MB |
(1) 1M x 64 |
None |
16MB |
(1) 2M x 64 |
None |
16MB |
(1) 1M x 64 |
(1) 1M x 64 |
24MB |
(1) 2M x 64 |
(1) 1M x 64 |
32MB |
(1) 4M x 64 |
None |
32MB |
(1) 2M x 64 |
(1) 2M x 64 |
40MB |
(1) 4M x 64 |
(1) 1M x 64 |
48MB |
(1) 4M x 64 |
(1) 2M x 64 |
64MB |
(1) 8M x 64 |
None |
64MB |
(1) 4M x 64 |
(1) 4M x 64 |
72MB |
(1) 8M x 64 |
(1) 1M x 64 |
80MB |
(1) 8M x 64 |
(1) 2M x 64 |
96MB |
(1) 8M x 64 |
(1) 4M x 64 |
128MB |
(1) 16M x 64 |
None |
128MB |
(1) 8M x 64 |
(1) 8M x 64 |
136MB |
(1) 16M x 64 |
(1) 1M x 64 |
144MB |
(1) 16M x 64 |
(1) 2M x 64 |
160MB |
(1) 16M x 64 |
(1) 4M x 64 |
192MB |
(1) 16M x 64 |
(1) 8M x 64 |
256MB |
(1) 16M x 64 |
(1) 16M x 64 |
Note: Board accepts EDO & SDRAM memory. |
CACHE CONFIGURATION |
Note: 256KB/512KB cache is located on the Pentium II CPU. 128KB cache is located on the Celeron 300A & 333 CPU. |
CPU SPEED SELECTION | |||||
CPU speed |
Clock speed |
Multiplier |
JP1 |
JP2 |
JP3 |
233MHz |
66MHz |
3.5x |
2 & 3 |
2 & 3 |
2 & 3 |
266MHz |
66MHz |
4x |
2 & 3 |
2 & 3 |
2 & 3 |
300MHz |
66MHz |
4.5x |
2 & 3 |
2 & 3 |
2 & 3 |
333MHz |
66MHz |
5x |
2 & 3 |
2 & 3 |
2 & 3 |
Note: Pins designated should be in the closed position. |
CPU SPEED SELECTION (CON'T) | ||||||
CPU speed |
Clock speed |
Multiplier |
JP4A |
JP4B |
JP4C |
JP4D |
233MHz |
66MHz |
3.5x |
Open |
Open |
Closed |
Open |
266MHz |
66MHz |
4x |
Closed |
Closed |
Open |
Closed |
300MHz |
66MHz |
4.5x |
Open |
Closed |
Open |
Closed |
333MHz |
66MHz |
5x |
Closed |
Open |
Open |
Closed |