DATAEXPERT CORPORATION
AFX440, ARISTO 6000
Device Type |
Mainboard |
Processor |
Pentium Pro |
Processor Speed |
150/180/200MHz |
Chip Set |
Intel 440FX |
Video Chip Set |
S3 |
Maximum Onboard Memory |
128MB |
Maximum Video Memory |
Unidentified |
Cache |
256/512KB (located on Pentium Pro CPU) |
BIOS |
Award |
Dimensions |
305mm x 244mm |
I/O Options |
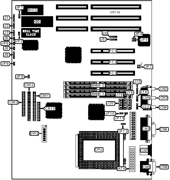
32-bit PCI slots (3), floppy drive interface, game/MIDI port, green PC connector, IDE interfaces (2), parallel port, PS/2 mouse port, serial ports (2), VGA feature connector, VGA port, IR connector, USB connectors (2), ATX power connector, line in, line out, microphone in, audio in - CD-ROMs (3) |
CONNECTIONS | |||
Purpose |
Location |
Purpose |
Location |
ATX power connector |
ATX |
USB connector 1 |
J4 |
Game/MIDI port |
CN1 |
USB connector 2 |
J5 |
Line out |
CN2 |
Reset switch |
J6 |
Microphone in |
CN3 |
Turbo LED |
J8 |
Line in |
CN4 |
IR connector |
J9 |
Parallel port |
CN5 |
Audio connector |
J10 |
VGA port |
CN6 |
Audio connector |
J14 |
PS/2 mouse port |
CN7 |
Audio in - CD-ROM |
J18 |
Serial port 2 |
CN8 |
Audio in - CD-ROM |
J19 |
Serial port 1 |
CN9 |
Audio in - CD-ROM |
J20 |
VGA feature connector |
CN10 |
Audio connector |
J23 |
IDE interface 2 |
CN11 |
Green PC connector |
JP6 |
IDE interface 1 |
CN12 |
Soft off power supply |
JP9 |
Floppy drive interface |
CN13 |
CPU fan power |
JP10 |
Power LED & keylock |
J1 |
CPU fan power |
JP11 |
Speaker |
J2 |
32-bit PCI slots |
PC1 – PC3 |
IDE interface LED |
J3 |
USER CONFIGURABLE SETTINGS | |||
Function |
Label |
Position | |
» |
Flash BIOS voltage select 5v |
JP1 |
Pins 2 & 3 closed |
Flash BIOS voltage select 12v |
JP1 |
Pins 1 & 2 closed | |
» |
CMOS memory normal operation |
JP2 |
Open |
CMOS memory clear |
JP2 |
Closed | |
» |
Factory configured - do not alter |
JP4 |
Unidentified |
» |
Factory configured - do not alter |
JP5 |
Unidentified |
» |
Factory configured - do not alter |
JP7 |
Unidentified |
» |
AT bus clock select PCICLK/4 |
JP8 |
Closed |
AT bus clock select PCICLK/3 |
JP8 |
Open | |
» |
ATX power low active |
JP12 |
Pins 1 & 2 closed |
ATX power high active |
JP12 |
Pins 2 & 3 closed |
SIMM CONFIGURATION | ||
Size |
Bank 0 |
Bank 1 |
8MB |
(2) 1M x 36 |
None |
16MB |
(2) 2M x 36 |
None |
16MB |
(2) 1M x 36 |
(2) 1M x 36 |
24MB |
(2) 2M x 36 |
(2) 1M x 36 |
32MB |
(2) 4M x 36 |
None |
32MB |
(2) 2M x 36 |
(2) 2M x 36 |
40MB |
(2) 4M x 36 |
(2) 1M x 36 |
48MB |
(2) 4M x 36 |
(2) 2M x 36 |
64MB |
(2) 8M x 36 |
None |
64MB |
(2) 4M x 36 |
(2) 4M x 36 |
72MB |
(2) 8M x 36 |
(2) 1M x 36 |
80MB |
(2) 8M x 36 |
(2) 2M x 36 |
96MB |
(2) 8M x 36 |
(2) 4M x 36 |
128MB |
(2) 8M x 36 |
(2) 8M x 36 |
CACHE CONFIGURATION |
Note: 256KB/512KB cache is located on the Pentium Pro CPU. |
CPU SPEED SELECTION | ||||||
CPU speed |
Clock speed |
Multiplier |
SW2/1 |
SW1/2 |
SW2/3 |
SW2/4 |
150MHz |
60MHz |
2.5x |
On |
Off |
Off |
On |
150MHz |
60MHz |
2.5x |
On |
On |
On |
Off |
180MHz |
60MHz |
3x |
On |
Off |
On |
Off |
200MHz |
66MHz |
3x |
Off |
On |
On |
Off |
Note: Either setting may be used for the 150MHz CPU. |
CPU SPEED SELECTION (CON’T) | ||||||
CPU speed |
Clock speed |
Multiplier |
SW2/5 |
SW1/6 |
SW2/7 |
SW2/8 |
150MHz |
60MHz |
2.5x |
On |
On |
On |
Off |
150MHz |
60MHz |
2.5x |
On |
On |
On |
Off |
180MHz |
60MHz |
3x |
On |
On |
On |
Off |
200MHz |
66MHz |
3x |
On |
On |
Off |
On |
Note: Either setting may be used for the 150MHz CPU. |