DTK COMPUTER, INC.
PRM-0076I (VER. 1.05)
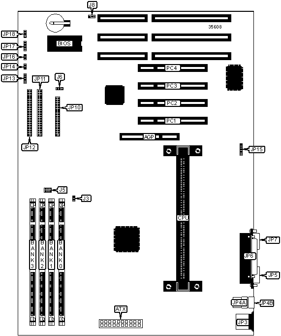
Device Type |
Mainboard |
Processor |
Pentium II/Celeron |
Processor Speed |
233/266/300/333MHz |
Chip Set |
Intel 440LX |
Maximum Onboard Memory |
512MB (EDO & SDRAM supported) |
Cache |
0/128/256/512KB (located on the CPU) |
BIOS |
Award/AMI |
Dimensions |
305mm x 217mm |
I/O Options |
32-bit PCI slots (4), floppy drive interface, IDE interface, parallel port, PS/2 mouse port, serial ports (2), USB connectors (2), IR connector |
CONNECTIONS | |||
Purpose |
Location |
Purpose |
Location |
ATX power connector |
ATX |
IDE interface 2 |
JP12 |
PS/2 mouse port |
JP3 |
IDE interface LED |
JP13 |
USB connector 1 |
JP4A |
Power switch |
JP14 |
USB connector 2 |
JP4B |
IR connector |
JP15 |
Serial port 1 |
JP5 |
Reset switch |
JP16 |
Parallel port |
JP6 |
Speaker |
JP17 |
Serial port 2 |
JP7 |
Power LED |
JP18 |
Floppy drive interface |
JP10 |
32-bit PCI slots |
PC1 - PC4 |
IDE interface 1 |
JP11 |
USER CONFIGURABLE SETTINGS | |||
Function |
Label |
Position | |
» |
CMOS memory normal operation |
J6 |
Pins 1 & 2 closed |
CMOS memory clear |
J6 |
Pins 2 & 3 closed | |
» |
Flash BIOS voltage select 5v |
J8 |
Pins 1 & 2 closed |
Flash BIOS voltage select 12v |
J8 |
Pins 2 & 3 closed |
DRAM CONFIGURATION | ||||
Size |
Bank 0 |
Bank 1 |
Bank 2 |
Bank 3 |
8MB |
(1) 1MB x 64 |
None |
None |
None |
16MB |
(1) 1MB x 64 |
(1) 1MB x 64 |
None |
None |
16MB |
(1) 2MB x 64 |
None |
None |
None |
24MB |
(1) 1MB x 64 |
(1) 1MB x 64 |
(1) 1MB x 64 |
None |
24MB |
(1) 2MB x 64 |
(1) 1MB x 64 |
None |
None |
32MB |
(1) 1MB x 64 |
(1) 1MB x 64 |
(1) 1MB x 64 |
(1) 1MB x 64 |
32MB |
(1) 2MB x 64 |
(1) 2MB x 64 |
None |
None |
32MB |
(1) 4MB x 64 |
None |
None |
None |
32MB |
(1) 2MB x 64 |
(1) 1MB x 64 |
(1) 1MB x 64 |
None |
48MB |
(1) 2MB x 64 |
(1) 2MB x 64 |
(1) 2MB x 64 |
None |
48MB |
(1) 4MB x 64 |
(1) 2MB x 64 |
None |
None |
64MB |
(1) 2MB x 64 |
(1) 2MB x 64 |
(1) 2MB x 64 |
(1) 2MB x 64 |
64MB |
(1) 4MB x 64 |
(1) 4MB x 64 |
None |
None |
64MB |
(1) 8MB x 64 |
None |
None |
None |
64MB |
(1) 4MB x 64 |
(1) 2MB x 64 |
(1) 2MB x 64 |
None |
96MB |
(1) 4MB x 64 |
(1) 4MB x 64 |
(1) 4MB x 64 |
None |
96MB |
(1) 8MB x 64 |
(1) 4MB x 64 |
None |
None |
120MB |
(1) 8MB x 64 |
(1) 4MB x 64 |
(1) 2MB x 64 |
(1) 1MB x 64 |
128MB |
(1) 4MB x 64 |
(1) 4MB x 64 |
(1) 4MB x 64 |
(1) 4MB x 64 |
128MB |
(1) 8MB x 64 |
(1) 8MB x 64 |
None |
None |
128MB |
(1) 16MB x 64 |
None |
None |
None |
128MB |
(1) 8MB x 64 |
(1) 4MB x 64 |
(1) 4MB x 64 |
None |
192MB |
(1) 8MB x 64 |
(1) 8MB x 64 |
(1) 8MB x 64 |
None |
192MB |
(1) 16MB x 64 |
(1) 8MB x 64 |
None |
None |
DRAM CONFIGURATION (CONT.) | ||||
Size |
Bank 0 |
Bank 1 |
Bank 2 |
Bank 3 |
240MB |
(1) 16MB x 64 |
(1) 8MB x 64 |
(1) 4MB x 64 |
(1) 2MB x 64 |
256MB |
(1) 8MB x 64 |
(1) 8MB x 64 |
(1) 8MB x 64 |
(1) 8MB x 64 |
256MB |
(1) 16MB x 64 |
(1) 16MB x 64 |
None |
None |
256MB |
(1) 32MB x 64 |
None |
None |
None |
256MB |
(1) 16MB x 64 |
(1) 8MB x 64 |
(1) 8MB x 64 |
None |
384MB |
(1) 16MB x 64 |
(1) 16MB x 64 |
(1) 16MB x 64 |
None |
384MB |
(1) 32MB x 64 |
(1) 16MB x 64 |
None |
None |
448MB |
(1) 32MB x 64 |
(1) 16MB x 64 |
(1) 8MB x 64 |
(1) 4MB x 64 |
512MB |
(1) 16MB x 64 |
(1) 16MB x 64 |
(1) 16MB x 64 |
(1) 16MB x 64 |
CPU SPEED SELECTION | |||||
CPU Speed |
Clock Speed |
Mutliplier |
JP5/pins 1 & 2 |
JP5/pins 3 & 4 |
JP5/pins 5 & 6 |
233MHz |
66MHz |
3.5x |
Open |
Open |
Closed |
266MHz |
66MHz |
4x |
Closed |
Closed |
Open |
300MHz |
66MHv |
4.5x |
Open |
Closed |
Open |
333MHz |
66MHz |
5x |
Closed |
Open |
Open |
366MHz |
66MHz |
5.5x |
Open |
Open |
Open |