DTK COMPUTER, INC.

PRM-0082I (VER. 1.02)

Device Type

Mainboard

Processor

Pentium II

Processor Speed

233/266/300/333MHz

Chip Set

Intel 440EX

Maximum Onboard Memory

256MB SDRAM/512MB EDO

Cache

512 (on the Pentium II chip)

BIOS

Award

Dimensions

244mm x 210mm

I/O Options

32-bit PCI slots (2), floppy drive interface, game/MIDI port, IDE interfaces (2), parallel port, PS/2 mouse port, serial ports (2), IR connector, USB connectors (2), ATX power connector, AGP slot, line in, line out, microphone in, audio in – CD-ROMs (2)

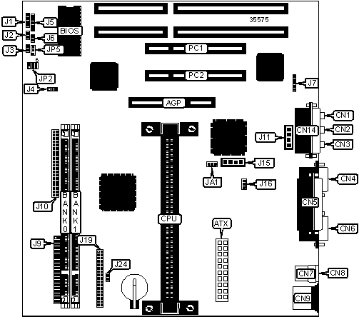
CONNECTIONS

Purpose

Location

Purpose

Location

AGP slot

AGP

Power switch

J2

ATX power connector

ATX

Reset switch

J3

Microphone in

CN1

Keylock

J5

Line in

CN2

IDE interface LED

J6

Line out

CN3

IR connector

J7

Serial port 1

CN4

IDE interface 1

J9

Parallel port

CN5

IDE interface 2

J10

Serial port 2

CN6

Audio in – CD-ROM (Sony)

J11

USB connector 1

CN7

Audio in – CD-ROM (Panasonic)

J15

USB connector 2

CN8

CPU fan power

J16

PS/2 mouse port

CN9

Floppy drive interface

J19

Game/MIDI port

CN14

Wake on lan connector

JP5

Unidentified

JA1

32-bit PCI slots

PC1 - PC

Speaker

J1

   

USER CONFIGURABLE SETTINGS

Function

Label

Position

»

CMOS memory normal operation

J4

Pins 2 & 3 closed

 

CMOS memory clear

J4

Pins 1 & 2 closed

 

System on after power failure

J24

Closed

 

System off after power failure

J24

Open

DIMM CONFIGURATION

Size

Bank 0

Bank 1

8MB

(1) 1M x 64

None

16MB

(1) 2M x 64

None

16MB

(1) 1M x 64

(1) 1M x 64

24MB

(1) 2M x 64

(1) 1M x 64

32MB

(1) 4M x 64

None

32MB

(1) 2M x 64

(1) 2M x 64

40MB

(1) 4M x 64

(1) 1M x 64

48MB

(1) 4M x 64

(1) 2M x 64

64MB

(1) 8M x 64

None

64MB

(1) 4M x 64

(1) 4M x 64

72MB

(1) 8M x 64

(1) 1M x 64

80MB

(1) 8M x 64

(1) 2M x 64

96MB

(1) 8M x 64

(1) 4M x 64

DIMM CONFIGURATION (CON’T)

Size

Bank 0

Bank 1

128MB

(1) 16M x 64

None

128MB

(1) 8M x 64

(1) 8M x 64

136MB

(1) 16M x 64

(1) 1M x 64

144MB

(1) 16M x 64

(1) 2M x 64

160MB

(1) 16M x 64

(1) 4M x 64

192MB

(1) 16M x 64

(1) 8M x 64

256MB

(1) 16M x 64

(1) 16M x 64

288MB

(1) 32M x 64

(1) 4M x 64

320MB

(1) 32M x 64

(1) 8M x 64

384MB

(1) 32M x 64

(1) 16M x 64

512MB

(1) 32M x 64

(1) 32M x 64

Note: Board will accept up to 256MB SDRAM or 512MB EDO memory.

CPU SPEED SELECTION

CPU speed

Clock speed

Multiplier

JP2

233MHz

66MHz

3.5x

Pins 5 & 6 closed

266MHz

66MHz

4x

Pins 1 & 2, 3 & 4 closed

300MHz

66MHz

4.5x

Pins 3 & 4 closed

333MHz

66MHz

5x

Pins 1 & 2 closed