DIGITAL EQUIPMENT CORPORATION
PRIORIS XL
Device Type |
Mainboard |
Processor |
80486DX/80486DX2/Pentium |
Processor Speed |
25/33/50(internal)/66(internal)MHz |
Chip Set |
Unidentified |
Video Chip Set |
Unidentified |
Maximum Onboard Memory |
128MB (80486)/512MB (Pentium) |
Maximum Video Memory |
1MB |
Cache |
128/256KB |
BIOS |
Unidentified |
Dimensions |
305mm x 244mm |
I/O Options |
32-bit PCI slots (3), floppy drive interface, IDE interface, SCSI interface, Wide Ultra SCSI interface, parallel port, PS/2 mouse port, serial ports (2), VGA feature connector, VGA port, CPU slot |
NPU Options |
None |
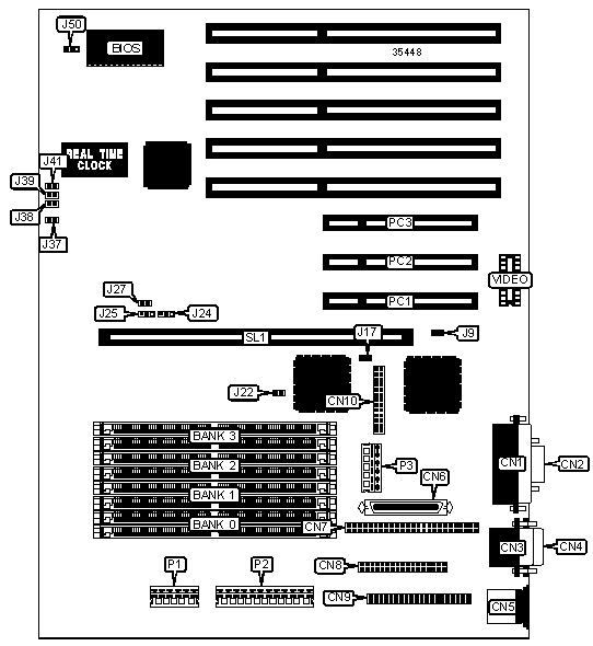
CONNECTIONS | |||
Purpose |
Location |
Purpose |
Location |
Parallel port |
CN1 |
IDE interface |
CN9 |
VGA port |
CN2 |
VGA feature connector |
CN10 |
Serial port |
CN3 |
5v auxiliary power |
P1 |
Serial port |
CN4 |
5v power |
P2 |
PS/2 mouse port |
CN5 |
3.3v power |
P3 |
Ultra Wide SCSI interface |
CN6 |
32-bit PCI slots |
PC1 – PC3 |
SCSI interface |
CN7 |
CPU slot |
SL1 |
Floppy drive interface |
CN8 |
USER CONFIGURABLE SETTINGS | |||
Function |
Label |
Position | |
» |
VGA IRQ9 disabled |
J9 |
Open |
VGA IRQ9 enabled |
J9 |
Closed | |
» |
On board I/O enabled |
J17 |
Closed |
On board I/O disabled |
J17 |
Open | |
» |
Wide SCSI disabled |
J22 |
Open |
Wide SCSI enabled |
J22 |
Closed | |
» |
Monitor type select color |
J37 |
Closed |
Monitor type select monochrome |
J37 |
Open | |
» |
Password normal operation |
J38 |
Open |
Password clear |
J38 |
Closed | |
» |
BIOS normal operation |
J39 |
Open |
BIOS recovery mode |
J39 |
Closed | |
» |
BIOS upgrade enabled |
J41 |
Closed |
BIOS upgrade disabled |
J41 |
Open | |
» |
Boot block enabled |
J50 |
Pins 1 & 2 closed |
Boot block disabled |
J50 |
Pins 2 & 3 closed |
SIMM CONFIGURATION | ||||
Size |
Bank 0 |
Bank 1 |
Bank 2 |
Bank 3 |
8MB |
(2) 1M x 36 |
None |
None |
None |
16MB |
(2) 2M x 36 |
None |
None |
None |
16MB |
(2) 1M x 36 |
(2) 1M x 36 |
None |
None |
24MB |
(2) 2M x 36 |
(2) 1M x 36 |
None |
None |
24MB |
(2) 1M x 36 |
(2) 1M x 36 |
(2) 1M x 36 |
None |
32MB |
(2) 4M x 36 |
None |
None |
None |
32MB |
(2) 2M x 36 |
(2) 2M x 36 |
None |
None |
SIMM CONFIGURATION (CON’T) | ||||
Size |
Bank 0 |
Bank 1 |
Bank 2 |
Bank 3 |
32MB |
(2) 1M x 36 |
(2) 1M x 36 |
(2) 1M x 36 |
(2) 1M x 36 |
40MB |
(2) 4M x 36 |
(2) 1M x 36 |
None |
None |
48MB |
(2) 4M x 36 |
(2) 2M x 36 |
None |
None |
48MB |
(2) 2M x 36 |
(2) 2M x 36 |
(2) 2M x 36 |
None |
64MB |
(2) 2M x 36 |
(2) 2M x 36 |
(2) 2M x 36 |
(2) 2M x 36 |
64MB |
(2) 8M x 36 |
None |
None |
None |
64MB |
(2) 4M x 36 |
(2) 4M x 36 |
None |
None |
72MB |
(2) 8M x 36 |
(2) 1M x 36 |
None |
None |
80MB |
(2) 8M x 36 |
(2) 2M x 36 |
None |
None |
96MB |
(2) 8M x 36 |
(2) 4M x 36 |
None |
None |
96MB |
(2) 4M x 36 |
(2) 4M x 36 |
(2) 4M x 36 |
None |
128MB |
(2) 16M x 36 |
None |
None |
None |
128MB |
(2) 8M x 36 |
(2) 8M x 36 |
None |
None |
128MB |
(2) 4M x 36 |
(2) 4M x 36 |
(2) 4M x 36 |
(2) 4M x 36 |
136MB |
(2) 16M x 36 |
(2) 1M x 36 |
None |
None |
144MB |
(2) 16M x 36 |
(2) 2M x 36 |
None |
None |
152MB |
(2) 16M x 36 |
(2) 1M x 36 |
(2) 1M x 36 |
(2) 1M x 36 |
160MB |
(2) 16M x 36 |
(2) 4M x 36 |
None |
None |
176MB |
(2) 16M x 36 |
(2) 2M x 36 |
(2) 2M x 36 |
(2) 2M x 36 |
192MB |
(2) 16M x 36 |
(2) 8M x 36 |
None |
None |
192MB |
(2) 8M x 36 |
(2) 8M x 36 |
(2) 8M x 36 |
None |
224MB |
(2) 16M x 36 |
(2) 4M x 36 |
(2) 4M x 36 |
(2) 4M x 36 |
256MB |
(2) 16M x 36 |
(2) 16M x 36 |
None |
None |
256MB |
(2) 8M x 36 |
(2) 8M x 36 |
(2) 8M x 36 |
(2) 8M x 36 |
272MB |
(2) 16M x 36 |
(2) 16M x 36 |
(2) 1M x 36 |
(2) 1M x 36 |
288MB |
(2) 16M x 36 |
(2) 16M x 36 |
(2) 2M x 36 |
(2) 2M x 36 |
320MB |
(2) 16M x 36 |
(2) 16M x 36 |
(2) 4M x 36 |
(2) 4M x 36 |
320MB |
(2) 16M x 36 |
(2) 8M x 36 |
(2) 8M x 36 |
(2) 8M x 36 |
384MB |
(2) 16M x 36 |
(2) 16M x 36 |
(2) 16M x 36 |
None |
512MB |
(2) 16M x 36 |
(2) 16M x 36 |
(2) 16M x 36 |
(2) 16M x 36 |
Note: If 80486 module is installed, it will accept up to 128MB. |
VIDEO MEMORY CONFIGURATION |
Note: the size of the video memory is unidentified. |
CPU TYPE SELECTION | |
Type |
J27 |
Intel |
Open |
All other types |
Closed |
CPU CARD SELECTION | ||
Type |
J24 |
J25 |
Single CPU installed |
Pins 1 & 2 closed |
Pins 1 & 2 closed |
Multiple CPUs installed |
Pins 2 & 3 closed |
Pins 2 & 3 closed |
CACHE CONFIGURATION | |
Size |
Bank 0 |
128KB |
(4) 32K x 8 |
256KB |
(4) 64K x 8 |
CACHE JUMPER CONFIGURATION | |||
Size |
J8 |
J9 |
J10 |
128KB |
Pins 1 & 2 closed |
Pins 1 & 2 closed |
Pins 1 & 2 closed |
256KB |
Pins 2 & 3 closed |
Pins 2 & 3 closed |
Pins 2 & 3 closed |
CPU SPEED SELECTION | |
Speed |
J12 |
25MHz |
Pins 1 & 2 closed |
33MHz |
Pins 2 & 3 closed |
50iMHz |
Pins 1 & 2 closed |
66iMHz |
Pins 2 & 3 closed |