DIGITAL EQUIPMENT CORPORATION

DIGITAL SERVER 5100, DIGITAL SERVER 5200

Device Type

Mainboard

Processor

Pentium Pro/Pentium II

Processor Speed

133/166/200/233/266/300/333/366/400/433/466/500/533MHz

Chip Set

Unidentified

Video Chip Set

Unidentified

Maximum Onboard Memory

1GB (EDO supported)

Maximum Video Memory

Unidentified

Cache

256/512KB (located on Pentium Pro/Pentium II CPU)

BIOS

Unidentified

Dimensions

305mm x 244mm

I/O Options (backplane)

32-bit PCI slots (6), floppy drive interface, SCSI interface, Wide Ultra SCSI interfaces (2), parallel port, PS/2 mouse port, serial ports (2), VGA port, CPU slot

I/O Options (CPU)

VRM connectors (2)

NPU Options

None

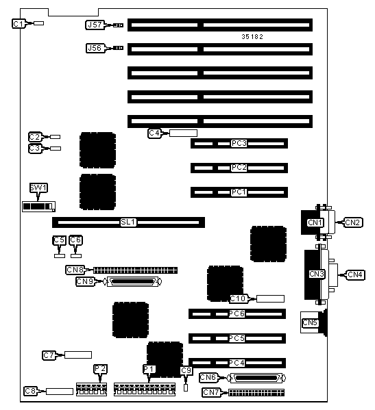
CONNECTIONS

Purpose

Location

Purpose

Location

Chassis fan power

C1

Parallel port

CN3

Speaker

C2

VGA port

CN4

Chassis fan power

C3

PS/2 mouse port

CN5

Remote Server Management

C4

Ultra Wide SCSI interface

CN6

Chassis fan power

C5

Floppy drive interface

CN7

Chassis fan power

C6

SCSI interface

CN8

Operator control panel

C7

Ultra Wide SCSI interface

CN9

Power control signal

C8

3.3v power

P1

Chassis fan power

C9

5v power

P2

Ethernet daughter connector

C10

32-bit PCI slots

PC1 – PC6

Serial port

CN1

CPU slot

SL1

Serial port

CN2

   

USER CONFIGURABLE SETTINGS

Function

Label

Position

»

EISA slot 4 master delay select normal

J56

Pins 1 & 2 closed

 

EISA slot 4 master delay select delay one clock cycle

J56

Pins 2 & 3 closed

»

EISA slot 5 master delay select normal

J57

Pins 1 & 2 closed

 

EISA slot 5 master delay select delay one clock cycle

J57

Pins 2 & 3 closed

»

BIOS upgrade enabled

SW1/1

On

 

BIOS upgrade disabled

SW1/1

Off

»

BIOS normal operation

SW1/2

Off

 

BIOS recovery mode

SW1/2

On

»

Boot block update disabled

SW1/3

Off

 

Boot block update enabled

SW1/3

On

»

Password normal operation

SW1/4

Off

 

Password clear

SW1/4

On

»

RSM not installed

SW1/5

On

 

RSM installed

SW1/5

Off

»

CMOS memory normal operation

SW1/6

Off

 

CMOS memory clear

SW1/6

On

»

Factory configured - do not alter

SW1/7

Off

»

Factory configured - do not alter

SW1/8

Off

CONNECTIONS

Purpose

Location

Purpose

Location

VRM connector

CN1

VRM connector

CN2

SIMM CONFIGURATION

Size

Bank 0

Bank 1

Bank 2

Bank 3

64MB

(2) 8M x 36

None

None

None

128MB

(2) 16M x 36

None

None

None

128MB

(2) 8M x 36

(2) 8M x 36

None

None

192MB

(2) 16M x 36

(2) 8M x 36

None

None

192MB

(2) 8M x 36

(2) 8M x 36

(2) 8M x 36

None

256MB

(2) 16M x 36

(2) 16M x 36

None

None

256MB

(2) 8M x 36

(2) 8M x 36

(2) 8M x 36

(2) 8M x 36

320MB

(2) 16M x 36

(2) 8M x 36

(2) 8M x 36

(2) 8M x 36

384MB

(2) 16M x 36

(2) 16M x 36

(2) 16M x 36

None

448MB

(2) 32M x 36

(2) 8M x 36

(2) 8M x 36

(2) 8M x 36

SIMM CONFIGURATION (CON’T)

Size

Bank 0

Bank 1

Bank 2

Bank 3

512MB

(2) 32M x 36

(2) 32M x 36

None

None

512MB

(2) 16M x 36

(2) 16M x 36

(2) 16M x 36

(2) 16M x 36

640MB

(2) 32M x 36

(2) 16M x 36

(2) 16M x 36

(2) 16M x 36

768MB

(2) 32M x 36

(2) 32M x 36

(2) 32M x 36

None

1024MB

(2) 32M x 36

(2) 32M x 36

(2) 32M x 36

(2) 32M x 36

Note: Board accepts EDO memory.

CACHE CONFIGURATION

Note: 256KB/512KB cache is located on the Pentium Pro CPU.

CPU SPEED SELECTION

CPU speed

Clock speed

Multiplier

SW1/1

SW1/2

SW1/3

SW1/4

133MHz

66MHz

2x

Off

Off

Off

Off

166MHz

66MHz

2.5x

Off

On

Off

Off

200MHz

66MHz

3x

Off

Off

On

Off

233MHz

66MHz

3.5x

Off

On

On

Off

266MHz

66MHz

4x

Off

Off

Off

On

CONNECTIONS

Purpose

Location

Purpose

Location

VRM connector

CN1

VRM connector

CN2

DIMM CONFIGURATION

Size

Bank 0

Bank 1

Bank 2

Bank 3

64MB

(1) 8M x 64

None

None

None

128MB

(1) 16M x 64

None

None

None

192MB

(1) 16M x 64

(1) 8M x 64

None

None

256MB

(1) 16M x 64

(1) 16M x 64

None

None

256MB

(1) 8M x 64

(1) 8M x 64

(1) 8M x 64

(1) 8M x 64

320MB

(1) 16M x 64

(1) 8M x 64

(1) 8M x 64

(1) 8M x 64

384MB

(1) 16M x 64

(1) 16M x 64

(1) 16M x 64

None

512MB

(1) 16M x 64

(1) 16M x 64

(1) 16M x 64

(1) 16M x 64

Note: Board accepts EDO memory.

CACHE CONFIGURATION

Note: 256KB/512KB cache is located on the Pentium II CPU.

CPU SPEED SELECTION

CPU speed

Clock speed

Multiplier

SW1/1

SW1/2

SW1/3

SW1/4

200MHz

66MHz

3x

Off

On

Off

Off

233MHz

66MHz

3.5x

On

On

Off

Off

266MHz

66MHz

4x

Off

Off

On

Off

300MHz

66MHz

4.5x

On

Off

On

Off

333MHz

66MHz

5x

Off

On

On

Off

366MHz

66MHz

5.5x

On

On

On

Off

400MHz

66MHz

6x

Off

Off

Off

On

433MHz

66MHz

6.5x

On

Off

Off

On

466MHz

66MHz

7x

Off

On

Off

On

500MHz

66MHz

7.5x

On

On

Off

On

533MHz

66MHz

8x

Off

Off

On

On

CPU SPEED SELECTION (CON’T)

CPU speed

Clock speed

Multiplier

SW1/5

SW1/6

SW1/7

SW1/8

200MHz

66MHz

3x

On

On

On

On

233MHz

66MHz

3.5x

On

On

On

On

266MHz

66MHz

4x

On

On

On

On

300MHz

66MHz

4.5x

On

On

On

On

333MHz

66MHz

5x

On

On

On

On

366MHz

66MHz

5.5x

On

On

On

On

400MHz

66MHz

6x

On

On

On

On

433MHz

66MHz

6.5x

On

On

On

On

466MHz

66MHz

7x

On

On

On

On

500MHz

66MHz

7.5x

On

On

On

On

533MHz

66MHz

8x

On

On

On

On