DIAMOND FLOWER, INC.
P2XLX (REV. A+)
Processor |
Pentium II |
Processor Speed |
233/266/300/333MHz |
Chip Set |
Intel |
Video Chip Set |
None |
Maximum Onboard Memory |
384MB (EDO supported) |
Maximum Video Memory |
None |
Cache |
256/512KB (located on Pentium II CPU) |
BIOS |
Award |
Dimensions |
305mm x 244mm |
I/O Options |
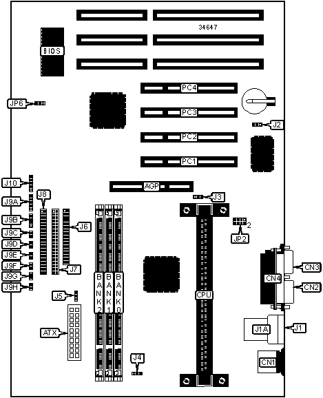
32-bit PCI slots (4), floppy drive interface, green PC connector, IDE interfaces (2), parallel port, PS/2 mouse port, serial ports (2), IR connector, USB connectors (2), ATX power connector, AGP slot |
NPU Options |
None |
CONNECTIONS | |||
Purpose |
Location |
Purpose |
Location |
AGP slot |
AGP |
IDE interface 2 |
J7 |
ATX power connector |
ATX |
IDE interface 1 |
J8 |
PS/2 mouse port |
CN1 |
Power LED & keylock |
J9A |
Serial port 2 |
CN2 |
Speaker |
J9B |
Serial port 1 |
CN3 |
Reset switch |
J9C |
Parallel port |
CN4 |
Green PC connector |
J9D |
USB connector 1 |
J1 |
Soft off power supply |
J9E |
USB connector 2 |
J1A |
Green PC LED |
J9F |
Wake on LAN connector |
J2 |
IDE interface LED |
J9G |
AGP fan power |
J3 |
ATX LED |
J9H |
CPU fan power |
J4 |
IR connector |
J10 |
Chassis fan power |
J5 |
32-bit PCI slots |
PC1 – PC4 |
Floppy drive interface |
J6 |
USER CONFIGURABLE SETTINGS | |||
Function |
Label |
Position | |
» |
CMOS memory normal operation |
JP6 |
Pins 1 & 2 closed |
CMOS memory clear |
JP6 |
Pins 2 & 3 closed |
DIMM CONFIGURATION | |||
Size |
Bank 0 |
Bank 1 |
Bank 2 |
8MB |
(1) 1M x 64 |
None |
None |
16MB |
(1) 2M x 64 |
None |
None |
16MB |
(1) 1M x 64 |
(1) 1M x 64 |
None |
24MB |
(1) 2M x 64 |
(1) 1M x 64 |
None |
24MB |
(1) 1M x 64 |
(1) 1M x 64 |
(1) 1M x 64 |
32MB |
(1) 4M x 64 |
None |
None |
32MB |
(1) 2M x 64 |
(1) 2M x 64 |
None |
40MB |
(1) 4M x 64 |
(1) 1M x 64 |
None |
48MB |
(1) 4M x 64 |
(1) 2M x 64 |
None |
48MB |
(1) 2M x 64 |
(1) 2M x 64 |
(1) 2M x 64 |
64MB |
(1) 8M x 64 |
None |
None |
64MB |
(1) 4M x 64 |
(1) 4M x 64 |
None |
72MB |
(1) 8M x 64 |
(1) 1M x 64 |
None |
80MB |
(1) 8M x 64 |
(1) 2M x 64 |
None |
96MB |
(1) 8M x 64 |
(1) 4M x 64 |
None |
96MB |
(1) 4M x 64 |
(1) 4M x 64 |
(1) 4M x 64 |
128MB |
(1) 16M x 64 |
None |
None |
128MB |
(1) 8M x 64 |
(1) 8M x 64 |
None |
136MB |
(1) 16M x 64 |
(1) 1M x 64 |
None |
DIMM CONFIGURATION (CON’T) | |||
Size |
Bank 0 |
Bank 1 |
Bank 2 |
144MB |
(1) 16M x 64 |
(1) 2M x 64 |
None |
160MB |
(1) 16M x 64 |
(1) 4M x 64 |
None |
192MB |
(1) 16M x 64 |
(1) 8M x 64 |
None |
192MB |
(1) 8M x 64 |
(1) 8M x 64 |
(1) 8M x 64 |
256MB |
(1) 16M x 64 |
(1) 16M x 64 |
None |
384MB |
(1) 16M x 64 |
(1) 16M x 64 |
(1) 16M x 64 |
Note: Board accepts EDO memory. |
CACHE CONFIGURATION |
Note: 256KB/512KB cache is located on the Pentium II CPU. |
CPU SPEED SELECTION | ||||
CPU speed |
Clock speed |
Multiplier |
JP2/pins 1 & 2 |
JP2/pins 3 & 4 |
233MHz |
66MHz |
3.5x |
Open |
Open |
266MHz |
66MHz |
4x |
Closed |
Closed |
300MHz |
66MHz |
4.5 |
Open |
Closed |
333MHz |
66MHz |
5x |
Closed |
Open |
CPU SPEED SELECTION | ||||
CPU speed |
Clock speed |
Multiplier |
JP2/pins 5 & 6 |
JP2/pins 7 & 8 |
233MHz |
66MHz |
3.5x |
Closed |
Closed |
266MHz |
66MHz |
4x |
Open |
Closed |
300MHz |
66MHz |
4.5 |
Open |
Closed |
333MHz |
66MHz |
5x |
Open |
Closed |