DELL COMPUTER CORPORATION
POWEREDGE 4100, 6100
Processor |
Pentium Pro |
Processor Speed |
200MHz |
Chip Set |
Intel |
Video Chip Set |
Cirrus Logic |
Maximum Onboard Memory |
2GB (EDO supported) |
Maximum Video Memory |
1MB |
Cache |
512KB (located on Pentium Pro CPU) |
BIOS |
AMI |
Dimensions |
355mm x 304mm |
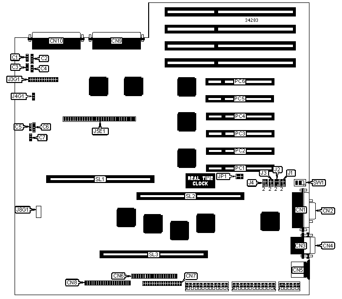
I/O Options |
External memory card, 32-bit PCI slots (6), floppy drive interface, IDE interface, Ultra-Wide SCSI ports (2), parallel port, PS/2 mouse port, serial ports (2), VGA feature connector, VGA port, CPU slots (2), Server Management connector |
NPU Options |
None |
CONNECTIONS | |||
Purpose |
Location |
Purpose |
Location |
Chassis fan power 4 |
C1 |
PS/2 mouse port |
CN5 |
IDE interface LED 2 |
C2 |
IDE interface |
CN6 |
Chassis fan power 3 |
C3 |
Floppy drive interface |
CN7 |
I2C connector |
C4 |
Front panel connector |
CN8 |
Chassis fan power 2 |
C5 |
Ultra-Wide SCSI port 2 |
CN9 |
IDE interface LED 1 |
C6 |
Ultra-Wide SCSI port 1 |
CN10 |
Chassis fan power 1 |
C7 |
Server Management connector |
J3G1 |
Parallel port |
CN1 |
32-bit PCI slots |
PC1 – PC6 |
VGA port |
CN2 |
CPU slot 1 |
SL1 |
Serial port |
CN3 |
CPU slot 2 |
SL2 |
Serial port |
CN4 |
External memory card |
SL3 |
USER CONFIGURABLE SETTINGS | |||
Function |
Label |
Position | |
» |
Flash BIOS normal operation |
J1 |
Pins 1 & 3 closed |
Flash BIOS recovery mode |
J1 |
Pins 3 & 5 closed | |
» |
Factory configured - do not alter |
J1 |
Pins 2 & 4 closed |
» |
Flash BIOS write protect disabled |
J2 |
Pins 3 & 5 closed |
Flash BIOS write protect enabled |
J2 |
Pins 1 & 3 closed | |
Floppy drive 0 enabled |
J2 |
Pins 2 & 4 closed | |
Floppy drive 0 disabled |
J2 |
Pins 4 & 6 closed | |
Floppy drive 1 enabled |
J3 |
Pins 1 & 3 closed | |
Floppy drive 1 disabled |
J3 |
Pins 3 & 5 closed | |
» |
Video sleep register select 03C3H |
J3 |
Pins 2 & 4 closed |
Video sleep register select 46E8H |
J3 |
Pins 4 & 6 closed | |
» |
RTC power supply enabled |
J4 |
Pins 1 & 3 closed |
RTC power supply disabled |
J4 |
Pins 3 & 5 closed | |
» |
Factory configured - do not alter |
J4 |
Pins 2, 4, 6 open |
» |
Factory configured - do not alter |
J4G1 |
Unidentified |
» |
Factory configured - do not alter |
J5E1 |
Unidentified |
» |
Factory configured - do not alter |
J8G1 |
Unidentified |
» |
Factory configured - do not alter |
JP1 |
Unidentified |
» |
CMOS memory normal operation |
SW1/1 |
Off |
CMOS memory clear |
SW1/1 |
On | |
» |
Password normal operation |
SW1/2 |
Off |
Password clear |
SW1/2 |
On | |
» |
Factory configured - do not alter |
SW1/3 |
Off |
CACHE CONFIGURATION |
Note: 512KB cache is located on the Pentium Pro CPU. |
VIDEO MEMORY CONFIGURATION |
Note: Board is factory installed with 1MB video memory and is not configurable. |
DRAM CONFIGURATION | ||||
Size |
Bank 0 |
Bank 1 |
Bank 2 |
Bank 3 |
64MB |
(4) 4M x 36 |
None |
None |
None |
128MB |
(4) 8M x 36 |
None |
None |
None |
128MB |
(4) 4M x 36 |
(4) 4M x 36 |
None |
None |
256MB |
(4) 16M x 36 |
None |
None |
None |
256MB |
(4) 8M x 36 |
(4) 8M x 36 |
None |
None |
256MB |
(4) 4M x 36 |
(4) 4M x 36 |
(4) 4M x 36 |
(4) 4M x 36 |
384MB |
(4) 8M x 36 |
(4) 8M x 36 |
(4) 4M x 36 |
(4) 4M x 36 |
512MB |
(4) 32M x 36 |
None |
None |
None |
512MB |
(4) 16M x 36 |
(4) 16M x 36 |
None |
None |
512MB |
(4) 8M x 36 |
(4) 8M x 36 |
(4) 8M x 36 |
(4) 8M x 36 |
640MB |
(4) 16M x 36 |
(4) 16M x 36 |
(4) 4M x 36 |
(4) 4M x 36 |
768MB |
(4) 16M x 36 |
(4) 16M x 36 |
(4) 8M x 36 |
(4) 8M x 36 |
1024MB |
(4) 32M x 36 |
(4) 32M x 36 |
None |
None |
DRAM CONFIGURATION (CON’T) | ||||
Size |
Bank 0 |
Bank 1 |
Bank 2 |
Bank 3 |
1024MB |
(4) 16M x 36 |
(4) 16M x 36 |
(4) 16M x 36 |
(4) 16M x 36 |
1152MB |
(4) 32M x 36 |
(4) 32M x 36 |
(4) 4M x 36 |
(4) 4M x 36 |
1280MB |
(4) 32M x 36 |
(4) 32M x 36 |
(4) 8M x 36 |
(4) 8M x 36 |
1536MB |
(4) 32M x 36 |
(4) 32M x 36 |
(4) 16M x 36 |
(4) 16M x 36 |
2048MB |
(4) 32M x 36 |
(4) 32M x 36 |
(4) 32M x 36 |
(4) 32M x 36 |
USER CONFIGURABLE SETTINGS | |||
Function |
Label |
Position | |
CPU installed in top socket |
J101 |
Pins 2 & 3 closed | |
CPU not installed in top socket |
J101 |
Pins 1 & 2 closed | |
» |
Factory configured - do not alter |
J102 |
Unidentified |
CPU installed in bottom socket |
J106 |
Pins 2 & 3 closed | |
CPU not installed in bottom socket |
J106 |
Pins 1 & 2 closed | |
» |
Factory configured - do not alter |
J107 |
Unidentified |
CPU SPEED SELECTION | |||
CPU speed |
Clock speed |
Multiplier |
J105 |
200MHz |
66MHz |
3x |
Pins 1 & 2, 5 & 6, 7 & 8 closed |