ACER, INC.
ACERMATE 486/G (A1GX-2)
Device Type |
Mainboard |
Processor |
80486/80486(WB)/CX486DX2/IBM486DX2/TI486DX2/ (SL)AM486DX2(SV8T)/(SL)AM486DX2(SV8B)/P24C/P24D/AMDNV8T/ AMDNV8B/CX486DX4/IBM486DX4/(SL)AM486DX4(SV8T)/ (SL)AM486DX4(SV8B)/P24T/CX 5X86/IBM 5X86 |
Processor Speed |
25/33/40/50(internal)/66(internal)/75(internal)/100(internal)MHz |
Chip Set |
ALI M1429 |
Video Chip Set |
Cirrus Logic |
Maximum Onboard Memory |
36MB |
Maximum Video Memory |
2MB |
Cache |
None |
BIOS |
Unidentified |
Dimensions |
285mm x 220mm |
I/O Options |
Ethernet 10BaseT connector, floppy drive interface, IDE interfaces (2), parallel port, PS/2 mouse port, serial ports (2), VGA feature connector, VGA port, riser slot |
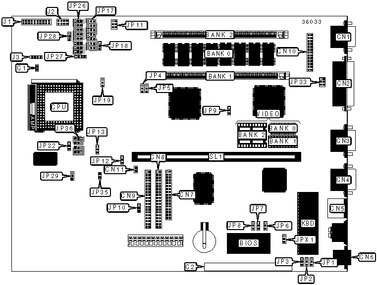
CONNECTIONS | |||
Purpose |
Location |
Purpose |
Location |
Chassis fan power |
C1 |
Ethernet 10BaseT connector |
CN6 |
Feature connector |
C2 |
Floppy drive interface |
CN7 |
VGA port |
CN1 |
IDE interface 2 |
CN8 |
Parallel port |
CN2 |
IDE interface 1 |
CN9 |
Serial port 2 |
CN3 |
VGA feature connector |
CN10 |
Serial port 1 |
CN4 |
Riser slot |
SL1 |
PS/2 mouse port |
CN5 |
USER CONFIGURABLE SETTINGS | |||
Function |
Label |
Position | |
» |
Factory configured - do not alter |
CN11 |
Unidentified |
» |
Factory configured - do not alter |
J1 |
Unidentified |
» |
Factory configured - do not alter |
J2 |
Unidentified |
» |
Factory configured - do not alter |
J3 |
Unidentified |
BIOS type select Acer |
JP1 |
Pins 2 & 3 closed | |
BIOS type select OEM |
JP1 |
Pins 1 & 2 closed | |
Password disabled |
JP2 |
Pins 2 & 3 closed | |
Password enabled |
JP2 |
Pins 1 & 2 closed | |
Normal boot enabled |
JP3 |
Pins 2 & 3 closed | |
COM1 boot enabled |
JP3 |
Pins 1 & 2 closed | |
» |
Factory configured - do not alter |
JP4 |
Unidentified |
On board I/O enabled |
JP6 |
Pins 2 & 3 closed | |
On board I/O disabled |
JP6 |
Pins 1 & 2 closed | |
On board video enabled |
JP9 |
Pins 2 & 3 closed | |
On board video disabled |
JP9 |
Pins 1 & 2 closed | |
IDE address select 074H, 078H, 07CH |
JP10 |
Pins 2 & 3 closed | |
IDE address select 0F4H, 0F8H, 0FCH |
JP10 |
Pins 1 & 2 closed | |
» |
Factory configured - do not alter |
JP13 |
Unidentified |
Reset button enabled |
JP28 |
Pins 2 & 3 closed | |
Reset/green PC button enabled |
JP28 |
Pins 1 & 2 closed | |
IDE interface enabled |
JP29 |
Pins 2 & 3 closed | |
IDE interface disabled |
JP29 |
Pins 1 & 2 closed | |
Feature connector enabled |
JP33 |
Pins 1 & 2 closed | |
I2C interface enabled |
JP33 |
Pins 2 & 3 closed | |
IDE LED enabled |
JP35 |
Open | |
IDE, FDD, CD-ROM LED enabled |
JP35 |
Closed | |
BIOS type select EPROM |
JPX1 |
Pins 2 & 3 closed | |
BIOS type select flash |
JPX1 |
Pins 1 & 2 closed |
SIMM CONFIGURATION | |||
Size |
Bank 0 |
Bank 1 |
Bank 2 |
4MB |
4MB |
None |
None |
4MB |
None |
(1) 1M x 36 |
None |
8MB |
4MB |
(1) 1M x 36 |
None |
8MB |
None |
(1) 2M x 36 |
None |
8MB |
None |
(1) 1M x 36 |
(1) 1M x 36 |
12MB |
4MB |
(1) 2M x 36 |
None |
12MB |
4MB |
(1) 1M x 36 |
(1) 1M x 36 |
12MB |
None |
(1) 1M x 36 |
(1) 2M x 36 |
16MB |
4MB |
(1) 2M x 36 |
(1) 1M x 36 |
16MB |
None |
(1) 4M x 36 |
None |
16MB |
None |
(1) 2M x 36 |
(1) 2M x 36 |
20MB |
4MB |
(1) 4M x 36 |
None |
20MB |
None |
(1) 1M x 36 |
(1) 4M x 36 |
24MB |
4MB |
(1) 1M x 36 |
(1) 4M x 36 |
24MB |
None |
(1) 2M x 36 |
(1) 4M x 36 |
28MB |
4MB |
(1) 2M x 36 |
(1) 4M x 36 |
32MB |
None |
(1) 4M x 36 |
(1) 4M x 36 |
36MB |
4MB |
(1) 4M x 36 |
(1) 4M x 36 |
SIMM JUMPER CONFIGURATION | |
Size |
JP5 |
On board memory enabled |
Pins 2 & 3 closed |
On board memory disabled |
Pins 1 & 2 closed |
VIDEO MEMORY CONFIGURATION | |||
Size |
Bank 0 |
Bank 1 |
Bank 2 |
512KB |
(1) 256K x 16 |
None |
None |
1MB |
(1) 256K x 16 |
(1) 256K x 16 |
None |
2MB |
(1) 256K x 16 |
(1) 256K x 16 |
(2) 256K x 16 |
CPU SPEED SELECTION | ||
Speed |
JP11 |
JP12 |
25MHz |
Pins 1 & 5 closed |
Pins 1 & 2 closed |
33MHz |
Pins 1 & 5 closed |
Pins 1 & 2 closed |
40MHz |
Pins 2 & 6 closed |
Pins 2 & 3 closed |
50iMHz |
Pins 1 & 5 closed |
Pins 1 & 2 closed |
66iMHz |
Pins 1 & 5 closed |
Pins 1 & 2 closed |
75iMHz |
Pins 1 & 5 closed |
Pins 1 & 2 closed |
100iMHz |
Pins 1 & 5 closed |
Pins 1 & 2 closed |
CPU TYPE SELECTION | |||||
Type |
JP17A |
JP17B |
JP17C |
JP17D |
JP17E |
80486 |
2 & 3 |
2 & 3 |
2 & 3 |
2 & 3 |
2 & 3 |
80486 (WB) |
2 & 3 |
2 & 3 |
2 & 3 |
2 & 3 |
2 & 3 |
CX486DX2 * |
1 & 2 |
1 & 2 |
1 & 2 |
1 & 2 |
1 & 2 |
IBM486DX2 * |
1 & 2 |
1 & 2 |
1 & 2 |
1 & 2 |
1 & 2 |
TI486DX2 * |
1 & 2 |
1 & 2 |
1 & 2 |
1 & 2 |
1 & 2 |
CX486DX2 |
1 & 2 |
1 & 2 |
1 & 2 |
1 & 2 |
1 & 2 |
IBM486DX2 |
1 & 2 |
1 & 2 |
1 & 2 |
1 & 2 |
1 & 2 |
TI486DX2 |
1 & 2 |
1 & 2 |
1 & 2 |
1 & 2 |
1 & 2 |
(SL)AM486DX2(SV8T) |
2 & 3 |
2 & 3 |
2 & 3 |
2 & 3 |
2 & 3 |
(SL)AM486DX2(SV8B) |
2 & 3 |
2 & 3 |
2 & 3 |
2 & 3 |
2 & 3 |
P24C |
2 & 3 |
2 & 3 |
2 & 3 |
2 & 3 |
2 & 3 |
P24D |
2 & 3 |
2 & 3 |
2 & 3 |
2 & 3 |
2 & 3 |
AMD NV8T |
2 & 3 |
2 & 3 |
2 & 3 |
2 & 3 |
2 & 3 |
AMD NV8B |
2 & 3 |
2 & 3 |
2 & 3 |
2 & 3 |
2 & 3 |
CX486DX4 |
1 & 2 |
1 & 2 |
1 & 2 |
1 & 2 |
1 & 2 |
IBM486DX4 |
1 & 2 |
1 & 2 |
1 & 2 |
1 & 2 |
1 & 2 |
(SL)AM486DX4(SV8T) |
2 & 3 |
2 & 3 |
2 & 3 |
2 & 3 |
2 & 3 |
(SL)AM486DX4(SV8B) |
2 & 3 |
2 & 3 |
2 & 3 |
2 & 3 |
2 & 3 |
P24T |
2 & 3 |
2 & 3 |
2 & 3 |
2 & 3 |
2 & 3 |
CX 5X86 |
1 & 2 |
2 & 3 |
2 & 3 |
Open |
Open |
IBM 5X86 |
1 & 2 |
2 & 3 |
2 & 3 |
Open |
Open |
Note: Pins designated should be in the closed position. * = 3.3v, 3.45v CPU. |
CPU TYPE SELECTION (CON’T) | |||||
Type |
JP17F |
JP17G |
JP18 |
JP19 |
JP26A |
80486 |
2 & 3 |
2 & 3 |
1 & 2 |
2 & 3 |
2 & 3 |
80486 (WB) |
2 & 3 |
2 & 3 |
1 & 2 |
1 & 2 |
1 & 2 |
CX486DX2 * |
1 & 2 |
1 & 2 |
2 & 3 |
1 & 2 |
2 & 3 |
IBM486DX2 * |
1 & 2 |
1 & 2 |
2 & 3 |
1 & 2 |
2 & 3 |
TI486DX2 * |
1 & 2 |
1 & 2 |
2 & 3 |
1 & 2 |
2 & 3 |
CX486DX2 |
1 & 2 |
1 & 2 |
2 & 3 |
1 & 2 |
2 & 3 |
IBM486DX2 |
1 & 2 |
1 & 2 |
2 & 3 |
1 & 2 |
2 & 3 |
TI486DX2 |
1 & 2 |
1 & 2 |
2 & 3 |
1 & 2 |
2 & 3 |
(SL)AM486DX2(SV8T) |
2 & 3 |
2 & 3 |
2 & 3 |
1 & 2 |
2 & 3 |
(SL)AM486DX2(SV8B) |
2 & 3 |
2 & 3 |
1 & 2 |
1 & 2 |
1 & 2 |
P24C |
2 & 3 |
2 & 3 |
1 & 2 |
2 & 3 |
2 & 3 |
P24D |
2 & 3 |
2 & 3 |
1 & 2 |
1 & 2 |
1 & 2 |
AMD NV8T |
2 & 3 |
2 & 3 |
1 & 2 |
2 & 3 |
2 & 3 |
AMD NV8B |
2 & 3 |
2 & 3 |
1 & 2 |
2 & 3 |
2 & 3 |
CX486DX4 |
1 & 2 |
1 & 2 |
2 & 3 |
1 & 2 |
2 & 3 |
IBM486DX4 |
1 & 2 |
1 & 2 |
2 & 3 |
1 & 2 |
2 & 3 |
(SL)AM486DX4(SV8T) |
2 & 3 |
2 & 3 |
2 & 3 |
1 & 2 |
2 & 3 |
(SL)AM486DX4(SV8B) |
2 & 3 |
2 & 3 |
1 & 2 |
1 & 2 |
1 & 2 |
P24T |
2 & 3 |
2 & 3 |
1 & 2 |
1 & 2 |
1 & 2 |
CX 5X86 |
Open |
Open |
Open |
1 & 2 |
Open |
IBM 5X86 |
Open |
Open |
Open |
1 & 2 |
Open |
Note: Pins designated should be in the closed position. * = 3.3v, 3.45v CPU. |
CPU TYPE SELECTION (CON’T) | |||||
Type |
JP26B |
JP26C |
JP26D |
JP26E |
JP26F |
80486 |
2 & 3 |
2 & 3 |
2 & 3 |
2 & 3 |
2 & 3 |
80486 (WB) |
1 & 2 |
1 & 2 |
1 & 2 |
1 & 2 |
1 & 2 |
CX486DX2 * |
2 & 3 |
2 & 3 |
2 & 3 |
2 & 3 |
2 & 3 |
IBM486DX2 * |
2 & 3 |
2 & 3 |
2 & 3 |
2 & 3 |
2 & 3 |
TI486DX2 * |
2 & 3 |
2 & 3 |
2 & 3 |
2 & 3 |
2 & 3 |
CX486DX2 |
2 & 3 |
2 & 3 |
2 & 3 |
2 & 3 |
2 & 3 |
IBM486DX2 |
2 & 3 |
2 & 3 |
2 & 3 |
2 & 3 |
2 & 3 |
TI486DX2 |
2 & 3 |
2 & 3 |
2 & 3 |
2 & 3 |
2 & 3 |
(SL)AM486DX2(SV8T) |
2 & 3 |
2 & 3 |
2 & 3 |
2 & 3 |
2 & 3 |
(SL)AM486DX2(SV8B) |
1 & 2 |
1 & 2 |
1 & 2 |
1 & 2 |
1 & 2 |
P24C |
2 & 3 |
2 & 3 |
2 & 3 |
2 & 3 |
2 & 3 |
P24D |
1 & 2 |
1 & 2 |
1 & 2 |
1 & 2 |
1 & 2 |
AMD NV8T |
2 & 3 |
2 & 3 |
2 & 3 |
2 & 3 |
2 & 3 |
AMD NV8B |
2 & 3 |
2 & 3 |
2 & 3 |
2 & 3 |
2 & 3 |
CX486DX4 |
2 & 3 |
2 & 3 |
2 & 3 |
2 & 3 |
2 & 3 |
IBM486DX4 |
2 & 3 |
2 & 3 |
2 & 3 |
2 & 3 |
2 & 3 |
(SL)AM486DX4(SV8T) |
2 & 3 |
2 & 3 |
2 & 3 |
2 & 3 |
2 & 3 |
(SL)AM486DX4(SV8B) |
1 & 2 |
1 & 2 |
1 & 2 |
1 & 2 |
1 & 2 |
P24T |
1 & 2 |
1 & 2 |
1 & 2 |
1 & 2 |
1 & 2 |
CX 5X86 |
Open |
Open |
1 & 2 |
1 & 2 |
2 & 3 |
IBM 5X86 |
Open |
Open |
1 & 2 |
1 & 2 |
2 & 3 |
Note: Pins designated should be in the closed position. * = 3.3v, 3.45v CPU. |
CPU TYPE SELECTION (CON’T) | ||||
Type |
JP26G |
JP26H |
JP27 |
JP32 |
80486 |
2 & 3 |
2 & 3 |
3 & 4 |
1 & 2 |
80486 (WB) |
1 & 2 |
1 & 2 |
3 & 4 |
1 & 2 |
CX486DX2 * |
2 & 3 |
2 & 3 |
3 & 4 |
1 & 2 |
IBM486DX2 * |
2 & 3 |
2 & 3 |
3 & 4 |
1 & 2 |
TI486DX2 * |
2 & 3 |
2 & 3 |
3 & 4 |
1 & 2 |
CX486DX2 |
2 & 3 |
2 & 3 |
3 & 4 |
2 & 3 |
IBM486DX2 |
2 & 3 |
2 & 3 |
3 & 4 |
2 & 3 |
TI486DX2 |
2 & 3 |
2 & 3 |
3 & 4 |
2 & 3 |
(SL)AM486DX2 (SV8T) |
2 & 3 |
2 & 3 |
2 & 3 |
1 & 2 |
(SL)AM486DX2 (SV8B) |
1 & 2 |
1 & 2 |
2 & 3 |
1 & 2 |
P24C |
2 & 3 |
2 & 3 |
3 & 4 |
1 & 2 |
P24D |
1 & 2 |
1 & 2 |
3 & 4 |
1 & 2 |
AMD NV8T |
2 & 3 |
2 & 3 |
3 & 4 |
1 & 2 |
AMD NV8B |
2 & 3 |
2 & 3 |
3 & 4 |
1 & 2 |
CX486DX4 |
2 & 3 |
2 & 3 |
3 & 4 |
1 & 2 |
IBM486DX4 |
2 & 3 |
2 & 3 |
3 & 4 |
1 & 2 |
(SL)AM486DX4 (SV8T) |
2 & 3 |
2 & 3 |
3 & 4 |
1 & 2 |
(SL)AM486DX4 (SV8B) |
1 & 2 |
1 & 2 |
3 & 4 |
1 & 2 |
P24T |
1 & 2 |
1 & 2 |
1 & 2 |
1 & 2 |
CX 5X86 |
1 & 2 |
Open |
3 & 4 |
1 & 2 |
IBM 5X86 |
1 & 2 |
Open |
3 & 4 |
1 & 2 |
Note: Pins designated should be in the closed position. * = 3.3v, 3.45v CPU. |
CPU TYPE SELECTION (CON’T) | ||||
Type |
JP36A |
JP36B |
JP36C |
JP36D |
80486 |
2 & 3 |
2 & 3 |
2 & 3 |
2 & 3 |
80486 (WB) |
2 & 3 |
2 & 3 |
2 & 3 |
2 & 3 |
CX486DX2 * |
1 & 2 |
1 & 2 |
1 & 2 |
1 & 2 |
IBM486DX2 * |
1 & 2 |
1 & 2 |
1 & 2 |
1 & 2 |
TI486DX2 * |
1 & 2 |
1 & 2 |
1 & 2 |
1 & 2 |
CX486DX2 |
1 & 2 |
1 & 2 |
1 & 2 |
1 & 2 |
IBM486DX2 |
1 & 2 |
1 & 2 |
1 & 2 |
1 & 2 |
TI486DX2 |
1 & 2 |
1 & 2 |
1 & 2 |
1 & 2 |
(SL)AM486DX2 (SV8T) |
1 & 2 |
1 & 2 |
1 & 2 |
1 & 2 |
(SL)AM486DX2 (SV8B) |
1 & 2 |
1 & 2 |
1 & 2 |
1 & 2 |
P24C |
2 & 3 |
2 & 3 |
2 & 3 |
2 & 3 |
P24D |
2 & 3 |
2 & 3 |
2 & 3 |
2 & 3 |
AMD NV8T |
2 & 3 |
2 & 3 |
2 & 3 |
2 & 3 |
AMD NV8B |
2 & 3 |
2 & 3 |
2 & 3 |
2 & 3 |
CX486DX4 |
1 & 2 |
1 & 2 |
1 & 2 |
1 & 2 |
IBM486DX4 |
1 & 2 |
1 & 2 |
1 & 2 |
1 & 2 |
(SL)AM486DX4 (SV8T) |
1 & 2 |
1 & 2 |
1 & 2 |
1 & 2 |
(SL)AM486DX4 (SV8B) |
1 & 2 |
1 & 2 |
1 & 2 |
1 & 2 |
P24T |
2 & 3 |
2 & 3 |
2 & 3 |
2 & 3 |
CX 5X86 |
1 & 2 |
1 & 2 |
1 & 2 |
1 & 2 |
IBM 5X86 |
1 & 2 |
1 & 2 |
1 & 2 |
1 & 2 |
Note: Pins designated should be in the closed position. * = 3.3v, 3.45v CPU. |
DMA CHANNEL SELECTION | ||
Channel |
JP7 |
JP8 |
1 |
Pins 1 & 2 closed |
Pins 1 & 2 closed |
3 |
Pins 2 & 3 closed |
Pins 2 & 3 closed |