ACER, INC.

ACERALTOS 900K (M11C) (IDUN), M11C (IDUN)

Device Type

Mainboard

Processor

Pentium II

Processor Speed

233/266MHz

Chip Set

Intel 440FX

Video Chip Set

Unidentified

Maximum Onboard Memory

512MB

Maximum Video Memory

2MB

Cache

256/512KB (located on Pentium II CPU)

BIOS

Acer

Dimensions

305mm x 244mm

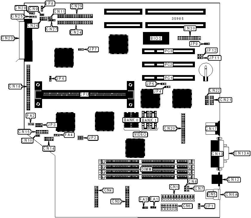
I/O Options

32-bit PCI slots (3), Ethernet 10BaseT connector, floppy drive interface, IDE interfaces (2), SCSI-2 interface, Wide SCSI interface, parallel port, PS/2 mouse port, serial ports (2), VGA feature connector, VGA port, USB connectors (2), ATX power connector

CONNECTIONS

Purpose

Location

Purpose

Location

ATX power connector

ATX

SCSI-2 interface

CN18

5v power

CN1

Floppy drive interface

CN20

RDM connector

CN3

Serial port 1

CN21

RDM connector

CN4

Serial port 2

CN22

USB connector 1

CN5

Wide SCSI interface

CN23

USB connector 2

CN5A

IDE interface 1

CN24

3.3v power

CN6

IDE interface LED

CN25

420W power connector

CN7

Reset, turbo LED keylock

CN26

250W power connector

CN8

Speaker

CN27

Chassis intrusion connector

CN9

Power LED

CN28

Thermal sensor connector

CN10

IDE interface 2

CN29

Soft off power supply

CN11

VGA feature connector

CN30

Ethernet 10BaseT connector

CN12

Chassis fan power

FA1

Parallel port

CN13

Chassis fan power

FA2

VGA port

CN13A

Chassis fan power

FA3

Redundant power supply connector

CN14

Chassis fan power

FA4

LED connector

CN15

32-bit PCI slots

PC1 - PC3

PS/2 mouse port

CN17

   

Note: The location of ATX is unidentified.

USER CONFIGURABLE SETTINGS

Function

Label

Position

»

420W enabled

JP1

Pins 1 & 2 closed

 

420W disabled

JP1

Pins 2 & 3 closed

»

Factory configured - do not alter

JP3

Unidentified

»

BIOS type select Acer

JP4

Pins 1 & 2 closed

 

BIOS type select OEM

JP4

Pins 2 & 3 closed

»

Password disabled

JP5

Pins 2 & 3 closed

 

Password enabled

JP5

Pins 1 & 2 closed

»

Termination enabled

JP6

Pins 1 & 2 closed

 

Termination switchable through SCSI select utility

JP6

Pins 2 & 3 closed

»

On board video enabled

JP7

Pins 1 & 2 closed

 

On board video disabled

JP7

Pins 2 & 3 closed

»

Buzzer enabled

JP8

Pins 1 & 2 closed

 

Buzzer disabled

JP8

Pins 2 & 3 closed

»

Software power down enabled

JP9

Pins 2 & 3 closed

 

General power supply enabled

JP9

Pins 1 & 2 closed

»

Flash BIOS write protect enabled

JP12

Pins 1 & 2 closed

 

Flash BIOS write protect disabled

JP12

Pins 2 & 3 closed

DIMM CONFIGURATION

Size

Bank 0

Bank 1

Bank 2

Bank 3

16MB

(1) 2M x 64

None

None

None

32MB

(1) 2M x 64

(1) 2M x 64

None

None

48MB

(1) 2M x 64

(1) 2M x 64

(1) 2M x 64

None

64MB

(1) 2M x 64

(1) 2M x 64

(1) 2M x 64

(1) 2M x 64

32MB

(1) 4M x 64

None

None

None

64MB

(1) 4M x 64

(1) 4M x 64

None

None

96MB

(1) 4M x 64

(1) 4M x 64

(1) 4M x 64

None

128MB

(1) 4M x 64

(1) 4M x 64

(1) 4M x 64

(1) 4M x 64

64MB

(1) 8M x 64

None

None

None

128MB

(1) 8M x 64

(1) 8M x 64

None

None

192MB

(1) 8M x 64

(1) 8M x 64

(1) 8M x 64

None

256MB

(1) 8M x 64

(1) 8M x 64

(1) 8M x 64

(1) 8M x 64

128MB

(1) 16M x 64

None

None

None

256MB

(1) 16M x 64

(1) 16M x 64

None

None

384MB

(1) 16M x 64

(1) 16M x 64

(1) 16M x 64

None

512MB

(1) 16M x 64

(1) 16M x 64

(1) 16M x 64

(1) 16M x 64

CACHE CONFIGURATION

Note: 256KB/512KB cache is located on the Pentium II CPU.

VIDEO MEMORY CONFIGURATION

Size

Bank 0

Bank 1

1MB

(2) 256K x 16

None

2MB

(2) 256K x 16

(2) 256K x 16

CPU SPEED SELECTION

CPU speed

Clock speed

Multiplier

JP2

233MHz

66MHz

3.5x

Pins 1 & 2, 4 & 5 closed

266MHz

66MHz

4x

Pins 1 & 2, 4 & 5 closed

FLASH BIOS SELECTION

Setting

JP11

»

Controlled by software

Pins 1 & 2 closed

 

5v

Open

 

12v

Pins 2 & 3 closed