ACER, INC.
AX59 PRO
Device Type |
Mainboard |
Processor |
CX 6X86/CX 6X86L/CX MII/AM K5/AM K6/AM K6-2/Pentium/ Pentium MMX |
Processor Speed |
90/100/120/133/150/166/180/200/233/266/300MHz |
Chip Set |
VIA MVP3 |
Maximum Onboard Memory |
1GB (EDO & SDRAM supported) |
Cache |
512/1024KB |
BIOS |
Award |
Dimensions |
305mm x 202mm |
I/O Options |
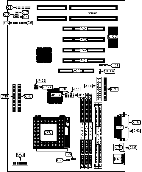
32-bit PCI slots (4), floppy drive interface, IDE interfaces (2), parallel port, PS/2 mouse port, serial ports (2), IR connector, USB connectors (2), ATX power connector, AGP slot, wake on LAN connector, wake on modem connector |
CONNECTIONS | |||
Purpose |
Location |
Purpose |
Location |
AGP slot |
AGP |
Parallel port |
CN1 |
ATX power connector |
ATX |
Serial port 2 |
CN2 |
Power LED & keylock |
C1/pins 1 - 5 |
Serial port 1 |
CN3 |
Speaker |
C1/pins 7 - 10 |
USB connector 1 |
CN4 |
Reset switch |
C1/pins 19 & 20 |
USB connector 2 |
CN5 |
Soft off power supply |
C2 |
PS/2 mouse port |
CN6 |
Wake on modem connector |
C3 |
Floppy drive interface |
CN7 |
IDE interface LED |
C4 |
IDE interface 2 |
CN8 |
Chassis fan power |
C5 |
IDE interface 1 |
CN9 |
Wake on LAN connector |
C6 |
IR connector |
IR1 |
CPU fan power |
C7 |
32-bit PCI slots |
PC1 - PC4 |
CPU fan power |
C8 |
USER CONFIGURABLE SETTINGS | |||
Function |
Label |
Position | |
» |
CMOS memory normal operation |
JP14 |
Pins 1 & 2 closed |
CMOS memory clear |
JP14 |
Pins 2 & 3 closed |
SIMM CONFIGURATION | |
Size |
Bank 0 |
8MB |
(2) 1M x 36 |
16MB |
(2) 2M x 36 |
32MB |
(2) 4M x 36 |
64MB |
(2) 8M x 36 |
128MB |
(2) 16M x 36 |
256MB |
(2) 32M x 36 |
Note: Board accepts EDO memory. |
DIMM CONFIGURATION | |||
Size |
Bank 1 |
Bank 2 |
Bank 3 |
8MB |
(1) 1M x 64 |
None |
None |
16MB |
(1) 1M x 64 |
(1) 1M x 64 |
None |
16MB |
(1) 2M x 64 |
None |
None |
24MB |
(1) 1M x 64 |
(1) 1M x 64 |
(1) 1M x 64 |
DIMM CONFIGURATION (CON'T) | |||
Size |
Bank 0 |
Bank 1 |
Bank 2 |
32MB |
(1) 2M x 64 |
(1) 2M x 64 |
None |
32MB |
(1) 4M x 64 |
None |
None |
48MB |
(1) 2M x 64 |
(1) 2M x 64 |
(1) 2M x 64 |
64MB |
(1) 4M x 64 |
(1) 4M x 64 |
None |
64MB |
(1) 8M x 64 |
None |
None |
96MB |
(1) 4M x 64 |
(1) 4M x 64 |
(1) 4M x 64 |
128MB |
(1) 8M x 64 |
(1) 8M x 64 |
None |
128MB |
(1) 16M x 64 |
None |
None |
164MB |
(1) 16M x 64 |
(1) 1M x 64 |
None |
144MB |
(1) 16M x 64 |
(1) 1M x 64 |
(1) 1M x 64 |
144MB |
(1) 16M x 64 |
(1) 2M x 64 |
None |
160MB |
(1) 16M x 64 |
(1) 2M x 64 |
(1) 2M x 64 |
160MB |
(1) 16M x 64 |
(1) 4M x 64 |
None |
192MB |
(1) 16M x 64 |
(1) 4M x 64 |
(1) 4M x 64 |
192MB |
(1) 16M x 64 |
(1) 8M x 64 |
None |
192MB |
(1) 8M x 64 |
(1) 8M x 64 |
(1) 8M x 64 |
256MB |
(1) 16M x 64 |
(1) 8M x 64 |
(1) 8M x 64 |
256MB |
(1) 16M x 64 |
(1) 16M x 64 |
None |
256MB |
(1) 32M x 64 |
None |
None |
264MB |
(1) 32M x 64 |
(1) 1M x 64 |
None |
272MB |
(1) 32M x 64 |
(1) 1M x 64 |
(1) 1M x 64 |
272MB |
(1) 32M x 64 |
(1) 2M x 64 |
None |
288MB |
(1) 32M x 64 |
(1) 2M x 64 |
(1) 2M x 64 |
288MB |
(1) 32M x 64 |
(1) 4M x 64 |
None |
320MB |
(1) 32M x 64 |
(1) 4M x 64 |
(1) 4M x 64 |
320MB |
(1) 32M x 64 |
(1) 8M x 64 |
None |
384MB |
(1) 32M x 64 |
(1) 8M x 64 |
(1) 8M x 64 |
384MB |
(1) 32M x 64 |
(1) 16M x 64 |
None |
384MB |
(1) 16M x 64 |
(1) 16M x 64 |
(1) 16M x 64 |
512MB |
(1) 32M x 64 |
(1) 16M x 64 |
(1) 16M x 64 |
512MB |
(1) 32M x 64 |
(1) 32M x 64 |
None |
768MB |
(1) 32M x 64 |
(1) 32M x 64 |
(1) 32M x 64 |
Note: Board accepts SDRAM memory. |
CACHE CONFIGURATION |
Note: The location of the cache is unidentified. |
CPU SPEED SELECTION (CX 6X86) | |||||
CPU speed |
Clock speed |
Multiplier |
SW1/1 |
SW1/2 |
SW1/3 |
150MHz |
60MHz |
2x |
On |
Off |
Off |
166MHz |
66MHz |
2x |
On |
Off |
Off |
200MHz |
75MHz |
2x |
On |
Off |
Off |
CPU SPEED SELECTION (CX 6X86, CON'T) | ||||||
CPU speed |
Clock speed |
Multiplier |
JP4 |
JP5 |
JP6 |
JP25 |
150MHz |
60MHz |
2x |
2 & 3 |
1 & 2 |
1 & 2 |
1 & 2 |
166MHz |
66MHz |
2x |
1 & 2 |
1 & 2 |
1 & 2 |
1 & 2 |
200MHz |
75MHz |
2x |
1 & 2 |
2 & 3 |
1 & 2 |
1 & 2 |
Note: Pins designated should be in the closed position. |
CPU SPEED SELECTION (CX 6X86L) | |||||
CPU speed |
Clock speed |
Multiplier |
SW1/1 |
SW1/2 |
SW1/3 |
150MHz |
60MHz |
2x |
On |
Off |
Off |
166MHz |
66MHz |
2x |
On |
Off |
Off |
200MHz |
75MHz |
2x |
On |
Off |
Off |
CPU SPEED SELECTION (CX 6X86L, CON'T) | ||||||
CPU speed |
Clock speed |
Multiplier |
JP4 |
JP5 |
JP6 |
JP25 |
150MHz |
60MHz |
2x |
2 & 3 |
1 & 2 |
1 & 2 |
1 & 2 |
166MHz |
66MHz |
2x |
1 & 2 |
1 & 2 |
1 & 2 |
1 & 2 |
200MHz |
75MHz |
2x |
1 & 2 |
2 & 3 |
1 & 2 |
1 & 2 |
Note: Pins designated should be in the closed position. |
CPU SPEED SELECTION (CX MII) | |||||
CPU speed |
Clock speed |
Multiplier |
SW1/1 |
SW1/2 |
SW1/3 |
166MHz |
60MHz |
2.5x |
On |
On |
Off |
200MHz |
66MHz |
2.5x |
On |
On |
Off |
200MHz |
75MHz |
2x |
On |
Off |
Off |
233MHz |
66MHz |
3x |
Off |
On |
Off |
233MHz |
83MHz |
2x |
On |
Off |
Off |
266MHz |
66MHz |
3.5x |
Off |
Off |
Off |
CPU SPEED SELECTION (CX MII, CON'T) | ||||||
CPU speed |
Clock speed |
Multiplier |
JP4 |
JP5 |
JP6 |
JP25 |
166MHz |
60MHz |
2.5x |
2 & 3 |
1 & 2 |
1 & 2 |
1 & 2 |
200MHz |
66MHz |
2.5x |
1 & 2 |
1 & 2 |
1 & 2 |
1 & 2 |
200MHz |
75MHz |
2x |
1 & 2 |
2 & 3 |
1 & 2 |
1 & 2 |
233MHz |
66MHz |
3x |
1 & 2 |
1 & 2 |
1 & 2 |
1 & 2 |
233MHz |
83MHz |
2x |
2 & 3 |
2 & 3 |
1 & 2 |
2 & 3 |
266MHz |
66MHz |
3.5x |
1 & 2 |
1 & 2 |
1 & 2 |
1 & 2 |
Note: Pins designated should be in the closed position. |
CPU SPEED SELECTION (IDT C6) | |||||
CPU speed |
Clock speed |
Multiplier |
SW1/1 |
SW1/2 |
SW1/3 |
150MHz |
60MHz |
2.5x |
On |
Off |
Off |
180MHz |
60MHz |
3x |
Off |
On |
Off |
200MHz |
66MHz |
3x |
Off |
On |
Off |
CPU SPEED SELECTION (IDT C6, CON'T) | ||||||
CPU speed |
Clock speed |
Multiplier |
JP4 |
JP5 |
JP6 |
JP25 |
150MHz |
60MHz |
2.5x |
1 & 2 |
2 & 3 |
1 & 2 |
1 & 2 |
180MHz |
60MHz |
3x |
2 & 3 |
1 & 2 |
1 & 2 |
1 & 2 |
200MHz |
66MHz |
3x |
1 & 2 |
1 & 2 |
1 & 2 |
1 & 2 |
CPU SPEED SELECTION (AM K5) | |||||
CPU speed |
Clock speed |
Multiplier |
SW1/1 |
SW1/2 |
SW1/3 |
90MHz |
60MHz |
1.5x |
Off |
Off |
Off |
100MHz |
66MHz |
1.5x |
Off |
Off |
Off |
120MHz |
60MHz |
1.5x |
Off |
Off |
Off |
133MHz |
66MHz |
1.5x |
Off |
Off |
Off |
166MHz |
66MHz |
1.75x |
On |
On |
Off |
CPU SPEED SELECTION (AM K5, CON'T) | ||||||
CPU speed |
Clock speed |
Multiplier |
JP4 |
JP5 |
JP6 |
JP25 |
90MHz |
60MHz |
1.5x |
2 & 3 |
1 & 2 |
1 & 2 |
1 & 2 |
100MHz |
66MHz |
1.5x |
1 & 2 |
1 & 2 |
1 & 2 |
1 & 2 |
120MHz |
60MHz |
1.5x |
2 & 3 |
1 & 2 |
1 & 2 |
1 & 2 |
133MHz |
66MHz |
1.5x |
1 & 2 |
1 & 2 |
1 & 2 |
1 & 2 |
166MHz |
66MHz |
1.75x |
1 & 2 |
1 & 2 |
1 & 2 |
1 & 2 |
Note: Pins designated should be in the closed position. |
CPU SPEED SELECTION (AM K6) | |||||
CPU speed |
Clock speed |
Multiplier |
SW1/1 |
SW1/2 |
SW1/3 |
166MHz |
66MHz |
2.5x |
On |
On |
Off |
200MHz |
66MHz |
3x |
Off |
On |
Off |
233MHz |
66MHz |
3.5x |
Off |
Off |
Off |
266MHz |
66MHz |
4x |
On |
Off |
On |
300MHz |
66MHz |
4.5x |
On |
On |
On |
CPU SPEED SELECTION (AM K6, CON'T) | ||||||
CPU speed |
Clock speed |
Multiplier |
JP4 |
JP5 |
JP6 |
JP25 |
166MHz |
66MHz |
2.5x |
1 & 2 |
1 & 2 |
1 & 2 |
1 & 2 |
200MHz |
66MHz |
3x |
1 & 2 |
1 & 2 |
1 & 2 |
1 & 2 |
233MHz |
66MHz |
3.5x |
1 & 2 |
1 & 2 |
1 & 2 |
1 & 2 |
266MHz |
66MHz |
4x |
1 & 2 |
1 & 2 |
1 & 2 |
1 & 2 |
300MHz |
66MHz |
4.5x |
1 & 2 |
1 & 2 |
1 & 2 |
1 & 2 |
Note: Pins designated should be in the closed position. |
CPU SPEED SELECTION (AM K6-2) | |||||
CPU speed |
Clock speed |
Multiplier |
SW1/1 |
SW1/2 |
SW1/3 |
300MHz |
100MHz |
3x |
Off |
On |
Off |
CPU SPEED SELECTION (AM K6-2, CON'T) | ||||||
CPU speed |
Clock speed |
Multiplier |
JP4 |
JP5 |
JP6 |
JP25 |
300MHz |
100MHz |
3x |
1 & 2 |
1 & 2 |
2 & 3 |
2 & 3 |
CPU SPEED SELECTION (INTEL) | |||||
CPU speed |
Clock speed |
Multiplier |
SW1/1 |
SW1/2 |
SW1/3 |
90MHz |
60MHz |
1.5x |
Off |
Off |
Off |
100MHz |
66MHz |
1.5x |
Off |
Off |
Off |
120MHz |
60MHz |
2x |
On |
Off |
Off |
133MHz |
66MHz |
2x |
On |
Off |
Off |
150MHz |
60MHz |
2.5x |
On |
On |
Off |
166MHz |
66MHz |
2.5x |
On |
On |
Off |
200MHz |
66MHz |
3x |
Off |
On |
Off |
CPU SPEED SELECTION (INTEL, CON'T) | ||||||
CPU speed |
Clock speed |
Multiplier |
JP4 |
JP5 |
JP6 |
JP25 |
90MHz |
60MHz |
1.5x |
2 & 3 |
1 & 2 |
1 & 2 |
1 & 2 |
100MHz |
66MHz |
1.5x |
1 & 2 |
1 & 2 |
1 & 2 |
1 & 2 |
120MHz |
60MHz |
2x |
2 & 3 |
1 & 2 |
1 & 2 |
1 & 2 |
133MHz |
66MHz |
2x |
1 & 2 |
1 & 2 |
1 & 2 |
1 & 2 |
150MHz |
60MHz |
2.5x |
2 & 3 |
1 & 2 |
1 & 2 |
1 & 2 |
166MHz |
66MHz |
2.5x |
1 & 2 |
1 & 2 |
1 & 2 |
1 & 2 |
200MHz |
66MHz |
3x |
1 & 2 |
1 & 2 |
1 & 2 |
1 & 2 |
Note: Pins designated should be in the closed position. |
CPU SPEED SELECTION (INTEL MMX) | |||||
CPU speed |
Clock speed |
Multiplier |
SW1/1 |
SW1/2 |
SW1/3 |
150MHz |
60MHz |
2.5x |
On |
On |
Off |
166MHz |
66MHz |
2.5x |
On |
On |
Off |
200MHz |
66MHz |
3x |
Off |
On |
Off |
233MHz |
66MHz |
3.5x |
Off |
Off |
Off |
CPU SPEED SELECTION (INTEL MMX, CON'T) | ||||||
CPU speed |
Clock speed |
Multiplier |
JP4 |
JP5 |
JP6 |
JP25 |
150MHz |
60MHz |
2.5x |
2 & 3 |
1 & 2 |
1 & 2 |
1 & 2 |
166MHz |
66MHz |
2.5x |
1 & 2 |
1 & 2 |
1 & 2 |
1 & 2 |
200MHz |
66MHz |
3x |
1 & 2 |
1 & 2 |
1 & 2 |
1 & 2 |
233MHz |
66MHz |
3.5x |
1 & 2 |
1 & 2 |
1 & 2 |
1 & 2 |
Note: Pins designated should be in the closed position. |
CPU VOLTAGE SELECTION | |||||
Voltage |
SW1/4 |
SW1/5 |
SW1/6 |
SW1/7 |
SW1/8 |
1.30v |
Off |
Off |
Off |
Off |
On |
1.35v |
On |
Off |
Off |
Off |
On |
1.40v |
Off |
On |
Off |
Off |
On |
1.45v |
On |
On |
Off |
Off |
On |
1.50v |
Off |
Off |
On |
Off |
On |
1.55v |
On |
Off |
On |
Off |
On |
1.60v |
Off |
On |
On |
Off |
On |
1.65v |
On |
On |
On |
Off |
On |
1.70v |
Off |
Off |
Off |
On |
On |
1.75v |
On |
Off |
Off |
On |
On |
1.80v |
Off |
On |
Off |
On |
On |
1.85v |
On |
On |
Off |
On |
On |
1.90v |
Off |
Off |
On |
On |
On |
1.95v |
On |
Off |
On |
On |
On |
2.00v |
Off |
On |
On |
On |
On |
2.05v |
On |
On |
On |
On |
On |
2.1v |
On |
Off |
Off |
Off |
Off |
2.2v |
Off |
On |
Off |
Off |
Off |
2.3v |
On |
On |
Off |
Off |
Off |
2.4v |
Off |
Off |
On |
Off |
Off |
2.5v |
On |
Off |
On |
Off |
Off |
2.6v |
Off |
On |
On |
Off |
Off |
2.7v |
On |
On |
On |
Off |
Off |
2.8v |
Off |
Off |
Off |
On |
Off |
2.9v |
On |
Off |
Off |
On |
Off |
3.0v |
Off |
On |
Off |
On |
Off |
3.1v |
On |
On |
Off |
On |
Off |
3.2v |
Off |
Off |
On |
On |
Off |
3.3v |
On |
Off |
On |
On |
Off |
3.4v |
Off |
On |
On |
On |
Off |
3.5v |
On |
On |
On |
On |
Off |
DRAM CLOCK SELECTION | ||
Setting |
JP23 |
JP24 |
DRAM CLK = CPU CLK |
Pins 1 & 2 closed |
Pins 1 & 2 closed |
DRAM CLK = AGP CLK |
Pins 2 & 3 closed |
Pins 2 & 3 closed |