A-TREND TECHNOLOGY CORPORATION
ATC-5040
Device Type |
Mainboard |
Processor |
CX 6X86L/CX 6X86MX/AM K5/AM K6/Pentium/Pentium MMX |
Processor Speed |
120/133/150/166/180/200/233MHz |
Chip Set |
Intel 430TX |
Maximum Onboard Memory |
256MB (EDO & SDRAM supported) |
Cache |
512KB |
BIOS |
Award |
Dimensions |
305mm x 210mm |
I/O Options |
32-bit PCI slots (4), floppy drive interface, green PC connector, IDE interfaces (2), parallel port, PS/2 mouse port, serial ports (2), IR connector, USB connectors (2), ATX power connector |
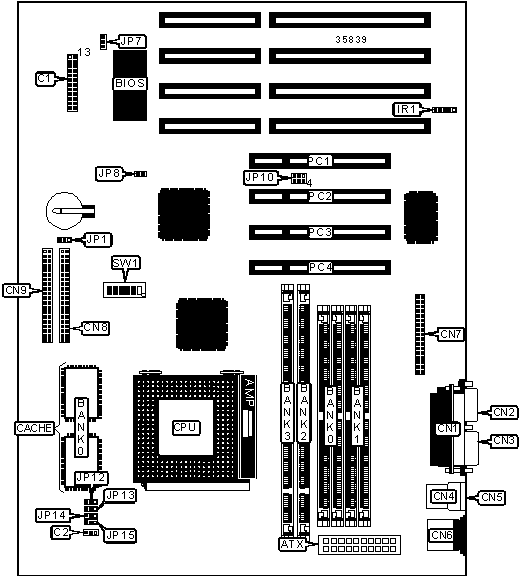
CONNECTIONS | |||
Purpose |
Location |
Purpose |
Location |
ATX power connector |
ATX |
Serial port 2 |
CN2 |
Reset switch |
C1/pins 1 & 2 |
Parallel port |
CN3 |
Green PC connector |
C1/pins 4 & 5 |
USB connector 1 |
CN4 |
Turbo LED |
C1/pins 7 & 8 |
USB connector 2 |
CN5 |
IDE interface LED |
C1/pins 10 & 11 |
PS/2 mouse port |
CN6 |
Soft off power supply |
C1/pins 12 & 24 |
Floppy drive interface |
CN7 |
Speaker |
C1/pins 13 - 16 |
IDE interface 2 |
CN8 |
Power LED & keylock |
C1/pins 18 & 20 |
IDE interface 1 |
CN9 |
Chassis fan power |
C2 |
IR connector |
IR1 |
Serial port 1 |
CN1 |
32-bit PCI slots |
PC1 - PC4 |
USER CONFIGURABLE SETTINGS | |||
Function |
Label |
Position | |
One LED mode enabled |
JP1 |
Pins 2 & 3 closed | |
Two LED mode enabled |
JP1 |
Pins 1 & 2 closed | |
» |
Factory configured - do not alter |
JP7 |
Unidentified |
» |
CMOS memory normal operation |
JP8 |
Closed |
CMOS memory clear |
JP8 |
Open | |
USB ports (2 external) |
JP10 |
Pins 1 & 2, 4& 5 closed | |
USB ports (1 internak l, 1 external) |
JP10 |
Pins 2 & 3, 5 & 6 closed | |
» |
Factory configured - do not alter |
SW1/6 |
Off |
SIMM CONFIGURATION | ||
Size |
Bank 0 |
Bank 1 |
8MB |
(2) 1M x 36 |
None |
16MB |
(2) 2M x 36 |
None |
16MB |
(2) 1M x 36 |
(2) 1M x 36 |
24MB |
(2) 2M x 36 |
(2) 1M x 36 |
32MB |
(2) 4M x 36 |
None |
32MB |
(2) 2M x 36 |
(2) 2M x 36 |
40MB |
(2) 4M x 36 |
(2) 1M x 36 |
48MB |
(2) 4M x 36 |
(2) 2M x 36 |
64MB |
(2) 8M x 36 |
None |
64MB |
(2) 4M x 36 |
(2) 4M x 36 |
SIMM CONFIGURATION (CON'T) | ||
Size |
Bank 0 |
Bank 1 |
72MB |
(2) 8M x 36 |
(2) 1M x 36 |
80MB |
(2) 8M x 36 |
(2) 2M x 36 |
96MB |
(2) 8M x 36 |
(2) 4M x 36 |
128MB |
(2) 8M x 36 |
(2) 8M x 36 |
128MB |
(2) 16M x 36 |
None |
136MB |
(2) 16M x 36 |
(2) 1M x 36 |
144MB |
(2) 16M x 36 |
(2) 2M x 36 |
160MB |
(2) 16M x 36 |
(2) 4M x 36 |
192MB |
(2) 16M x 36 |
(2) 8M x 36 |
256MB |
(2) 16M x 36 |
(2) 16M x 36 |
Note: Board accepts EDO memory. |
DIMM CONFIGURATION | ||
Size |
Bank 2 |
Bank 3 |
8MB |
(1) 1M x 64 |
None |
16MB |
(1) 2M x 64 |
None |
16MB |
(1) 1M x 64 |
(1) 1M x 64 |
24MB |
(1) 2M x 64 |
(1) 1M x 64 |
32MB |
(1) 4M x 64 |
None |
32MB |
(1) 2M x 64 |
(1) 2M x 64 |
40MB |
(1) 4M x 64 |
(1) 1M x 64 |
48MB |
(1) 4M x 64 |
(1) 2M x 64 |
64MB |
(1) 8M x 64 |
None |
64MB |
(1) 4M x 64 |
(1) 4M x 64 |
72MB |
(1) 8M x 64 |
(1) 1M x 64 |
80MB |
(1) 8M x 64 |
(1) 2M x 64 |
96MB |
(1) 8M x 64 |
(1) 4M x 64 |
128MB |
(1) 16M x 64 |
None |
128MB |
(1) 8M x 64 |
(1) 8M x 64 |
136MB |
(1) 16M x 64 |
(1) 1M x 64 |
144MB |
(1) 16M x 64 |
(1) 2M x 64 |
160MB |
(1) 16M x 64 |
(1) 4M x 64 |
192MB |
(1) 16M x 64 |
(1) 8M x 64 |
256MB |
(1) 16M x 64 |
(1) 16M x 64 |
Note: Board accepts SDRAM memory. |
CACHE CONFIGURATION | |
Size |
Bank 0 |
512KB |
(2) 64K x 32 |
CPU SPEED SELECTION (CX 6X86L) | |||||||
CPU speed |
Clock speed |
Multiplier |
SW2/1 |
SW2/2 |
SW2/3 |
SW2/4 |
SW2/5 |
150MHz |
60MHz |
2x |
On |
On |
Off |
On |
Off |
166MHz |
66MHz |
2x |
On |
On |
On |
On |
Off |
200MHz |
75MHz |
2x |
On |
Off |
On |
On |
Off |
CPU SPEED SELECTION (CX 6X86MX) | |||||||
CPU speed |
Clock speed |
Multiplier |
SW2/1 |
SW2/2 |
SW2/3 |
SW2/4 |
SW2/5 |
150MHz |
60MHz |
2x |
On |
On |
Off |
On |
Off |
166MHz |
66MHz |
2x |
On |
On |
On |
On |
Off |
166MHz |
60MHz |
2.5x |
On |
On |
Off |
On |
On |
200MHz |
66MHz |
2.5x |
On |
On |
On |
On |
On |
200MHz |
75MHz |
2x |
On |
Off |
On |
On |
Off |
CPU SPEED SELECTION (AM K5) | |||||||
CPU speed |
Clock speed |
Multiplier |
SW2/1 |
SW2/2 |
SW2/3 |
SW2/4 |
SW2/5 |
100MHz |
66MHz |
1.5x |
On |
On |
On |
Off |
Off |
120MHz |
60MHz |
1.5x |
On |
On |
Off |
Off |
Off |
133MHz |
66MHz |
1.5x |
On |
On |
On |
Off |
Off |
166MHz |
66MHz |
2.5x |
On |
On |
On |
On |
On |
CPU SPEED SELECTION (AM K6) | |||||||
CPU speed |
Clock speed |
Multiplier |
SW2/1 |
SW2/2 |
SW2/3 |
SW2/4 |
SW2/5 |
166MHz |
66MHz |
2.5x |
On |
On |
On |
On |
On |
200MHz |
66MHz |
3x |
On |
On |
On |
Off |
On |
233MHz |
66MHz |
3.5x |
On |
On |
On |
Off |
Off |
CPU SPEED SELECTION (INTEL) | |||||||
CPU speed |
Clock speed |
Multiplier |
SW2/1 |
SW2/2 |
SW2/3 |
SW2/4 |
SW2/5 |
120MHz |
60MHz |
2x |
On |
On |
Off |
On |
Off |
133MHz |
66MHz |
2x |
On |
On |
On |
On |
Off |
150MHz |
60MHz |
2.5x |
On |
On |
Off |
On |
On |
166MHz |
66MHz |
2.5x |
On |
On |
On |
On |
On |
180MHz |
60MHz |
3x |
On |
On |
Off |
Off |
On |
200MHz |
66MHz |
3x |
On |
On |
On |
Off |
On |
CPU SPEED SELECTION (INTEL MMX) | |||||||
CPU speed |
Clock speed |
Multiplier |
SW2/1 |
SW2/2 |
SW2/3 |
SW2/4 |
SW2/5 |
166MHz |
66MHz |
2.5x |
On |
On |
On |
On |
On |
200MHz |
66MHz |
3x |
On |
On |
On |
Off |
On |
233MHz |
66MHz |
3.5x |
On |
On |
On |
Off |
Off |
CPU VOLTAGE SELECTION | ||||
Voltage |
JP12 |
JP13 |
JP14 |
JP15 |
2.1v |
Pins 2 & 3 closed |
Pins 1 & 2 closed |
Pins 1 & 2 closed |
Pins 1 & 2 closed |
2.8v |
Pins 1 & 2 closed |
Pins 1 & 2 closed |
Pins 1 & 2 closed |
Pins 2 & 3 closed |
2.9v |
Pins 2 & 3 closed |
Pins 1 & 2 closed |
Pins 1 & 2 closed |
Pins 2 & 3 closed |
3.2v |
Pins 1 & 2 closed |
Pins 1 & 2 closed |
Pins 2 & 3 closed |
Pins 2 & 3 closed |
3.3v |
Pins 2 & 3 closed |
Pins 1 & 2 closed |
Pins 2 & 3 closed |
Pins 2 & 3 closed |
3.5v |
Pins 2 & 3 closed |
Pins 2 & 3 closed |
Pins 2 & 3 closed |
Pins 2 & 3 closed |