A-TREND TECHNOLOGY CORPORATION

ATC-6120 (VER. 2.00)

Device Type

Mainboard

Processor

Pentium II

Processor Speed

233/266/300/333MHz

Chip Set

Intel 440LX

Maximum Onboard Memory

768MB (EDO & SDRAM supported)

Cache

256/512KB (located on the Pentium II CPU)

BIOS

Award

Dimensions

305mm x 190mm

I/O Options

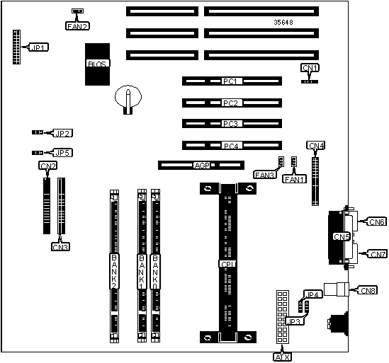
32-bit PCI slots (3), floppy drive interface, IDE interfaces (2), parallel port, PS/2 mouse port, serial ports (2), IR connector, USB connectors (2), ATX power connector, AGP slot

CONNECTIONS

Purpose

Location

Purpose

Location

AGP slot

AGP

CPU fan power

FAN3

ATX power connector

ATX

Chassis fan power

FAN2

IR connector

CN1

Reset switch

JP1/pins 1 & 2

IDE interface 1

CN2

Soft off power supply

JP1/pins 4 & 5

IDE interface 2

CN3

Turbo LED

JP1/pins 7 & 8

Parallel port

CN5

IDE interface LED

JP1/pins 10 & 11

Floppy drive interface

CN4

Speaker

JP1/pins 13 - 16

Serial port 2

CN6

Power LED & keylock

JP1/pins 19 - 22

PS/2 mouse port

CN7

PS on connector

JP1/pins 23 & 24

USB connectors

CN8

32-bit PCI slots

PC1 - PC4

CPU fan power

FAN1

   

USER CONFIGURABLE SETTINGS

Function

Label

Position

»

Wake on LAN Intel configuration

JP2

Pins 1 & 2 closed

 

Wake on LAN DEC configuration

JP2

Pins 2 & 3 closed

»

Factory configured - do not alter

JP3

Pins 1 & 2 closed

»

Factory configured - do not alter

JP4

Pins 2 & 3 closed

»

Factory configured - do not alter

JP5

Unidentified

 

SMM two LED function

JP7

Pins 2 & 3 closed

 

SMM one LED function

JP7

Pins 1 & 2 closed

DIMM CONFIGURATION

Size

Bank 0

Bank 1

Bank 2

8MB

(1) 1M x 64

None

None

16MB

(1) 2M x 64

None

None

16MB

(1) 1M x 64

(1) 1M x 64

None

24MB

(1) 2M x 64

(1) 1M x 64

None

24MB

(1) 1M x 64

(1) 1M x 64

(1) 1M x 64

32MB

(1) 4M x 64

None

None

32MB

(1) 2M x 64

(1) 2M x 64

None

32MB

(1) 2M x 64

(1) 1M x 64

(1) 1M x 64

40MB

(1) 4M x 64

(1) 1M x 64

None

48MB

(1) 4M x 64

(1) 2M x 64

None

48MB

(1) 2M x 64

(1) 2M x 64

(1) 2M x 64

48MB

(1) 4M x 64

(1) 1M x 64

(1) 1M x 64

DIMM CONFIGURATION (CONT’)

Size

Bank 0

Bank 1

Bank 2

64MB

(1) 8M x 64

None

None

64MB

(1) 4M x 64

(1) 4M x 64

None

64MB

(1) 4M x 64

(1) 2M x 64

(1) 2M x 64

72MB

(1) 8M x 64

(1) 1M x 64

None

80MB

(1) 8M x 64

(1) 2M x 64

None

80MB

(1) 8M x 64

(1) 1M x 64

(1) 1M x 64

96MB

(1) 8M x 64

(1) 4M x 64

None

96MB

(1) 4M x 64

(1) 4M x 64

(1) 4M x 64

96MB

(1) 8M x 64

(1) 2M x 64

(1) 2M x 64

128MB

(1) 16M x 64

None

None

128MB

(1) 8M x 64

(1) 8M x 64

None

128MB

(1) 8M x 64

(1) 4M x 64

(1) 4M x 64

136MB

(1) 16M x 64

(1) 1M x 64

None

144MB

(1) 16M x 64

(1) 2M x 64

None

144MB

(1) 16M x 64

(1) 1M x 64

(1) 1M x 64

160MB

(1) 16M x 64

(1) 4M x 64

None

160MB

(1) 16M x 64

(1) 2M x 64

(1) 2M x 64

192MB

(1) 16M x 64

(1) 8M x 64

None

192MB

(1) 8M x 64

(1) 8M x 64

(1) 8M x 64

192MB

(1) 16M x 64

(1) 4M x 64

(1) 4M x 64

256MB

(1) 16M x 64

(1) 16M x 64

None

256MB

(1) 16M x 64

(1) 8M x 64

(1) 8M x 64

256MB

(1) 32M x 64

None

None

264MB

(1) 32M x 64

(1) 1M x 64

(1) 1M x 64

272MB

(1) 32M x 64

(1) 2M x 64

None

272MB

(1) 32M x 64

(1) 1M x 64

None

288MB

(1) 32M x 64

(1) 4M x 64

None

288MB

(1) 32M x 64

(1) 2M x 64

(1) 2M x 64

320MB

(1) 32M x 64

(1) 8M x 64

None

320MB

(1) 32M x 64

(1) 4M x 64

(1) 4M x 64

384MB

(1) 16M x 64

(1) 16M x 64

(1) 16M x 64

384MB

(1) 32M x 64

(1) 8M x 64

(1) 8M x 64

512MB

(1) 32M x 64

(1) 32M x 64

None

768MB

(1) 32M x 64

(1) 32M x 64

(1) 32M x 64

Note: Board accepts 768MB EDO DRAM or 384MB SDRAM.

CACHE CONFIGURATION

Note: The 256/512KB cache is located on the Pentium II CPU.