ABIT COMPUTER CORPORATION
BH6
Device Type |
Mainboard |
Processor |
Pentium II/Celeron |
Processor Speed |
233/266/300/333/350/400MHz |
Chip Set |
Intel 440BX |
Maximum Onboard Memory |
386MB (EDO & SDRAM supported) |
Cache |
0/128/256/512KB (located on the CPU) |
BIOS |
Award |
Dimensions |
305mm x 190mm |
I/O Options |
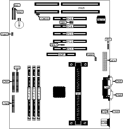
32-bit PCI slots (5), floppy drive interface, IDE interfaces (2), parallel port, PS/2 mouse port, serial ports (2), IR connector, USB connectors (2), ATX power connector, AGP slot, |
CONNECTIONS | |||
Purpose |
Location |
Purpose |
Location |
AGP slot |
AGP |
Chassis fan power |
FAN2 |
ATX power connector |
ATX |
IR connector |
IR1 |
IDE interface 2 |
CN1 |
Reset switch |
PN1/pins 1 & 2 |
IDE interface 1 |
CN2 |
Speaker |
PN1/pins 4 - 7 |
Floppy drive interface |
CN3 |
Green PC LED |
PN1/pins 9 & 10 |
Parallel port |
CN4 |
Power LED & keylock |
PN2/pins 1 - 5 |
Serial port 2 |
CN5 |
IDE interface LED |
PN2/pins 6 & 7 |
Serial port 1 |
CN6 |
Soft off power supply |
PN2/pins 8 & 9 |
USB connector 1 |
CN7 |
32-bit PCI slots |
PC1 - PC5 |
USB connector 2 |
CN8 |
SB link header |
SB1 |
PS/2 mouse port |
CN9 |
Wake on LAN connector |
WOL1 |
CPU fan power |
FAN1 |
USER CONFIGURABLE SETTINGS | |||
Function |
Label |
Position | |
» |
CMOS memory normal operation |
CCMOS1 |
Pins 1 & 2 closed |
CMOS memory clear |
CCMOS1 |
Pins 2 & 3 closed |
DIMM CONFIGURATION | |||
Size |
Bank 0 |
Bank 1 |
Bank 2 |
8MB |
(1) 1M x 64 |
None |
None |
16MB |
(1) 2M x 64 |
None |
None |
16MB |
(1) 1M x 64 |
(1) 1M x 64 |
None |
24MB |
(1) 2M x 64 |
(1) 1M x 64 |
None |
24MB |
(1) 1M x 64 |
(1) 1M x 64 |
(1) 1M x 64 |
32MB |
(1) 4M x 64 |
None |
None |
32MB |
(1) 2M x 64 |
(1) 2M x 64 |
None |
32MB |
(1) 2M x 64 |
(1) 1M x 64 |
(1) 1M x 64 |
40MB |
(1) 4M x 64 |
(1) 1M x 64 |
None |
48MB |
(1) 4M x 64 |
(1) 2M x 64 |
None |
48MB |
(1) 2M x 64 |
(1) 2M x 64 |
(1) 2M x 64 |
48MB |
(1) 4M x 64 |
(1) 1M x 64 |
(1) 1M x 64 |
DIMM CONFIGURATION (CONT’) | |||
Size |
Bank 0 |
Bank 1 |
Bank 2 |
64MB |
(1) 8M x 64 |
None |
None |
64MB |
(1) 4M x 64 |
(1) 4M x 64 |
None |
64MB |
(1) 4M x 64 |
(1) 2M x 64 |
(1) 2M x 64 |
72MB |
(1) 8M x 64 |
(1) 1M x 64 |
None |
80MB |
(1) 8M x 64 |
(1) 2M x 64 |
None |
80MB |
(1) 8M x 64 |
(1) 1M x 64 |
(1) 1M x 64 |
96MB |
(1) 8M x 64 |
(1) 4M x 64 |
None |
96MB |
(1) 4M x 64 |
(1) 4M x 64 |
(1) 4M x 64 |
96MB |
(1) 8M x 64 |
(1) 2M x 64 |
(1) 2M x 64 |
128MB |
(1) 16M x 64 |
None |
None |
128MB |
(1) 8M x 64 |
(1) 8M x 64 |
None |
128MB |
(1) 8M x 64 |
(1) 4M x 64 |
(1) 4M x 64 |
136MB |
(1) 16M x 64 |
(1) 1M x 64 |
None |
144MB |
(1) 16M x 64 |
(1) 2M x 64 |
None |
144MB |
(1) 16M x 64 |
(1) 1M x 64 |
(1) 1M x 64 |
160MB |
(1) 16M x 64 |
(1) 4M x 64 |
None |
160MB |
(1) 16M x 64 |
(1) 2M x 64 |
(1) 2M x 64 |
192MB |
(1) 16M x 64 |
(1) 8M x 64 |
None |
192MB |
(1) 8M x 64 |
(1) 8M x 64 |
(1) 8M x 64 |
192MB |
(1) 16M x 64 |
(1) 4M x 64 |
(1) 4M x 64 |
256MB |
(1) 16M x 64 |
(1) 16M x 64 |
None |
256MB |
(1) 16M x 64 |
(1) 8M x 64 |
(1) 8M x 64 |
256MB |
(1) 32M x 64 |
None |
None |
264MB |
(1) 32M x 64 |
(1) 1M x 64 |
(1) 1M x 64 |
272MB |
(1) 32M x 64 |
(1) 2M x 64 |
None |
272MB |
(1) 32M x 64 |
(1) 1M x 64 |
None |
288MB |
(1) 32M x 64 |
(1) 4M x 64 |
None |
288MB |
(1) 32M x 64 |
(1) 2M x 64 |
(1) 2M x 64 |
320MB |
(1) 32M x 64 |
(1) 8M x 64 |
None |
320MB |
(1) 32M x 64 |
(1) 4M x 64 |
(1) 4M x 64 |
384MB |
(1) 16M x 64 |
(1) 16M x 64 |
(1) 16M x 64 |
384MB |
(1) 32M x 64 |
(1) 8M x 64 |
(1) 8M x 64 |
CACHE CONFIGURATION |
The 128KB cache is located on the Celeron 300A & 333 CPU. The 256/512KB cache is located on the Pentium II CPU. |