ASUS COMPUTER INTERNATIONAL
TX97-XE (REV. 3.02)
Device Type |
Mainboard |
Processor |
CX 6X86/IBM 6X86/CX 6X86 MX/IBM 6X86MX/AM K5/AM K6/Pentium/Pentium MMX |
Processor Speed |
75/90/100/120/133/150/166/200/233MHz |
Chip Set |
Intel 430TX |
Maximum Onboard Memory |
256MB (EDO supported) |
Cache |
512KB |
BIOS |
Unidentified |
Dimensions |
305mm x 244mm |
I/O Options |
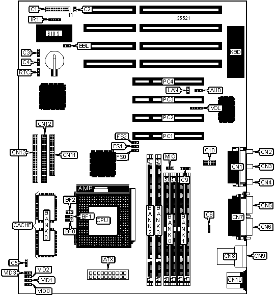
32-bit PCI slots (4), floppy drive interface, green PC connector, IDE interfaces (2), parallel port, PS/2 mouse port, serial ports (2), IR connector, USB connectors (2), ATX power connector, microphone in, line in, line out, Audio in - CD-ROM (1), game/MIDI port |
CONNECTIONS | |||
Purpose |
Location |
Purpose |
Location |
ATX power connector |
ATX |
Line in |
CN3 |
Turbo LED |
C1/pins 2 & 3 |
Line out |
CN4 |
Green PC connector |
C1/pins 4 & 5 |
Serial port 2 |
CN5 |
Reset switch |
C1/pins 9 & 10 |
Serial port 1 |
CN6 |
Power LED & keylock |
C1/pins 11 – 15 |
Parallel port |
CN7 |
Speaker |
C1/pins 17 - 20 |
USB connector 1 |
CN8 |
IDE interface LED |
C2 |
USB connector 2 |
CN9 |
Chassis alarm |
C3 |
PS/2 mouse port |
CN10 |
Chassis fan power |
C4 |
Floppy drive interface |
CN11 |
CPU fan power |
C5 |
IDE interface 2 |
CN12 |
Chassis fan power |
C6 |
IDE interface 1 |
CN13 |
Audio in - CD-ROM (Sony) |
C9 |
IR connector |
IR1 |
Creative Modem connector |
C10 |
Wake on LAN activity connector |
LAN |
Game/MIDI port |
CN1 |
32-bit PCI slots |
PC1 – PC4 |
Microphone in |
CN2 |
Volume control |
VOL |
USER CONFIGURABLE SETTINGS | |||
Function |
Label |
Position | |
» |
On board audio enabled |
AUD |
Pins 2 & 3 closed |
On board audio disabled |
AUD |
Pins 1 & 2 closed | |
Flash BIOS programming disabled |
BBL |
Pins 1 & 2 closed | |
Flash BIOS programming enabled |
BBL |
Pins 2 & 3 closed | |
» |
On board I/O enabled |
MIO |
Pins 1 & 2 closed |
On board I/O disabled |
MIO |
Pins 2 & 3 closed | |
» |
CMOS memory normal operation |
RTC |
Pins 1 & 2 closed |
CMOS memory clear |
RTC |
Pins 2 & 3 closed |
SIMM CONFIGURATION | ||
Size |
Bank 0 |
Bank 1 |
8MB |
(2) 1M x 36 |
None |
16MB |
(2) 2M x 36 |
None |
16MB |
(2) 1M x 36 |
(2) 1M x 36 |
24MB |
(2) 2M x 36 |
(2) 1M x 36 |
32MB |
(2) 4M x 36 |
None |
32MB |
(2) 2M x 36 |
(2) 2M x 36 |
40MB |
(2) 4M x 36 |
(2) 1M x 36 |
48MB |
(2) 4M x 36 |
(2) 2M x 36 |
64MB |
(2) 8M x 36 |
None |
64MB |
(2) 4M x 36 |
(2) 4M x 36 |
72MB |
(2) 8M x 36 |
(2) 1M x 36 |
80MB |
(2) 8M x 36 |
(2) 2M x 36 |
SIMM CONFIGURATION (CON’T) | ||
Size |
Bank 0 |
Bank 1 |
96MB |
(2) 8M x 36 |
(2) 4M x 36 |
128MB |
(2) 8M x 36 |
(2) 8M x 36 |
128MB |
(2) 16M x 36 |
None |
136MB |
(2) 16M x 36 |
(2) 1M x 36 |
144MB |
(2) 16M x 36 |
(2) 2M x 36 |
160MB |
(2) 16M x 36 |
(2) 4M x 36 |
192MB |
(2) 16M x 36 |
(2) 8M x 36 |
256MB |
(2) 16M x 36 |
(2) 16M x 36 |
Note: Board accepts EDO memory. Do not install SIMMS & DIMMs at the same time. |
DIMM CONFIGURATION | ||
Size |
Bank 0 |
Bank 1 |
8MB |
(1) 1M x 64 |
None |
16MB |
(1) 2M x 64 |
None |
16MB |
(1) 1M x 64 |
(1) 1M x 64 |
24MB |
(1) 2M x 64 |
(1) 1M x 64 |
32MB |
(1) 4M x 64 |
None |
32MB |
(1) 2M x 64 |
(1) 2M x 64 |
40MB |
(1) 4M x 64 |
(1) 1M x 64 |
48MB |
(1) 4M x 64 |
(1) 2M x 64 |
64MB |
(1) 8M x 64 |
None |
64MB |
(1) 4M x 64 |
(1) 4M x 64 |
72MB |
(1) 8M x 64 |
(1) 1M x 64 |
80MB |
(1) 8M x 64 |
(1) 2M x 64 |
96MB |
(1) 8M x 64 |
(1) 4M x 64 |
128MB |
(1) 16M x 64 |
None |
128MB |
(1) 8M x 64 |
(1) 8M x 64 |
136MB |
(1) 16M x 64 |
(1) 1M x 64 |
144MB |
(1) 16M x 64 |
(1) 2M x 64 |
160MB |
(1) 16M x 64 |
(1) 4M x 64 |
192MB |
(1) 16M x 64 |
(1) 8M x 64 |
256MB |
(1) 16M x 64 |
(1) 16M x 64 |
CACHE CONFIGURATION | |
Size |
Bank 0 |
512KB |
(2) 32K x 32 |
CPU SPEED SELECTION (CX 6X86) | ||||||||
CPU speed |
Clock speed |
Multiplier |
BF0 |
BF1 |
BF2 |
FS0 |
FS1 |
FS2 |
166MHz |
66MHz |
2x |
2 & 3 |
1 & 2 |
Open |
2 & 3 |
1 & 2 |
2 & 3 |
Note: Pins designated should be in the closed position. |
CPU SPEED SELECTION (IBM 6X86) | ||||||||
CPU speed |
Clock speed |
Multiplier |
BF0 |
BF1 |
BF2 |
FS0 |
FS1 |
FS2 |
166MHz |
66MHz |
2x |
2 & 3 |
1 & 2 |
Open |
2 & 3 |
1 & 2 |
2 & 3 |
Note: Pins designated should be in the closed position. |
CPU SPEED SELECTION (CX 6X86MX) | ||||||||
CPU speed |
Clock speed |
Multiplier |
BF0 |
BF1 |
BF2 |
FS0 |
FS1 |
FS2 |
166MHz |
60MHz |
2.5x |
2 & 3 |
2 & 3 |
Open |
1 & 2 |
2 & 3 |
2 & 3 |
200MHz |
66MHz |
2.5x |
2 & 3 |
2 & 3 |
Open |
2 & 3 |
1 & 2 |
2 & 3 |
233MHz |
66MHz |
3x |
1 & 2 |
2 & 3 |
Open |
2 & 3 |
1 & 2 |
2 & 3 |
Note: Pins designated should be in the closed position. |
CPU SPEED SELECTION (IBM 6X86MX) | ||||||||
CPU speed |
Clock speed |
Multiplier |
BF0 |
BF1 |
BF2 |
FS0 |
FS1 |
FS2 |
166MHz |
60MHz |
2.5x |
2 & 3 |
2 & 3 |
Open |
1 & 2 |
2 & 3 |
2 & 3 |
200MHz |
66MHz |
2.5x |
2 & 3 |
2 & 3 |
Open |
2 & 3 |
1 & 2 |
2 & 3 |
233MHz |
66MHz |
3x |
1 & 2 |
2 & 3 |
Open |
2 & 3 |
1 & 2 |
2 & 3 |
Note: Pins designated should be in the closed position. |
CPU SPEED SELECTION (AM K5) | ||||||||
CPU speed |
Clock speed |
Multiplier |
BF0 |
BF1 |
BF2 |
FS0 |
FS1 |
FS2 |
75MHz |
50MHz |
1.5x |
1 & 2 |
1 & 2 |
Open |
2 & 3 |
2 & 3 |
2 & 3 |
90MHz |
60MHz |
1.5x |
1 & 2 |
1 & 2 |
Open |
1 & 2 |
2 & 3 |
2 & 3 |
100MHz |
66MHz |
1.5x |
1 & 2 |
1 & 2 |
Open |
2 & 3 |
1 & 2 |
2 & 3 |
120MHz |
60MHz |
1.5x |
1 & 2 |
1 & 2 |
Open |
2 & 3 |
2 & 3 |
2 & 3 |
133MHz |
66MHz |
1.5x |
1 & 2 |
1 & 2 |
Open |
2 & 3 |
1 & 2 |
2 & 3 |
Note: Pins designated should be in the closed position. |
CPU SPEED SELECTION (AM K6) | ||||||||
CPU speed |
Clock speed |
Multiplier |
BF0 |
BF1 |
BF2 |
FS0 |
FS1 |
FS2 |
166MHz |
66MHz |
2.5x |
2 & 3 |
2 & 3 |
Open |
2 & 3 |
1 & 2 |
2 & 3 |
200MHz |
66MHz |
3x |
1 & 2 |
2 & 3 |
Open |
2 & 3 |
1 & 2 |
2 & 3 |
233MHz |
66MHz |
3.5x |
1 & 2 |
1 & 2 |
Open |
2 & 3 |
1 & 2 |
2 & 3 |
Note: Pins designated should be in the closed position. |
CPU SPEED SELECTION (INTEL) | ||||||||
CPU speed |
Clock speed |
Multiplier |
BF0 |
BF1 |
BF2 |
FS0 |
FS1 |
FS2 |
75MHz |
50MHz |
1.5x |
1 & 2 |
1 & 2 |
Open |
2 & 3 |
2 & 3 |
2 & 3 |
90MHz |
60MHz |
1.5x |
1 & 2 |
1 & 2 |
Open |
1 & 2 |
2 & 3 |
2 & 3 |
100MHz |
66MHz |
1.5x |
1 & 2 |
1 & 2 |
Open |
2 & 3 |
1 & 2 |
2 & 3 |
120MHz |
60MHz |
2x |
2 & 3 |
1 & 2 |
Open |
1 & 2 |
2 & 3 |
2 & 3 |
133MHz |
66MHz |
2x |
2 & 3 |
1 & 2 |
Open |
2 & 3 |
1 & 2 |
2 & 3 |
150MHz |
60MHz |
2.5x |
2 & 3 |
2 & 3 |
Open |
1 & 2 |
2 & 3 |
2 & 3 |
166MHz |
66MHz |
2.5x |
2 & 3 |
2 & 3 |
Open |
2 & 3 |
1 & 2 |
2 & 3 |
200MHz |
66MHz |
3x |
1 & 2 |
2 & 3 |
Open |
2 & 3 |
1 & 2 |
2 & 3 |
Note: Pins designated should be in the closed position. |
CPU SPEED SELECTION (INTEL MMX) | ||||||||
CPU speed |
Clock speed |
Multiplier |
BF0 |
BF1 |
BF2 |
FS0 |
FS1 |
FS2 |
166MHz |
66MHz |
2.5x |
2 & 3 |
2 & 3 |
Open |
2 & 3 |
1 & 2 |
2 & 3 |
200MHz |
66MHz |
3x |
1 & 2 |
2 & 3 |
Open |
2 & 3 |
1 & 2 |
2 & 3 |
233MHz |
66MHz |
3.5x |
1 & 2 |
1 & 2 |
Open |
2 & 3 |
1 & 2 |
2 & 3 |
Note: Pins designated should be in the closed position. |
CPU VOLTAGE SELECTION (SINGLE) | |||
Voltage |
VID0 |
VID1 |
VID2 |
3.4v |
Pins 2 & 3 closed |
Pins 2 & 3 closed |
Pins 2 & 3 closed |
3.5v |
Pins 1 & 2 closed |
Pins 2 & 3 closed |
Pins 2 & 3 closed |
CPU VOLTAGE SELECTION (DUAL) | ||||
Voltage |
VID0 |
VID1 |
VID2 |
VID3 |
1.8v |
Open |
Open |
Open |
Pins 1 & 2 closed |
1.9v |
Open |
Open |
Open |
Pins 2 & 3 closed |
2.1v |
Pins 1 & 2 closed |
Pins 2 & 3 closed |
Open |
Open |
2.5v |
Pins 1 & 2 closed |
Pins 2 & 3 closed |
Pins 1 & 2 closed |
Open |
2.7v |
Pins 1 & 2 closed |
Pins 1 & 2 closed |
Pins 1 & 2 closed |
Open |
2.8v |
Pins 2 & 3 closed |
Pins 2 & 3 closed |
Pins 2 & 3 closed |
Open |
2.9v |
Pins 1 & 2 closed |
Pins 2 & 3 closed |
Pins 2 & 3 closed |
Open |
3.2v |
Pins 2 & 3 closed |
Pins 2 & 3 closed |
Pins 1 & 2 closed |
Open |