ASUS COMPUTER INTERNATIONAL
TX97-X (REV. 3.00)
Device Type |
Mainboard |
Processor |
CX 6X86/CX 6X86MX/AM K5/AM K6/Pentium/Pentium MMX |
Processor Speed |
75/90/100/120/133/150/166/200MHz |
Chip Set |
Intel 430TX |
Audio Chip Set |
Creative Labs |
Maximum Onboard Memory |
256MB (EDO and SDRAM supported) |
Cache |
512KB |
BIOS |
Unidentified |
Dimensions |
330mm x 218mm |
I/O Options |
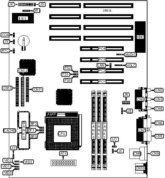
32-bit PCI slots (4), floppy drive interface, game/MIDI port, IDE interfaces (2), PS/2 mouse port, serial ports (2), IR connector, USB connectors (2), ATX power connector, line in connector, line out connector, microphone connector, CD-ROM audio interface, wake on LAN connector |
CONNECTIONS | |||
Purpose |
Location |
Purpose |
Location |
ATX power connector |
ATX |
IDE interface 1 |
CN13 |
Game/MIDI port |
CN1 |
Chassis open alarm |
COA |
Microphone in connector |
CN2 |
IR connector |
IR |
Line in connector |
CN3 |
Chassis fan power |
J1 |
Line out connector |
CN4 |
Chassis fan power |
J2 |
Serial port 1 |
CN5 |
Chassis fan power |
J3 |
Serial port 2 |
CN6 |
Front panel connector |
J4 |
Parallel port |
CN7 |
IDE interface LED |
J5 |
USB connector 1 |
CN8 |
Creative Modem connector |
J6 |
USB connector 2 |
CN9 |
Sony CD-ROM connector |
J9 |
PS/2 mouse port |
CN10 |
Wake on LAN activity connector |
LAN |
Floppy drive interface |
CN11 |
32-bit PCI slots |
PC1 – PC4 |
IDE interface 2 |
CN12 |
USER CONFIGURABLE SETTINGS | |||
Function |
Label |
Position | |
» |
On board audio enabled |
AUDIO |
Pins 2 & 3 closed |
On board audio disabled |
AUDIO |
Pins 1 & 2 closed | |
» |
Factory configured - do not alter |
BF2 |
Unidentified |
» |
Flash BIOS write protect disabled |
BBW |
Pins 1 & 2 closed |
Flash BIOS write protect enabled |
BBW |
Pins 2 & 3 closed | |
» |
On board I/O enabled |
I/O |
Pins 1 & 2 closed |
On board I/O disabled |
I/O |
Pins 2 & 3 closed | |
» |
CMOS memory normal operation |
RTC |
Pins 1 & 2 closed |
CMOS memory clear |
RTC |
Pins 2 & 3 closed | |
Volume control up |
VOLC |
Pins 1 & 2 closed | |
Volume control down |
VOLC |
Pins 4 & 5 closed |
DIMM CONFIGURATION | |||
Size |
Bank 0 |
Bank 1 |
Bank 2 |
8MB |
(1) 1M x 64 |
None |
None |
16MB |
(1) 2M x 64 |
None |
None |
16MB |
(1) 1M x 64 |
(1) 1M x 64 |
None |
24MB |
(1) 2M x 64 |
(1) 1M x 64 |
None |
24MB |
(1) 1M x 64 |
(1) 1M x 64 |
(1) 1M x 64 |
32MB |
(1) 4M x 64 |
None |
None |
32MB |
(1) 2M x 64 |
(1) 2M x 64 |
None |
32MB |
(1) 1M x 64 |
(1) 1M x 64 |
(1) 2M x 64 |
40MB |
(1) 4M x 64 |
(1) 1M x 64 |
None |
40MB |
(1) 2M x 64 |
(1) 2M x 64 |
(1) 1M x 64 |
48MB |
(1) 4M x 64 |
(1) 2M x 64 |
None |
48MB |
(1) 2M x 64 |
(1) 2M x 64 |
(1) 2M x 64 |
DIMM CONFIGURATION (CON’T) | |||
Size |
Bank 0 |
Bank 1 |
Bank 2 |
48MB |
(1) 1M x 64 |
(1) 1M x 64 |
(1) 4M x 64 |
64MB |
(1) 8M x 64 |
None |
None |
64MB |
(1) 4M x 64 |
(1) 4M x 64 |
None |
72MB |
(1) 8M x 64 |
(1) 1M x 64 |
None |
72MB |
(1) 4M x 64 |
(1) 4M x 64 |
(1) 1M x 64 |
80MB |
(1) 8M x 64 |
(1) 2M x 64 |
None |
80MB |
(1) 4M x 64 |
(1) 4M x 64 |
(1) 2M x 64 |
96MB |
(1) 8M x 64 |
(1) 4M x 64 |
None |
96MB |
(1) 4M x 64 |
(1) 4M x 64 |
(1) 4M x 64 |
128MB |
(1) 8M x 64 |
(1) 8M x 64 |
None |
128MB |
(1) 16M x 64 |
None |
None |
136MB |
(1) 16M x 64 |
(1) 1M x 64 |
None |
144MB |
(1) 16M x 64 |
(1) 2M x 64 |
None |
160MB |
(1) 16M x 64 |
(1) 4M x 64 |
None |
192MB |
(1) 16M x 64 |
(1) 8M x 64 |
None |
256MB |
(1) 16M x 64 |
(1) 16M x 64 |
None |
256MB |
(1) 32M x 64 |
None |
None |
CACHE CONFIGURATION | |
Size |
Bank 0 |
256KB |
(2) 32K x 32 |
512KB |
(2) 64K x 32 |
CPU SPEED SELECTION (CX 6X86) | |||||||
CPU speed |
Clock speed |
Multiplier |
BF0 |
BF1 |
FS0 |
FS1 |
FS2 |
166MHz |
66MHz |
2x |
2 & 3 |
1 & 2 |
1 & 2 |
2 & 3 |
2 & 3 |
Note: Pins designated should be in the closed position. |
CPU SPEED SELECTION (CX 6X86MX) | |||||||
CPU speed |
Clock speed |
Multiplier |
BF0 |
BF1 |
FS0 |
FS1 |
FS2 |
150MHz |
60MHz |
2.5x |
2 & 3 |
2 & 3 |
2 & 3 |
2 & 3 |
2 & 3 |
166MHz |
66MHz |
2.5x |
2 & 3 |
2 & 3 |
2 & 3 |
2 & 3 |
1 & 2 |
200MHz |
66MHz |
3x |
2 & 3 |
1 & 2 |
2 & 3 |
2 & 3 |
1 & 2 |
Note: Pins designated should be in the closed position. |
CPU SPEED SELECTION (AM K5) | |||||||
CPU speed |
Clock speed |
Multiplier |
BF0 |
BF1 |
FS0 |
FS1 |
FS2 |
75MHz |
50MHz |
1.5x |
1 & 2 |
1 & 2 |
2 & 3 |
1 & 2 |
2 & 3 |
90MHz |
60MHz |
1.5x |
1 & 2 |
1 & 2 |
2 & 3 |
2 & 3 |
2 & 3 |
100MHz |
66MHz |
1.5x |
1 & 2 |
1 & 2 |
1 & 2 |
2 & 3 |
2 & 3 |
120MHz |
60MHz |
1.5x |
1 & 2 |
1 & 2 |
2 & 3 |
2 & 3 |
2 & 3 |
133MHz |
66MHz |
1.5x |
1 & 2 |
1 & 2 |
1 & 2 |
2 & 3 |
2 & 3 |
Note: Pins designated should be in the closed position. |
CPU SPEED SELECTION (AM K6) | |||||||
CPU speed |
Clock speed |
Multiplier |
BF0 |
BF1 |
FS0 |
FS1 |
FS2 |
166MHz |
66MHz |
2x |
2 & 3 |
2 & 3 |
2 & 3 |
2 & 3 |
1 & 2 |
200MHz |
66MHz |
3x |
2 & 3 |
1 & 2 |
2 & 3 |
2 & 3 |
1 & 2 |
233MHz |
66MHz |
3.5x |
1 & 2 |
1 & 2 |
2 & 3 |
2 & 3 |
1 & 2 |
Note: Pins designated should be in the closed position. |
CPU SPEED SELECTION (INTEL) | |||||||
CPU speed |
Clock speed |
Multiplier |
BF0 |
BF1 |
FS0 |
FS1 |
FS2 |
75MHz |
50MHz |
1.5x |
1 & 2 |
1 & 2 |
2 & 3 |
1 & 2 |
2 & 3 |
90MHz |
60MHz |
1.5x |
1 & 2 |
1 & 2 |
2 & 3 |
2 & 3 |
2 & 3 |
100MHz |
66MHz |
1.5x |
1 & 2 |
1 & 2 |
1 & 2 |
2 & 3 |
2 & 3 |
120MHz |
60MHz |
2x |
2 & 3 |
1 & 2 |
2 & 3 |
2 & 3 |
2 & 3 |
133MHz |
66MHz |
2x |
2 & 3 |
1 & 2 |
1 & 2 |
2 & 3 |
2 & 3 |
150MHz |
60MHz |
2.5x |
2 & 3 |
2 & 3 |
2 & 3 |
2 & 3 |
2 & 3 |
166MHz |
66MHz |
2.5x |
2 & 3 |
2 & 3 |
1 & 2 |
2 & 3 |
2 & 3 |
200MHz |
66MHz |
3x |
1 & 2 |
2 & 3 |
1 & 2 |
2 & 3 |
2 & 3 |
Note: Pins designated should be in the closed position. |
CPU SPEED SELECTION (INTELMMX) | |||||||
CPU speed |
Clock speed |
Multiplier |
BF0 |
BF1 |
FS0 |
FS1 |
FS2 |
166MHz |
66MHz |
2.5x |
2 & 3 |
2 & 3 |
1 & 2 |
2 & 3 |
2 & 3 |
200MHz |
66MHz |
3x |
1 & 2 |
2 & 3 |
1 & 2 |
2 & 3 |
2 & 3 |
233MHz |
66MHz |
3.5x |
1 & 2 |
1 & 2 |
1 & 2 |
2 & 3 |
2 & 3 |
Note: Pins designated should be in the closed position. |
CPU VOLTAGE SELECTION (SINGLE) | ||||
Voltage |
VID0 |
VID1 |
VID2 |
VID3 |
3.4v |
Pins 2 & 3 closed |
Open |
Pins 2 & 3 closed |
Open |
3.5v |
Pins 1 & 2 closed |
Open |
Pins 2 & 3 closed |
Open |
CPU VOLTAGE SELECTION (DUAL) | |||||
V I/O |
V core |
VID0 |
VID1 |
VID2 |
VID3 |
1.8v |
3.3v |
Open |
Open |
Open |
Pins 1 & 2 closed |
1.9v |
3.3v |
Open |
Open |
Open |
Pins 2 & 3 closed |
2.1v |
3.3v |
Pins 1 & 2 closed |
Pins 2 & 3 closed |
Open |
Open |
2.5v |
3.3v |
Pins 1 & 2 closed |
Pins 2 & 3 closed |
Pins 1 & 2 closed |
Open |
2.7v |
3.3v |
Pins 1 & 2 closed |
Pins 1 & 2 closed |
Pins 1 & 2 closed |
Open |
2.8v |
3.3v |
Pins 2 & 3 closed |
Pins 2 & 3 closed |
Pins 2 & 3 closed |
Open |
2.9v |
3.3v |
Pins 1 & 2 closed |
Pins 2 & 3 closed |
Pins 2 & 3 closed |
Open |
3.2v |
3.3v |
Pins 2 & 3 closed |
Pins 2 & 3 closed |
Pins 1 & 2 closed |
Open |