ACER, INC.
AX53
Device Type |
Mainboard |
Processor |
CX 6X86/AM K5/AM K6/Pentium/Pentium MMX |
Processor Speed |
75/90/100/120/133/150/166/200MHz |
Chip Set |
Intel |
Video Chip Set |
None |
Maximum Onboard Memory |
512MB (EDO & SDRAM supported) |
Maximum Video Memory |
None |
Cache |
256/512KB |
BIOS |
AMI |
Dimensions |
284mm x 208mm |
I/O Options |
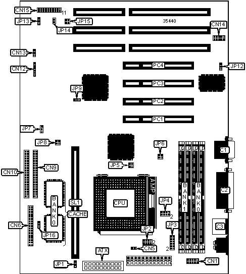
32-bit PCI slots (4), floppy drive interface, green PC connector, IDE interfaces (2), parallel port, PS/2 mouse port, serial ports (2), cache slot, IR connector, USB connector, ATX power connector |
NPU Options |
None |
CONNECTIONS | |||
Purpose |
Location |
Purpose |
Location |
ATX power connector |
ATX |
IDE interface LED |
CN13 |
Serial port 2 |
C1 |
USB connector |
CN14 |
Parallel port |
C2 |
Power LED & keylock |
CN15/pins 1 - 5 |
PS/2 mouse port |
C3 |
Speaker |
CN15/pins 7 - 10 |
Serial port 1 |
CN1 |
Green PC LED |
CN15/pins 12 & 13 |
CPU fan power |
CN5 |
Green PC connector |
CN15/pins 15 - 17 |
Floppy drive interface |
CN6 |
Reset switch |
CN15/pins 19 & 20 |
IDE interface 2 |
CN9 |
32-bit PCI slots |
PC1 - PC4 |
IDE interface 1 |
CN10 |
Cache slot |
SL1 |
IR connector |
CN12 |
USER CONFIGURABLE SETTINGS | |||
Function |
Label |
Position | |
» |
ATX power supply enabled |
JP1 |
Pins 2 & 3 closed |
ATX power supply disabled |
JP1 |
Pins 1 & 2 closed | |
» |
CMOS memory normal operation |
JP9 |
Pins 1 & 2 closed |
CMOS memory clear |
JP9 |
Pins 2 & 3 closed | |
» |
On board I/O enabled |
JP12 |
Pins 1 & 2 closed |
On board I/O disabled |
JP12 |
Pins 2 & 3 closed | |
» |
Factory configured - do not alter |
JP13 |
Unidentified |
» |
PS/2 mouse enabled |
JP14 |
Closed |
PS/2 mouse disabled |
JP14 |
Open | |
» |
Keyboard clock select ISA clock |
JP15 |
Pins 1 & 2 closed |
Keyboard clock select 12MHz |
JP15 |
Pins 3 & 4 closed |
SIMM CONFIGURATION | ||
Size |
Bank 0 |
Bank 1 |
8MB |
(2) 1M x 36 |
None |
16MB |
(2) 2M x 36 |
None |
16MB |
(2) 1M x 36 |
(2) 1M x 36 |
24MB |
(2) 2M x 36 |
(2) 1M x 36 |
32MB |
(2) 4M x 36 |
None |
32MB |
(2) 2M x 36 |
(2) 2M x 36 |
40MB |
(2) 4M x 36 |
(2) 1M x 36 |
48MB |
(2) 4M x 36 |
(2) 2M x 36 |
64MB |
(2) 8M x 36 |
None |
64MB |
(2) 4M x 36 |
(2) 4M x 36 |
72MB |
(2) 8M x 36 |
(2) 1M x 36 |
SIMM CONFIGURATION (CON'T) | ||
Size |
Bank 0 |
Bank 1 |
80MB |
(2) 8M x 36 |
(2) 2M x 36 |
96MB |
(2) 8M x 36 |
(2) 4M x 36 |
128MB |
(2) 8M x 36 |
(2) 8M x 36 |
128MB |
(2) 16M x 36 |
None |
136MB |
(2) 16M x 36 |
(2) 1M x 36 |
144MB |
(2) 16M x 36 |
(2) 2M x 36 |
160MB |
(2) 16M x 36 |
(2) 4M x 36 |
192MB |
(2) 16M x 36 |
(2) 8M x 36 |
256MB |
(2) 16M x 36 |
(2) 16M x 36 |
256MB |
(2) 32M x 36 |
None |
264MB |
(2) 32M x 36 |
(2) 1M x 36 |
272MB |
(2) 32M x 36 |
(2) 2M x 36 |
288MB |
(2) 32M x 36 |
(2) 4M x 36 |
320MB |
(2) 32M x 36 |
(2) 8M x 36 |
384MB |
(2) 32M x 36 |
(2) 16M x 36 |
512MB |
(2) 32M x 36 |
(2) 32M x 36 |
Note: Board accepts EDO memory. |
CACHE CONFIGURATION | ||
Size |
Bank 0 |
SL1 |
256KB |
(2) 32K x 32 |
Not installed |
512KB |
(2) 32K x 32 |
256KB module installed |
CACHE JUMPER CONFIGURATION | |
Size |
JP7 |
256KB |
Pins 1 & 2 closed |
512KB |
Pins 2 & 3 closed |
CACHE MODULE CONFIGURATION | |
Type |
JP16 |
Module with TAG |
Pins 2 & 3 closed |
Module without TAG |
Pins 1 & 2 closed |
CPU SPEED SELECTION (CX 6X86) | ||||||
CPU speed |
Clock speed |
Multiplier |
JP2 |
JP4 |
JP5 |
JP8 |
120MHz |
50MHz |
2x |
Open |
1 & 2, 3 & 4, 5 & 6 |
Open |
1 & 2, 3 & 4 |
133MHz |
55MHz |
2x |
Open |
1 & 2, 3 & 4, 5 & 6 |
Open |
Open |
150MHz |
60MHz |
2x |
Open |
1 & 2, 3 & 4, 5 & 6 |
Open |
1 & 2 |
Note: Pins designated should be in the closed position. |
CPU SPEED SELECTION (AM K5) | ||||||
CPU speed |
Clock speed |
Multiplier |
JP2 |
JP4 |
JP5 |
JP8 |
75MHz |
50MHz |
1.5x |
1 & 2 |
1 & 2, 3 & 4, 5 & 6 |
Open |
1 & 2, 3 & 4 |
90MHz |
60MHz |
1.5x |
1 & 2 |
1 & 2, 3 & 4, 5 & 6 |
Open |
1 & 2 |
100MHz |
66MHz |
1.5x |
1 & 2 |
1 & 2, 3 & 4, 5 & 6 |
Open |
3 & 4 |
Note: Pins designated should be in the closed position. |
CPU SPEED SELECTION (INTEL) | ||||||
CPU speed |
Clock speed |
Multiplier |
JP2 |
JP4 |
JP5 |
JP8 |
75MHz |
50MHz |
1.5x |
1 & 2, 3 & 4 |
1 & 2, 3 & 4, 5 & 6 |
Open |
1 & 2, 3 & 4 |
90MHz |
60MHz |
1.5x |
1 & 2, 3 & 4 |
1 & 2, 3 & 4, 5 & 6 |
Open |
1 & 2 |
100MHz |
66MHz |
1.5x |
1 & 2, 3 & 4 |
1 & 2, 3 & 4, 5 & 6 |
Open |
3 & 4 |
120MHz |
60MHz |
2x |
3 & 4, 5 & 6 |
1 & 2, 3 & 4, 5 & 6 |
Open |
1 & 2 |
133MHz |
66MHz |
2x |
3 & 4, 5 & 6 |
1 & 2, 3 & 4, 5 & 6 |
Open |
3 & 4 |
150MHz |
60MHz |
2.5x |
5 & 6, 7 & 8 |
1 & 2, 3 & 4, 5 & 6 |
Open |
1 & 2 |
166MHz |
66MHz |
2.5x |
5 & 6, 7 & 8 |
1 & 2, 3 & 4, 5 & 6 |
Open |
3 & 4 |
200MHz |
66MHz |
3x |
1 & 2, 7 & 8 |
1 & 2, 3 & 4, 5 & 6 |
Open |
3 & 4 |
Note: Pins designated should be in the closed position. |
CPU SPEED SELECTION (INTEL MMX) | ||||||
CPU speed |
Clock speed |
Multiplier |
JP2 |
JP4 |
JP5 |
JP8 |
150MHz |
60MHz |
2.5x |
5 & 6, 7 & 8 |
Open |
1 & 2, 3 & 4 |
1 & 2 |
166MHz |
66MHz |
2.5x |
5 & 6, 7 & 8 |
Open |
1 & 2, 3 & 4 |
3 & 4 |
200MHz |
66MHz |
3x |
1 & 2, 7 & 8 |
Open |
1 & 2, 3 & 4 |
3 & 4 |
Note: Pins designated should be in the closed position. |
CPU VOLTAGE SELECTION (SINGLE) | ||
Voltage |
JP6 | |
» |
3.45v |
Pins 1 & 2 closed |
3.52v |
Pins 3 & 4 closed |
CPU VOLTAGE SELECTION (DUAL) | ||
V core |
JP3 | |
2.5v |
Pins 11 & 12 closed | |
2.7v |
Pins 9 & 10 closed | |
2.8v |
Pins 7 & 8 closed | |
2.9v |
Pins 5 & 6 closed | |
» |
3.43v |
Pins 3 & 4 closed |
3.52v |
Pins 1 & 2 closed |