ACER, INC.
AX65
Device Type |
Mainboard |
Processor |
Pentium Pro |
Processor Speed |
150/166/180/200MHz |
Chip Set |
Intel |
Video Chip Set |
None |
Maximum Onboard Memory |
512MB (EDO supported) |
Maximum Video Memory |
None |
Cache |
256/512KB (located on Pentium Pro CPU) |
BIOS |
Award |
Dimensions |
305mm x 244mm |
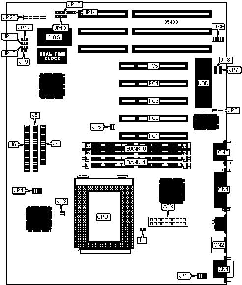
I/O Options |
32-bit PCI slots (5), floppy drive interface, green PC connector, IDE interfaces (2), parallel port, PS/2 mouse port, serial ports (2), IR connector, USB interface, ATX power connector |
NPU Options |
None |
CONNECTIONS |
|||
Purpose |
Location |
Purpose |
Location |
ATX power connector |
ATX |
IDE interface LED |
JP15 |
Serial port 1 |
CN1 |
Soft off power supply |
JP23/pins 1 & 2 |
PS/2 mouse port |
CN2 |
Power LED |
JP23/pins 3 - 5 |
Parallel port |
CN4 |
Speaker |
JP23/pins 7 - 10 |
Serial port 2 |
CN5 |
Green PC LED |
JP23/pins 12 & 13 |
Chassis fan power |
J1 |
Green PC connector |
JP23/pins 15 - 17 |
Floppy drive interface |
J4 |
Reset switch |
JP23/pins 19 & 20 |
IDE interface 1 |
J5 |
32-bit PCI slots |
PC1 - PC5 |
IDE interface 2 |
J6 |
USB interface |
USB |
IR connector |
JP13 |
|
|
USER CONFIGURABLE SETTINGS |
|||
Function |
Label |
Position |
|
» |
On board I/O enabled |
JP6 |
Pins 2 & 3 closed |
|
On board I/O disabled |
JP6 |
Pins 1 & 2 closed |
» |
Keyboard clock select ISA clock |
JP7 |
Pins 2 & 3 closed |
|
Keyboard clock select 12MHz |
JP7 |
Pins 1 & 2 closed |
» |
PS/2 mouse enabled |
JP8 |
Pins 1 & 2 closed |
|
PS/2 mouse disabled |
JP8 |
Pins 2 & 3 closed |
» |
Factory configured - do not alter |
JP9 |
Unidentified |
» |
CMOS memory normal operation |
JP10 |
Pins 2 & 3 closed |
|
CMOS memory clear |
JP10 |
Pins 1 & 2 closed |
|
Power switch type select toggle |
JP14 |
Pins 2 & 3 closed |
|
Power switch type select momentary |
JP14 |
Pins 1 & 2, 3 & 4 closed |
SIMM CONFIGURATION |
||
Size |
Bank 0 |
Bank 1 |
8MB |
(2) 1M x 36 |
None |
16MB |
(2) 2M x 36 |
None |
16MB |
(2) 1M x 36 |
(2) 1M x 36 |
24MB |
(2) 2M x 36 |
(2) 1M x 36 |
32MB |
(2) 4M x 36 |
None |
32MB |
(2) 2M x 36 |
(2) 2M x 36 |
40MB |
(2) 4M x 36 |
(2) 1M x 36 |
48MB |
(2) 4M x 36 |
(2) 2M x 36 |
64MB |
(2) 8M x 36 |
None |
64MB |
(2) 4M x 36 |
(2) 4M x 36 |
72MB |
(2) 8M x 36 |
(2) 1M x 36 |
SIMM CONFIGURATION (CON'T) |
||
Size |
Bank 0 |
Bank 1 |
80MB |
(2) 8M x 36 |
(2) 2M x 36 |
96MB |
(2) 8M x 36 |
(2) 4M x 36 |
128MB |
(2) 8M x 36 |
(2) 8M x 36 |
128MB |
(2) 16M x 36 |
None |
136MB |
(2) 16M x 36 |
(2) 1M x 36 |
144MB |
(2) 16M x 36 |
(2) 2M x 36 |
160MB |
(2) 16M x 36 |
(2) 4M x 36 |
192MB |
(2) 16M x 36 |
(2) 8M x 36 |
256MB |
(2) 16M x 36 |
(2) 16M x 36 |
256MB |
(2) 32M x 36 |
None |
264MB |
(2) 32M x 36 |
(2) 1M x 36 |
272MB |
(2) 32M x 36 |
(2) 2M x 36 |
288MB |
(2) 32M x 36 |
(2) 4M x 36 |
320MB |
(2) 32M x 36 |
(2) 8M x 36 |
384MB |
(2) 32M x 36 |
(2) 16M x 36 |
512MB |
(2) 32M x 36 |
(2) 32M x 36 |
Note: Board accepts EDO memory. |
CACHE CONFIGURATION |
Note: 256KB/512KB cache is located on the Pentium Pro CPU. |
CPU SPEED SELECTION |
|||||
CPU speed |
Clock speed |
Multiplier |
JP3 |
JP4 |
JP5 |
150MHz |
60MHz |
2.5x |
3 & 4 |
3 & 4, 5 & 6, 7 & 8 |
3 & 4 |
166MHz |
66MHz |
2.5x |
1 & 2 |
3 & 4, 5 & 6, 7 & 8 |
1 & 2 |
180MHz |
60MHz |
3x |
3 & 4 |
1 & 2, 3 & 4, 7 & 8 |
3 & 4 |
200MHz |
66MHz |
3x |
1 & 2 |
1 & 2, 3 & 4, 7 & 8 |
1 & 2 |
Note: Pins designated should be in the closed position. |
CPU VOLTAGE SELECTION |
||
Voltage |
JP1 |
|
» |
Auto detect |
Open |
|
2.1v |
Pins 1 & 2 closed |
|
2.2v |
Pins 3 & 4 closed |
|
2.3v |
Pins 1 & 2, 3 & 4 closed |
|
2.4v |
Pins 5 & 6 closed |
|
2.5v |
Pins 1 & 2, 5 & 6 closed |
|
2.6v |
Pins 3 & 4, 5 & 6 closed |
|
2.7v |
Pins 1 & 2, 3 & 4, 5 & 6 closed |
|
2.8v |
Pins 7 & 8 closed |
|
2.9v |
Pins 1 & 2, 7 & 8 closed |
|
3.0v |
Pins 3 & 4, 7 & 8 closed |
|
3.1v |
Pins 1 & 2, 3 & 4, 7 & 8 closed |
|
3.2v |
Pins 5 & 6, 7 & 8 closed |
|
3.3v |
Pins 1 & 2, 5 & 6, 7 & 8 closed |
|
3.4v |
Pins 3 & 4, 5 & 6, 7 & 8 closed |
|
3.5v |
Pins 1 & 2, 3 & 4, 5 & 6, 7 & 8 closed |
FLASH BIOS SELECTION |
|||
Setting |
JP11 |
JP12 |
|
» |
Enabled |
Pins 1 & 2 closed |
Pins 1 & 2 closed |
|
Disabled |
Pins 2 & 3 closed |
Pins 2 & 3 closed |