AVT INDUSTRIAL, LTD.
586 GXM-AVX
Device Type |
Mainboard |
Processor |
CX GXM |
Processor Speed |
200/233/266MHz |
Chip Set |
Cyrix |
Video Chip Set |
Unidentified |
Maximum Onboard Memory |
128MB |
Maximum Video Memory |
Unidentified |
Cache |
None |
BIOS |
Award |
Dimensions |
220mm x 220mm |
I/O Options |
32-bit PCI slots (2), floppy drive interface, game interface, IDE interfaces (2), parallel port, PS/2 mouse interface, serial ports (2), VGA interface, audio in – CD-ROMs (2), |
NPU Options |
None |
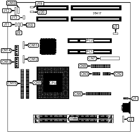
CONNECTIONS | |||
Purpose |
Location |
Purpose |
Location |
Serial port 1 |
CN2 |
Audio in – CD-ROM |
CN14 |
Serial port 2 |
CN3 |
IDE interface 2 |
CN15 |
Floppy drive interface |
CN4 |
PS/2 mouse interface |
J2 |
Video connector |
CN7 |
IDE interface LED |
J9 |
Parallel port |
CN8 |
Reset switch |
J11 |
IDE interface 1 |
CN9 |
Power LED & keylock |
J12 |
Speaker |
CN10 |
Digital input connector |
J19 |
Game interface |
CN11 |
Digital output connector |
J20 |
Sound board connector |
CN12 |
32-bit PCI slots |
PC1 – PC2 |
Audio in – CD-ROM |
CN13 |
USER CONFIGURABLE SETTINGS | |||
Function |
Label |
Position | |
» |
CMOS memory normal operation |
J1 |
Pins 1 & 2 closed |
CMOS memory clear |
J1 |
Pins 2 & 3 closed | |
» |
Factory configured - do not alter |
J3 |
Unidentified |
» |
Factory configured - do not alter |
J10 |
Unidentified |
» |
Factory configured - do not alter |
J13 |
Unidentified |
DIMM CONFIGURATION | ||
Size |
Bank 0 |
Bank 1 |
8MB |
(1) 1M x 64 |
None |
16MB |
(1) 2M x 64 |
None |
16MB |
(1) 1M x 64 |
(1) 1M x 64 |
24MB |
(1) 2M x 64 |
(1) 1M x 64 |
32MB |
(1) 4M x 64 |
None |
32MB |
(1) 2M x 64 |
(1) 2M x 64 |
40MB |
(1) 4M x 64 |
(1) 1M x 64 |
48MB |
(1) 4M x 64 |
(1) 2M x 64 |
64MB |
(1) 8M x 64 |
None |
64MB |
(1) 4M x 64 |
(1) 4M x 64 |
72MB |
(1) 8M x 64 |
(1) 1M x 64 |
80MB |
(1) 8M x 64 |
(1) 2M x 64 |
96MB |
(1) 8M x 64 |
(1) 4M x 64 |
128MB |
(1) 8M x 64 |
(1) 8M x 64 |