ASUS COMPUTER INTERNATIONAL
P2L97A (REV. 1.03 VIDEO)
Device Type |
Mainboard |
Processor |
Pentium II |
Processor Speed |
233/266/300MHz |
Chip Set |
Intel |
Video Chip Set |
ATI |
Maximum Onboard Memory |
384MB (EDO & SDRAM supported) |
Maximum Video Memory |
4MB |
Cache |
256/512KB (located on Pentium II CPU) |
BIOS |
Unidentified |
Dimensions |
305mm x 244mm |
I/O Options |
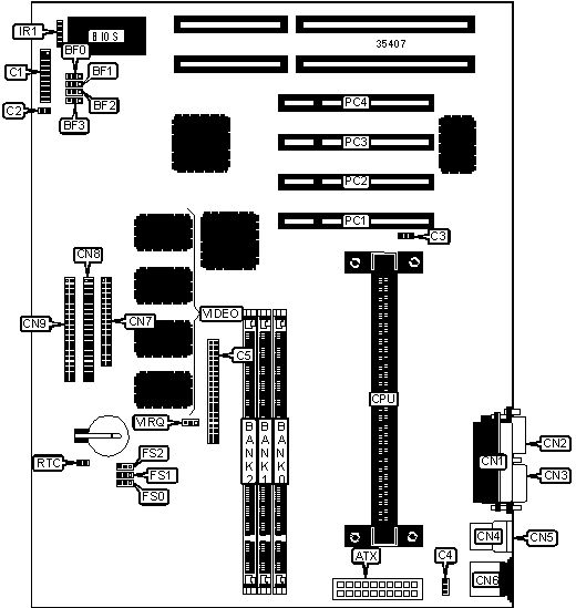
32-bit PCI slots (4), floppy drive interface, green PC connector, IDE interfaces (2), parallel port, PS/2 mouse port, serial port, VGA port, IR connector, USB connectors (2), ATX power connector, AMC connector |
NPU Options |
None |
CONNECTIONS |
|||
Purpose |
Location |
Purpose |
Location |
ATX power connector |
ATX |
Parallel port |
CN1 |
Power LED & keylock |
C1/pins 1 - 5 |
VGA port |
CN2 |
Speaker |
C1/pins 7 - 10 |
Serial port |
CN3 |
Message LED |
C1/pins 12 & 13 |
USB connector 1 |
CN4 |
Green PC connector |
C1/pins 14 & 15 |
USB connector 2 |
CN5 |
Soft off power supply |
C1/pins 16 & 17 |
PS/2 mouse port |
CN6 |
Reset switch |
C1/pins 19 & 20 |
Floppy drive interface |
CN7 |
IDE interface LED |
C2 |
IDE interface 2 |
CN8 |
Wake on LAN connector |
C3 |
IDE interface 1 |
CN9 |
CPU fan power |
C4 |
IR connector |
IR1 |
AMC connector |
C5 |
32-bit PCI slots |
PC1 - PC4 |
USER CONFIGURABLE SETTINGS |
|||
Function |
Label |
Position |
|
» |
CMOS memory normal operation |
RTC |
Open |
|
CMOS memory clear |
RTC |
Closed |
» |
VRA IRQ disabled |
VIRQ |
Pins 1 & 2 closed |
|
VRA IRQ enabled |
VIRQ |
Pins 2 & 3 closed |
DIMM CONFIGURATION |
|||
Size |
Bank 0 |
Bank 1 |
Bank 2 |
8MB |
(1) 1M x 64 |
None |
None |
16MB |
(1) 2M x 64 |
None |
None |
16MB |
(1) 1M x 64 |
(1) 1M x 64 |
None |
24MB |
(1) 2M x 64 |
(1) 1M x 64 |
None |
24MB |
(1) 1M x 64 |
(1) 1M x 64 |
(1) 1M x 64 |
32MB |
(1) 4M x 64 |
None |
None |
32MB |
(1) 2M x 64 |
(1) 1M x 64 |
(1) 1M x 64 |
32MB |
(1) 2M x 64 |
(1) 2M x 64 |
None |
40MB |
(1) 4M x 64 |
(1) 1M x 64 |
None |
40MB |
(1) 2M x 64 |
(1) 2M x 64 |
(1) 1M x 64 |
48MB |
(1) 4M x 64 |
(1) 1M x 64 |
(1) 1M x 64 |
48MB |
(1) 4M x 64 |
(1) 2M x 64 |
None |
48MB |
(1) 2M x 64 |
(1) 2M x 64 |
(1) 2M x 64 |
56MB |
(1) 4M x 64 |
(1) 2M x 64 |
(1) 1M x 64 |
64MB |
(1) 8M x 64 |
None |
None |
64MB |
(1) 4M x 64 |
(1) 2M x 64 |
(1) 2M x 64 |
DIMM CONFIGURATION (CON'T) |
|||
Size |
Bank 0 |
Bank 1 |
Bank 2 |
64MB |
(1) 4M x 64 |
(1) 4M x 64 |
None |
72MB |
(1) 8M x 64 |
(1) 1M x 64 |
None |
72MB |
(1) 4M x 64 |
(1) 4M x 64 |
(1) 1M x 64 |
80MB |
(1) 8M x 64 |
(1) 1M x 64 |
(1) 1M x 64 |
80MB |
(1) 8M x 64 |
(1) 2M x 64 |
None |
80MB |
(1) 4M x 64 |
(1) 4M x 64 |
(1) 2M x 64 |
88MB |
(1) 8M x 64 |
(1) 2M x 64 |
(1) 1M x 64 |
96MB |
(1) 8M x 64 |
(1) 2M x 64 |
(1) 2M x 64 |
96MB |
(1) 8M x 64 |
(1) 4M x 64 |
None |
96MB |
(1) 4M x 64 |
(1) 4M x 64 |
(1) 4M x 64 |
104MB |
(1) 8M x 64 |
(1) 4M x 64 |
(1) 1M x 64 |
112MB |
(1) 8M x 64 |
(1) 4M x 64 |
(1) 2M x 64 |
128MB |
(1) 16M x 64 |
None |
None |
128MB |
(1) 8M x 64 |
(1) 4M x 64 |
(1) 4M x 64 |
128MB |
(1) 8M x 64 |
(1) 8M x 64 |
None |
136MB |
(1) 16M x 64 |
(1) 1M x 64 |
None |
136MB |
(1) 8M x 64 |
(1) 8M x 64 |
(1) 1M x 64 |
144MB |
(1) 16M x 64 |
(1) 1M x 64 |
(1) 1M x 64 |
144MB |
(1) 16M x 64 |
(1) 2M x 64 |
None |
144MB |
(1) 8M x 64 |
(1) 8M x 64 |
(1) 2M x 64 |
152MB |
(1) 16M x 64 |
(1) 2M x 64 |
(1) 1M x 64 |
160MB |
(1) 16M x 64 |
(1) 2M x 64 |
(1) 2M x 64 |
160MB |
(1) 16M x 64 |
(1) 4M x 64 |
None |
160MB |
(1) 8M x 64 |
(1) 8M x 64 |
(1) 4M x 64 |
168MB |
(1) 16M x 64 |
(1) 4M x 64 |
(1) 1M x 64 |
176MB |
(1) 16M x 64 |
(1) 4M x 64 |
(1) 2M x 64 |
192MB |
(1) 16M x 64 |
(1) 4M x 64 |
(1) 4M x 64 |
192MB |
(1) 16M x 64 |
(1) 8M x 64 |
None |
192MB |
(1) 8M x 64 |
(1) 8M x 64 |
(1) 8M x 64 |
200MB |
(1) 16M x 64 |
(1) 8M x 64 |
(1) 1M x 64 |
208MB |
(1) 16M x 64 |
(1) 8M x 64 |
(1) 2M x 64 |
224MB |
(1) 16M x 64 |
(1) 8M x 64 |
(1) 4M x 64 |
256MB |
(1) 16M x 64 |
(1) 8M x 64 |
(1) 8M x 64 |
384MB |
(1) 16M x 64 |
(1) 16M x 64 |
(1) 16M x 64 |
Note: Board accepts EDO & SDRAM memory. |
CACHE CONFIGURATION |
Note: 256KB/512KB cache is located on the Pentium II CPU. |
VIDEO MEMORY CONFIGURATION |
Note: 4MB video memory is factory installed and is not configurable. |
CPU SPEED SELECTION |
|||||
CPU speed |
Clock speed |
Multiplier |
FS0 |
FS1 |
FS2 |
233MHz |
66MHz |
3.5x |
1 & 2 |
1 & 2 |
1 & 2 |
266MHz |
66MHz |
4x |
1 & 2 |
1 & 2 |
1 & 2 |
300MHz |
66MHz |
4.5x |
1 & 2 |
1 & 2 |
1 & 2 |
Note: Pins designated should be in the closed position. |
CPU SPEED SELECTION (CON'T) |
||||||
CPU speed |
Clock speed |
Multiplier |
BF0 |
BF1 |
BF2 |
BF3 |
233MHz |
66MHz |
3.5x |
1 & 2 |
1 & 2 |
2 & 3 |
2 & 3 |
266MHz |
66MHz |
4x |
2 & 3 |
2 & 3 |
1 & 2 |
2 & 3 |
300MHz |
66MHz |
4.5x |
1 & 2 |
2 & 3 |
1 & 2 |
2 & 3 |
Note: Pins designated should be in the closed position. |