ACHME COMPUTER, INC.
MS-5144
Processor |
CX M1/AM K5/Pentium |
Processor Speed |
90/100/120/133/150/166/200MHz |
Chip Set |
SIS |
Video Chip Set |
None |
Maximum Onboard Memory |
384MB (EDO supported) |
Maximum Video Memory |
None |
Cache |
256/512KB |
BIOS |
AMI/Award |
Dimensions |
250mm x 220mm |
I/O Options |
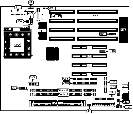
32-bit PCI slots (4), floppy drive interface, IDE interfaces (2), parallel port, PS/2 mouse port, PS/2 mouse interface, serial ports (2), IR connector, USB connector |
NPU Options |
None |
CONNECTIONS | |||
Purpose |
Location |
Purpose |
Location |
Parallel port |
CN1 |
Power LED & keylock |
JFP/pins 1 - 5 |
Serial port 2 |
CN2 |
Speaker |
JFP/pins 7 - 10 |
Serial port 1 |
CN3 |
Turbo LED |
JFP/pins 12 & 13 |
Floppy drive interface |
CN4 |
Reset switch |
JFP/pins 19 & 20 |
IDE interface 2 |
CN5 |
IDE interface LED |
JFP/pins 21 & 22 |
IDE interface 1 |
CN6 |
Green PC LED |
JGL |
PS/2 mouse port |
CN7 |
PS/2 mouse interface |
JMS |
Chassis fan power |
FAN |
32-bit PCI slots |
PC1 – PC4 |
IR connector |
IR1 |
USB connector |
USB |
USER CONFIGURABLE SETTINGS | |||
Function |
Label |
Position | |
» |
Factory configured - do not alter |
J1 |
Unidentified |
» |
Factory configured - do not alter |
J3 |
Unidentified |
DIMM/DRAM CONFIGURATION | |||
Size |
Bank 0 |
Bank 1 |
Bank 2 |
8MB |
(1) 1M x 64 |
None |
None |
12MB |
(1) 1M x 64 |
None |
(2) 512K x 36 |
16MB |
(1) 2M x 64 |
None |
None |
16MB |
(1) 1M x 64 |
(1) 1M x 64 |
None |
16MB |
(1) 1M x 64 |
None |
(2) 1M x 36 |
20MB |
(1) 2M x 64 |
None |
(2) 512K x 36 |
24MB |
(1) 2M x 64 |
(1) 1M x 64 |
None |
24MB |
(1) 1M x 64 |
None |
(2) 2M x 36 |
32MB |
(1) 4M x 64 |
None |
None |
32MB |
(1) 2M x 64 |
(1) 2M x 64 |
None |
32MB |
(1) 2M x 64 |
None |
(2) 2M x 36 |
36MB |
(1) 4M x 64 |
None |
(2) 512K x 36 |
40MB |
(1) 4M x 64 |
(1) 1M x 64 |
None |
40MB |
(1) 1M x 64 |
None |
(2) 4M x 36 |
40MB |
(1) 4M x 64 |
None |
(2) 1M x 36 |
48MB |
(1) 4M x 64 |
(1) 2M x 64 |
None |
48MB |
(1) 2M x 64 |
None |
(2) 4M x 36 |
48MB |
(1) 4M x 64 |
None |
(2) 2M x 36 |
64MB |
(1) 8M x 64 |
None |
None |
64MB |
(1) 4M x 64 |
(1) 4M x 64 |
None |
64MB |
(1) 4M x 64 |
None |
(2) 4M x 36 |
68MB |
(1) 8M x 64 |
None |
(2) 512K x 36 |
72MB |
(1) 8M x 64 |
(1) 1M x 64 |
None |
72MB |
(1) 1M x 64 |
None |
(2) 8M x 36 |
72MB |
(1) 8M x 64 |
None |
(2) 1M x 36 |
DIMM/DRAM CONFIGURATION (CON’T) | |||
Size |
Bank 0 |
Bank 1 |
Bank 2 |
80MB |
(1) 8M x 64 |
(1) 2M x 64 |
None |
80MB |
(1) 2M x 64 |
None |
(2) 8M x 36 |
80MB |
(1) 8M x 64 |
None |
(2) 2M x 36 |
96MB |
(1) 8M x 64 |
(1) 4M x 64 |
None |
96MB |
(1) 8M x 64 |
None |
(2) 4M x 36 |
96MB |
(1) 4M x 64 |
None |
(2) 8M x 36 |
128MB |
(1) 16M x 64 |
None |
None |
128MB |
(1) 8M x 64 |
(1) 8M x 64 |
None |
128MB |
(1) 8M x 64 |
None |
(2) 8M x 36 |
132MB |
(1) 16M x 64 |
None |
(2) 512K x 36 |
136MB |
(1) 1M x 64 |
None |
(2) 16M x 36 |
136MB |
(1) 16M x 64 |
None |
(2) 1M x 36 |
144MB |
(1) 2M x 64 |
None |
(2) 16M x 36 |
144MB |
(1) 16M x 64 |
None |
(2) 2M x 36 |
160MB |
(1) 4M x 64 |
None |
(2) 16M x 36 |
160MB |
(1) 16M x 64 |
None |
(2) 4M x 36 |
192MB |
(1) 8M x 64 |
None |
(2) 16M x 36 |
192MB |
(1) 16M x 64 |
None |
(2) 8M x 36 |
256MB |
(1) 32M x 64 |
None |
None |
256MB |
(1) 16M x 64 |
(1) 16M x 64 |
None |
256MB |
(1) 16M x 64 |
None |
(2) 16M x 36 |
384MB |
(1) 32M x 64 |
None |
(2) 16M x 36 |
Note: Board accepts EDO memory. Banks 0 & 1 are interchangeable. |
DIMM VOLTAGE CONFIGURATION | |
Voltage |
J2 |
3.3v |
Pins 1 & 2, 3 & 4 closed |
5v |
Pins 9 & 10, 11 & 12 closed |
CACHE CONFIGURATION |
Note: The location and chip sizes are unidentified. |
CPU SPEED SELECTION (CYRIX) | ||||||||
CPU speed |
Clock speed |
Multiplier |
SW1/1 |
SW1/2 |
SW1/3 |
SW1/4 |
SW1/5 |
SW1/6 |
150MHz |
60MHz |
2x |
On |
Off |
On |
Off |
Off |
On |
166MHz |
66MHz |
2x |
On |
Off |
Off |
Off |
Off |
On |
200MHz |
66MHz |
2x |
On |
Off |
Off |
On |
Off |
On |
CPU SPEED SELECTION (AMD) | ||||||||
CPU speed |
Clock speed |
Multiplier |
SW1/1 |
SW1/2 |
SW1/3 |
SW1/4 |
SW1/5 |
SW1/6 |
90MHz |
60MHz |
1.5x |
Off |
Off |
On |
Off |
Off |
Off |
100MHz |
66MHz |
1.5x |
Off |
Off |
Off |
Off |
Off |
Off |
120MHz |
60MHz |
1.5x |
Off |
Off |
On |
Off |
Off |
Off |
133MHz |
66MHz |
1.5x |
Off |
Off |
Off |
Off |
Off |
Off |
166MHz |
66MHz |
2.5x |
On |
On |
Off |
Off |
Off |
Off |
CPU SPEED SELECTION (INTEL) | ||||||||
CPU speed |
Clock speed |
Multiplier |
SW1/1 |
SW1/2 |
SW1/3 |
SW1/4 |
SW1/5 |
SW1/6 |
90MHz |
60MHz |
1.5x |
Off |
Off |
On |
Off |
Off |
Off |
100MHz |
66MHz |
1.5x |
Off |
Off |
Off |
Off |
Off |
Off |
120MHz |
60MHz |
2x |
On |
Off |
On |
Off |
Off |
Off |
133MHz |
66MHz |
2x |
On |
Off |
Off |
Off |
Off |
Off |
150MHz |
60MHz |
2.5x |
On |
On |
On |
Off |
Off |
Off |
166MHz |
66MHz |
2.5x |
On |
On |
Off |
Off |
Off |
Off |
200MHz |
66MHz |
3x |
Off |
On |
Off |
Off |
Off |
Off |
CPU VOLTAGE SELECTION (SINGLE) | |||
Voltage |
JV2 |
JV3 |
JV4 |
3.38v |
Open |
Pins 2 & 3 closed |
Open |
3.52v |
Pins 1 & 2 closed |
Pins 2 & 3 closed |
Open |
CPU VOLTAGE SELECTION (DUAL) | ||||
Voltage |
V core |
JV2 |
JV3 |
JV4 |
3.3v |
2.8v |
Pins 1 & 2, 3 & 4 closed |
Pins 1 & 2 closed |
Open |