ACHME COMPUTER, INC.
MS-6109
Processor |
Pentium II |
Processor Speed |
233/266MHz |
Chip Set |
Intel |
Video Chip Set |
None |
Maximum Onboard Memory |
1GB (EDO supported) |
Maximum Video Memory |
None |
Cache |
256/512KB (located on Pentium II CPU) |
BIOS |
Award |
Dimensions |
305mm x 245mm |
I/O Options |
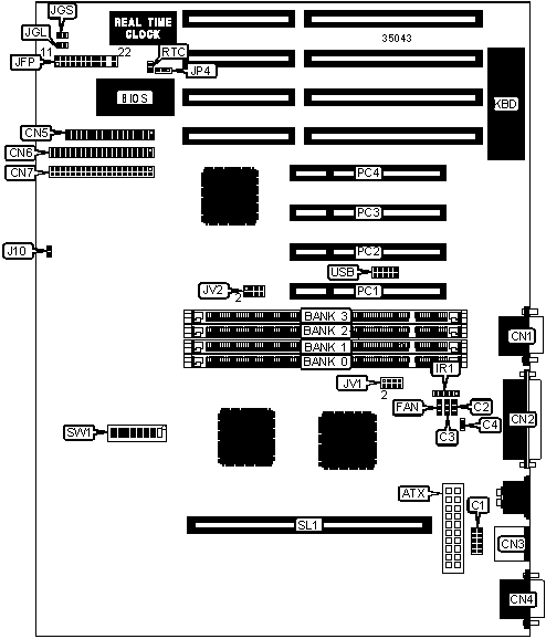
32-bit PCI slots (4), floppy drive interface, green PC connector, IDE interfaces (2), parallel port, PS/2 mouse port, serial ports (2), IR connector, USB connector, ATX power connector, CPU Slot 1 |
NPU Options |
None |
CONNECTIONS | |||
Purpose |
Location |
Purpose |
Location |
ATX power connector |
ATX |
Power LED & keylock |
JFP/pins 1 - 5 |
Serial port 2 |
CN1 |
Speaker |
JFP/pins 7 - 10 |
Parallel port |
CN2 |
Turbo LED |
JFP/pins 12 & 13 |
PS/2 mouse port |
CN3 |
Reset switch |
JFP/pins 19 & 20 |
Serial port 1 |
CN4 |
IDE interface LED |
JFP/pins 21 & 22 |
Floppy drive interface |
CN5 |
Green PC LED |
JGL |
IDE interface 2 |
CN6 |
Green PC connector |
JGS |
IDE interface 1 |
CN7 |
32-bit PCI slots |
PC1 – PC4 |
Chassis fan power |
FAN |
CPU Slot 1 |
SL1 |
IR connector |
IR1 |
USB connector |
USB |
Soft off power supply |
J10 |
USER CONFIGURABLE SETTINGS | |||
Function |
Label |
Position | |
» |
Factory configured - do not alter |
C1 |
Unidentified |
» |
Factory configured - do not alter |
C2 |
Unidentified |
» |
Factory configured - do not alter |
C3 |
Unidentified |
» |
Factory configured - do not alter |
C4 |
Unidentified |
» |
Factory configured - do not alter (flash BIOS voltage) |
JP4 |
Unidentified |
» |
CMOS memory normal operation |
RTC |
Open |
CMOS memory clear |
RTC |
Closed |
DIMM CONFIGURATION | ||||
Size |
Bank 0 |
Bank 1 |
Bank 2 |
Bank 3 |
8MB |
(1) 1M x 64 |
None |
None |
None |
16MB |
(1) 1M x 64 |
(1) 1M x 64 |
None |
None |
16MB |
(1) 2M x 64 |
None |
None |
None |
24MB |
(1) 1M x 64 |
(1) 1M x 64 |
(1) 1M x 64 |
None |
32MB |
(1) 1M x 64 |
(1) 1M x 64 |
(1) 1M x 64 |
(1) 1M x 64 |
32MB |
(1) 2M x 64 |
(1) 2M x 64 |
None |
None |
32MB |
(1) 4M x 64 |
None |
None |
None |
48MB |
(1) 2M x 64 |
(1) 2M x 64 |
(1) 2M x 64 |
None |
64MB |
(1) 2M x 64 |
(1) 2M x 64 |
(1) 2M x 64 |
(1) 2M x 64 |
64MB |
(1) 4M x 64 |
(1) 4M x 64 |
None |
None |
64MB |
(1) 8M x 64 |
None |
None |
None |
96MB |
(1) 4M x 64 |
(1) 4M x 64 |
(1) 4M x 64 |
None |
128MB |
(1) 4M x 64 |
(1) 4M x 64 |
(1) 4M x 64 |
(1) 4M x 64 |
128MB |
(1) 8M x 64 |
(1) 8M x 64 |
None |
None |
128MB |
(1) 16M x 64 |
None |
None |
None |
DIMM CONFIGURATION (CON’T) | ||||
Size |
Bank 0 |
Bank 1 |
Bank 2 |
Bank 3 |
192MB |
(1) 8M x 64 |
(1) 8M x 64 |
(1) 8M x 64 |
None |
256MB |
(1) 8M x 64 |
(1) 8M x 64 |
(1) 8M x 64 |
(1) 8M x 64 |
256MB |
(1) 16M x 64 |
(1) 16M x 64 |
None |
None |
256MB |
(1) 32M x 64 |
None |
None |
None |
384MB |
(1) 16M x 64 |
(1) 16M x 64 |
(1) 16M x 64 |
None |
512MB |
(1) 16M x 64 |
(1) 16M x 64 |
(1) 16M x 64 |
(1) 16M x 64 |
512MB |
(1) 32M x 64 |
(1) 32M x 64 |
None |
None |
768MB |
(1) 32M x 64 |
(1) 32M x 64 |
(1) 32M x 64 |
None |
1GB |
(1) 32M x 64 |
(1) 32M x 64 |
(1) 32M x 64 |
(1) 32M x 64 |
Note: Board accepts EDO memory. Board will not accept SDRAM. |
DIMM VOLTAGE CONFIGURATION | ||
Voltage |
JV1 |
JV2 |
3.3v |
1 & 2, 3 & 4, 5 & 6, 7 & 8 |
Open |
5v |
Open |
1 & 2, 3 & 4, 5 & 6, 7 & 8 |
CACHE CONFIGURATION |
Note: 256KB/512KB cache is located on the Pentium II CPU. |
CPU SPEED SELECTION | ||||||
CPU speed |
Clock speed |
Multiplier |
SW1/1 |
SW1/2 |
SW1/3 |
SW1/4 |
233MHz |
66MHz |
4x |
On |
On |
Off |
Off |
266MHz |
66MHz |
4.5x |
On |
On |
Off |
Off |
CPU SPEED SELECTION (CON’T) | ||||||
CPU speed |
Clock speed |
Multiplier |
SW1/5 |
SW1/6 |
SW1/7 |
SW1/8 |
233MHz |
66MHz |
4x |
On |
Off |
Off |
On |
266MHz |
66MHz |
4.5x |
On |
On |
On |
Off |