ACHME COMPUTER, INC.
MS-5108
Processor |
Pentium |
Processor Speed |
60/66MHz |
Chip Set |
SIS |
Max. Onboard DRAM |
128MB |
Cache |
256/512/1024KB |
BIOS |
AMI |
Dimensions |
330mm x 220mm |
I/O Options |
32-bit PCI slots (3), floppy drive interface, green PC connector, IDE interface (2), parallel port, serial ports (2) |
NPU Options |
None |
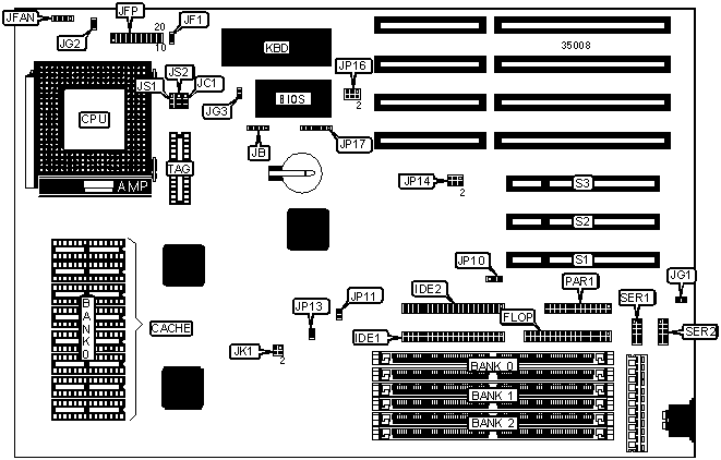
CONNECTIONS | |||
Purpose |
Location |
Purpose |
Location |
Floppy drive interface |
FLOP |
Turbo LED |
JFP (pins 12 - 13) |
IDE interface (primary) |
IDE1 |
Turbo switch |
JFP (pins 15 - 17) |
IDE interface (secondary) |
IDE2 |
Reset switch |
JFP (pins 19 - 20) |
External battery |
JB |
Green PC connector (monitor) |
JG1 |
IDE interface LED |
JF1 |
Green PC LED |
JG2 |
Chassis fan power |
JFAN |
Green PC connector |
JG3 |
Keylock |
JFP (pins 1 & 2) |
Parallel port |
PAR1 |
Power LED |
JFP (pins 3 & 5) |
32-bit PCI slots |
S1 - S3 |
Green PC LED |
JFP (pins 3 & 4) |
Serial port 1 |
SER1 |
Speaker |
JFP (pins 7 & 10) |
Serial port 2 |
SER2 |
Sleep switch connector |
JFP (pins 8 & 9) |
USER CONFIGURABLE SETTINGS | |||
Function |
Jumper |
Position | |
» |
NA# disabled |
JC1 |
pins 1 & 2 closed |
NA# enabled |
JC1 |
pins 2 & 3 closed | |
» |
PCI IDE interface enabled |
JP10 |
pins 1 & 2 closed |
PCI IDE interface disabled |
JP10 |
pins 2 & 3 closed | |
» |
PCI IDE Digital Input Register enabled |
JP11 |
Open |
PCI IDE Digital Input Register disabled |
JP11 |
Closed | |
» |
PCI IDE register select 0B4h, 0B8h |
JP13 |
Open |
PCI IDE register select 034h, 038h |
JP13 |
Closed | |
» |
BIOS type select EPROM |
JP17 |
pins 2 & 3, 4 & 5 closed |
BIOS type select flash BIOS |
JP17 |
pins 1 & 2, 5 & 6 closed |
DRAM CONFIGURATION | |||
Size |
Bank 0 |
Bank 1 |
Bank 2 |
2MB |
(2) 256K x 36 |
NONE |
NONE |
4MB |
(2) 256K x 36 |
(2) 256K x 36 |
NONE |
4MB |
(2) 512K x 36 |
NONE |
NONE |
8MB |
(2) 256K x 36 |
(2) 256K x 36 |
(2) 512K x 36 |
8MB |
(2) 512K x 36 |
NONE |
(2) 512K x 36 |
8MB |
(2) 1M x 36 |
NONE |
NONE |
12MB |
(2) 256K x 36 |
(2) 256K x 36 |
(2) 1M x 36 |
12MB |
(2) 512K x 36 |
NONE |
(2) 1M x 36 |
16MB |
(2) 1M x 36 |
(2) 1M x 36 |
NONE |
16MB |
(2) 2M x 36 |
NONE |
NONE |
20MB |
(2) 256K x 36 |
(2) 256K x 36 |
(2) 2M x 36 |
20MB |
(2) 512K x 36 |
NONE |
(2) 2M x 36 |
24MB |
(2) 1M x 36 |
(2) 1M x 36 |
(2) 1M x 36 |
24MB |
(2) 2M x 36 |
NONE |
(2) 1M x 36 |
32MB |
(2) 1M x 36 |
(2) 1M x 36 |
(2) 2M x 36 |
32MB |
(2) 2M x 36 |
NONE |
(2) 2M x 36 |
32MB |
(2) 4M x 36 |
NONE |
NONE |
36MB |
(2) 256K x 36 |
(2) 256K x 36 |
(2) 4M x 36 |
36MB |
(2) 512K x 36 |
NONE |
(2) 4M x 36 |
40MB |
(2) 1M x 36 |
(2) 4M x 36 |
NONE |
48MB |
(2) 1M x 36 |
(2) 1M x 36 |
(2) 4M x 36 |
48MB |
(2) 2M x 36 |
NONE |
(2) 4M x 36 |
64MB |
(2) 4M x 36 |
(2) 4M x 36 |
NONE |
64MB |
(2) 8M x 36 |
NONE |
NONE |
72MB |
(2) 1M x 36 |
(2) 4M x 36 |
(2) 4M x 36 |
80MB |
(2) 1M x 36 |
(2) 1M x 36 |
(2) 8M x 36 |
80MB |
(2) 2M x 36 |
NONE |
(2) 8M x 36 |
96MB |
(2) 4M x 36 |
(2) 4M x 36 |
(2) 4M x 36 |
96MB |
(2) 8M x 36 |
NONE |
(2) 4M x 36 |
128MB |
(2) 4M x 36 |
(2) 4M x 36 |
(2) 8M x 36 |
128MB |
(2) 8M x 36 |
NONE |
(2) 8M x 36 |
128MB |
(2) 16M x 36 |
NONE |
NONE |
CACHE CONFIGURATION | ||
Size |
Bank 0 |
TAG |
256KB |
(8) 32K x 8 |
(1) 8K or (1) 16K or (1) 32K x 8 |
512KB |
(8) 64K x 8 |
(1) 16K or (1) 32K x 8 |
1MB |
(8) 128K x 8 |
(1) 32K x 8 |
CACHE JUMPER CONFIGURATION | ||
Size |
JS1 |
JS2 |
256KB |
pins 1 & 2 closed |
pins 1 & 2 closed |
512KB |
pins 2 & 3 closed |
pins 1 & 2 closed |
1MB |
pins 2 & 3 closed |
pins 2 & 3 closed |
CPU SPEED CONFIGURATION | ||
Normal mode speed |
Green mode speed |
JK1 |
60MHz |
30MHz |
pins 3 & 4 closed |
66MHz |
33MHz |
pins 1 & 2, 3 & 4 closed |
60MHz |
60MHz |
Open |
66MHz |
66MHz |
pins 1 & 2 closed |
DACK/DRQ CONFIGURATION | ||
Setting |
JP14 |
JP16 |
DACK#0/DREQ0 |
pins 1 & 2 closed |
pins 1 & 2 closed |
DACK#1/DREQ1 |
pins 3 & 4 closed |
pins 3 & 4 closed |
DACK#3/DREQ3 |
pins 5 & 6 closed |
pins 5 & 6 closed |