ACHME COMPUTER, INC.
MS-6114
Device Type |
Mainboard |
Processor |
Pentium II |
Processor Speed |
200/233/266/300/333MHz |
Chip Set |
Intel |
Video Chip Set |
None |
Maximum Onboard Memory |
1024MB (EDO & SDRAM supported) |
Maximum Video Memory |
None |
Cache |
256/512KB (located on Pentium II CPU) |
BIOS |
Unidentified |
Dimensions |
300mm x 250mm |
I/O Options |
32-bit PCI slots (5), floppy drive interface, green PC connector, IDE interfaces (2), parallel port, PS/2 mouse port, serial ports (2), IR connector, USB connectors (2), ATX power connector, AGP slot |
NPU Options |
None |
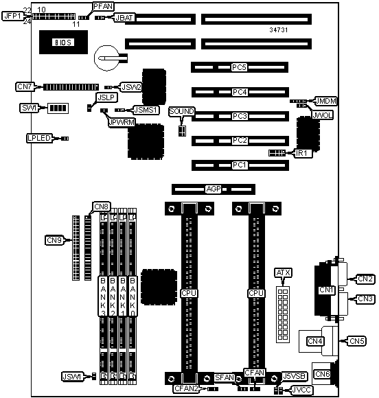
CONNECTIONS | |||
Purpose |
Location |
Purpose |
Location |
AGP slot |
AGP |
Speaker |
JFP1/pins 7 - 10 |
ATX power connector |
ATX |
Turbo LED |
JFP1/pins 12 & 13 |
CPU fan power 1 |
CFAN |
Reset switch |
JFP1/pins 19 & 20 |
CPU fan power 2 |
CFAN2 |
IDE interface LED |
JFP1/pins 22 & 24 |
Parallel port |
CN1 |
Wake on modem connector |
JMDM |
Serial port 2 |
CN2 |
Green PC connector |
JSLP |
Serial port 1 |
CN3 |
Soft off power supply |
JSW1 |
USB connector 1 |
CN4 |
Soft off power supply |
JSW2 |
USB connector 2 |
CN5 |
Wake on LAN connector |
JWOL |
PS/2 mouse port |
CN6 |
Green PC LED |
LPLED |
Floppy drive interface |
CN7 |
32-bit PCI slots |
PC1 – PC5 |
IDE interface 2 |
CN8 |
Power supply fan |
PFAN |
IDE interface 1 |
CN9 |
Chassis fan power |
SFAN |
IR connector |
IR1 |
Sound connector |
SOUND |
Power LED & keylock |
JFP1/pins 1 - 5 |
USER CONFIGURABLE SETTINGS | |||
Function |
Label |
Position | |
Keyboard wake up enabled |
J5VSB |
Closed | |
Keyboard wake up disabled |
J5VSB |
Open | |
» |
CMOS memory normal operation |
JBAT |
Pins 1 & 2 closed |
CMOS memory clear |
JBAT |
Pins 2 & 3 closed | |
» |
ATX power on/off mode enabled |
JPWRM |
Closed |
Select power on system at power up |
JPWRM |
Open | |
» |
Factory configured - do not alter |
JSMS1 |
Unidentified |
» |
Keyboard power on disabled |
JVCC |
Closed |
Keyboard power on enabled |
JVCC |
Open |
DIMM CONFIGURATION | ||||
Size |
Bank 0 |
Bank 1 |
Bank 2 |
Bank 3 |
8MB |
(1) 1M x 64 |
None |
None |
None |
16MB |
(1) 2M x 64 |
None |
None |
None |
16MB |
(1) 1M x 64 |
(1) 1M x 64 |
None |
None |
24MB |
(1) 2M x 64 |
(1) 1M x 64 |
None |
None |
24MB |
(1) 1M x 64 |
(1) 1M x 64 |
(1) 1M x 64 |
None |
32MB |
(1) 4M x 64 |
None |
None |
None |
32MB |
(1) 2M x 64 |
(1) 2M x 64 |
None |
None |
32MB |
(1) 1M x 64 |
(1) 1M x 64 |
(1) 1M x 64 |
(1) 1M x 64 |
40MB |
(1) 4M x 64 |
(1) 1M x 64 |
None |
None |
48MB |
(1) 4M x 64 |
(1) 2M x 64 |
None |
None |
48MB |
(1) 2M x 64 |
(1) 2M x 64 |
(1) 2M x 64 |
None |
DIMM CONFIGURATION (CON’T) | ||||
Size |
Bank 0 |
Bank 1 |
Bank 2 |
Bank 3 |
64MB |
(1) 8M x 64 |
None |
None |
None |
64MB |
(1) 4M x 64 |
(1) 4M x 64 |
None |
None |
64MB |
(1) 2M x 64 |
(1) 2M x 64 |
(1) 2M x 64 |
(1) 2M x 64 |
72MB |
(1) 8M x 64 |
(1) 1M x 64 |
None |
None |
80MB |
(1) 8M x 64 |
(1) 2M x 64 |
None |
None |
96MB |
(1) 8M x 64 |
(1) 4M x 64 |
None |
None |
96MB |
(1) 4M x 64 |
(1) 4M x 64 |
(1) 4M x 64 |
None |
128MB |
(1) 16M x 64 |
None |
None |
None |
128MB |
(1) 8M x 64 |
(1) 8M x 64 |
None |
None |
128MB |
(1) 4M x 64 |
(1) 4M x 64 |
(1) 4M x 64 |
(1) 4M x 64 |
136MB |
(1) 16M x 64 |
(1) 1M x 64 |
None |
None |
144MB |
(1) 16M x 64 |
(1) 2M x 64 |
None |
None |
160MB |
(1) 16M x 64 |
(1) 4M x 64 |
None |
None |
192MB |
(1) 16M x 64 |
(1) 8M x 64 |
None |
None |
192MB |
(1) 8M x 64 |
(1) 8M x 64 |
(1) 8M x 64 |
None |
256MB |
(1) 16M x 64 |
(1) 16M x 64 |
None |
None |
256MB |
(1) 8M x 64 |
(1) 8M x 64 |
(1) 8M x 64 |
(1) 8M x 64 |
256MB |
(1) 32M x 64 |
None |
None |
None |
384MB |
(1) 16M x 64 |
(1) 16M x 64 |
(1) 16M x 64 |
None |
512MB |
(1) 16M x 64 |
(1) 16M x 64 |
(1) 16M x 64 |
(1) 16M x 64 |
512MB |
(1) 32M x 64 |
(1) 32M x 64 |
None |
None |
768MB |
(1) 32M x 64 |
(1) 32M x 64 |
(1) 32M x 64 |
None |
1024MB |
(1) 32M x 64 |
(1) 32M x 64 |
(1) 32M x 64 |
(1) 32M x 64 |
Note: Board accepts EDO & SDRAM memory. 1GB maximum if using EDO memory. 512MB maximum if using EDO memory. |
CACHE CONFIGURATION |
Note: 256KB/512KB cache is located on the Pentium II CPU. |
CPU SPEED SELECTION | ||||||
CPU speed |
Clock speed |
Multiplier |
SW1/1 |
SW1/2 |
SW1/3 |
SW1/4 |
200MHz |
66MHz |
3x |
On |
On |
Off |
On |
233MHz |
66MHz |
3.5x |
On |
Off |
Off |
On |
266MHz |
66MHz |
4x |
On |
On |
On |
Off |
300MHz |
66MHz |
4.5x |
On |
Off |
On |
Off |
333MHz |
66MHz |
5x |
On |
On |
Off |
Off |