ACER, INC.

AX5T-1

Processor

CX 6X86/CX 6X86L/AM K5/AM K6/Pentium

Processor Speed

90/100/120/133/150/166/200/233MHz

Chip Set

Intel

Video Chip Set

None

Maximum Onboard Memory

256MB (EDO supported)

Maximum Video Memory

None

Cache

512KB

BIOS

Award

Dimensions

305mm x 244mm

I/O Options

32-bit PCI slots (4), floppy drive interface, IDE interfaces (2), parallel port, PS/2 mouse interface, serial ports (2), USB connector, IR connector, ATX power connector

NPU Options

None

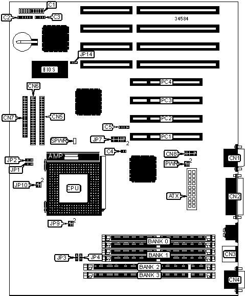
CONNECTIONS

Purpose

Location

Purpose

Location

ATX power connector

ATX

PS/2 mouse port

CN3

Front panel connector

C1

Serial port 1

CN4

IR connector

C2

IDE interface 2

CN5

IDE interface LED

C3

IDE interface 1

CN6

Chassis fan power

C4

Floppy drive interface

CN7

Wake up connector

C5

USB connector

CN8

Serial port 2

CN1

32-bit PCI slots

PC1 – PC4

Parallel port

CN2

   

USER CONFIGURABLE SETTINGS

Function

Label

Position

»

CMOS memory normal operation

JP14

Pins 1 & 2 closed

 

CMOS memory clear

JP14

Pins 2 & 3 closed

»

ATX power select 5v standard by current

PWR

Pins 3 & 4 closed

 

ATX power select 5v fixed

PWR

Pins 1 & 2 closed

»

Factory configured - do not alter

SPWR

Unidentified

SIMM CONFIGURATION

Size

Bank 0

Bank 1

8MB

(2) 1M x 36

None

16MB

(2) 2M x 36

None

16MB

(2) 1M x 36

(2) 1M x 36

24MB

(2) 2M x 36

(2) 1M x 36

32MB

(2) 4M x 36

None

32MB

(2) 2M x 36

(2) 2M x 36

40MB

(2) 4M x 36

(2) 1M x 36

48MB

(2) 4M x 36

(2) 2M x 36

64MB

(2) 8M x 36

None

64MB

(2) 4M x 36

(2) 4M x 36

72MB

(2) 8M x 36

(2) 1M x 36

80MB

(2) 8M x 36

(2) 2M x 36

96MB

(2) 8M x 36

(2) 4M x 36

128MB

(2) 8M x 36

(2) 8M x 36

128MB

(2) 16M x 36

None

136MB

(2) 16M x 36

(2) 1M x 36

144MB

(2) 16M x 36

(2) 2M x 36

160MB

(2) 16M x 36

(2) 4M x 36

192MB

(2) 16M x 36

(2) 8M x 36

256MB

(2) 16M x 36

(2) 16M x 36

Note: Board accepts EDO memory.

DIMM CONFIGURATION

Size

Bank 0

Bank 1

8MB

(1) 1M x 64

None

16MB

(1) 2M x 64

None

16MB

(1) 1M x 64

(1) 1M x 64

24MB

(1) 2M x 64

(1) 1M x 64

32MB

(1) 4M x 64

None

32MB

(1) 2M x 64

(1) 2M x 64

40MB

(1) 4M x 64

(1) 1M x 64

48MB

(1) 4M x 64

(1) 2M x 64

64MB

(1) 8M x 64

None

64MB

(1) 4M x 64

(1) 4M x 64

72MB

(1) 8M x 64

(1) 1M x 64

80MB

(1) 8M x 64

(1) 2M x 64

96MB

(1) 8M x 64

(1) 4M x 64

128MB

(1) 16M x 64

None

128MB

(1) 8M x 64

(1) 8M x 64

136MB

(1) 16M x 64

(1) 1M x 64

144MB

(1) 16M x 64

(1) 2M x 64

160MB

(1) 16M x 64

(1) 4M x 64

192MB

(1) 16M x 64

(1) 8M x 64

256MB

(1) 16M x 64

(1) 16M x 64

CACHE CONFIGURATION

Size

Bank 0

512KB

(2) 64K x 32

Note: The location of bank 0 is unidentified.

CPU SPEED SELECTION (CX 6X86/6X 86L)

CPU speed

Clock speed

Multiplier

JP1

JP2

JP3

JP4

150MHz

60MHz

2x

2 & 3

1 & 2

1 & 2

2 & 3

166MHz

66MHz

2x

2 & 3

1 & 2

2 & 3

2 & 3

Note: Pins designated should be in the closed position.

CPU SPEED SELECTION (AM K5)

CPU speed

Clock speed

Multiplier

JP1

JP2

JP3

JP4

90MHz

60MHz

1.5x

1 & 2

1 & 2

1 & 2

2 & 3

100MHz

66MHz

1.5x

1 & 2

1 & 2

2 & 3

2 & 3

120MHz

60MHz

1.5x

1 & 2

1 & 2

1 & 2

2 & 3

133MHz

66MHz

1.5x

1 & 2

1 & 2

2 & 3

2 & 3

166MHz

66MHz

1.75x

2 & 3

2 & 3

2 & 3

2 & 3

Note: Pins designated should be in the closed position.

CPU SPEED SELECTION (AM K6)

CPU speed

Clock speed

Multiplier

JP1

JP2

JP3

JP4

166MHz

66MHz

2.5x

2 & 3

2 & 3

2 & 3

2 & 3

200MHz

66MHz

3x

1 & 2

2 & 3

2 & 3

2 & 3

Note: Pins designated should be in the closed position.

CPU SPEED SELECTION (INTEL)

CPU speed

Clock speed

Multiplier

JP1

JP2

JP3

JP4

90MHz

60MHz

1.5x

1 & 2

1 & 2

1 & 2

2 & 3

100MHz

66MHz

1.5x

1 & 2

1 & 2

2 & 3

2 & 3

120MHz

60MHz

2x

1 & 2

2 & 3

1 & 2

2 & 3

133MHz

66MHz

2x

2 & 3

1 & 2

2 & 3

2 & 3

150MHz

60MHz

2.5x

2 & 3

2 & 3

1 & 2

2 & 3

166MHz

66MHz

2.5x

2 & 3

2 & 3

2 & 3

2 & 3

200MHz

66MHz

3x

1 & 2

2 & 3

2 & 3

2 & 3

233MHz

66MHz

3.5x

1 & 2

1 & 2

2 & 3

2 & 3

Note: Pins designated should be in the closed position.

CPU VOLTAGE SELECTION (SINGLE)

Voltage

JP7

JP9

JP10

3.45v

1 & 2

1 & 2, 3 & 4

Open

Note: Pins designated should be in the closed position.

CPU VOLTAGE SELECTION (DUAL)

Voltage

V core

JP7

JP9

JP10

3.45v

2.5v

11 & 12

Open

1 & 2, 3 & 4

3.45v

2.7v

9 & 10

Open

1 & 2, 3 & 4

3.45v

2.8v

7 & 8

Open

1 & 2, 3 & 4

3.45v

2.9v

5 & 6

Open

1 & 2, 3 & 4

3.45v

3.52v

3 & 4

Open

1 & 2, 3 & 4

Note: Pins designated should be in the closed position.