ACHME COMPUTER, INC.
MS-5148
Processor |
CX M1/CX M2/AM K5/AM K6/Pentium |
Processor Speed |
90/100/120/133/150/166/180/200/225/233MHz |
Chip Set |
Intel |
Video Chip Set |
None |
Maximum Onboard Memory |
256MB (EDO supported) |
Maximum Video Memory |
None |
Cache |
256/512KB |
BIOS |
Award |
Dimensions |
300mm x 186mm |
I/O Options |
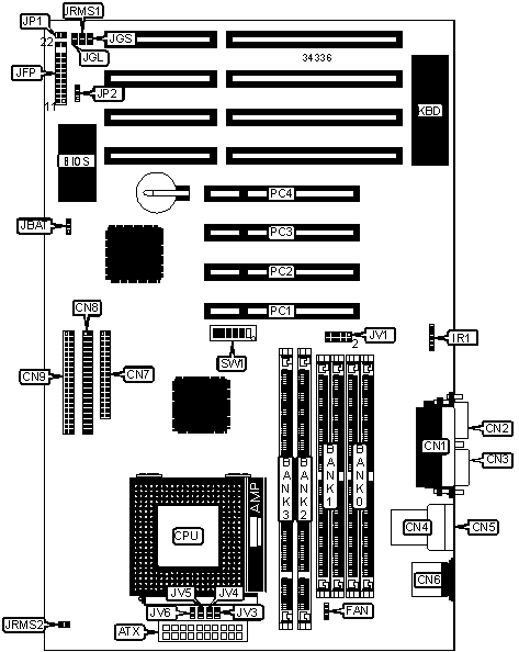
32-bit PCI slots (4), floppy drive interface, green PC connector, IDE interfaces (2), parallel port, PS/2 mouse port, serial ports (2), IR connector, USB connectors (2), ATX power connector |
NPU Options |
None |
CONNECTIONS | |||
Purpose |
Location |
Purpose |
Location |
ATX power connector |
ATX |
IR connector |
IR1 |
Parallel port |
CN1 |
Power LED & keylock |
JFP/pins 1 - 5 |
Serial port 1 |
CN2 |
Speaker |
JFP/pins 7 - 10 |
Serial port 2 |
CN3 |
Turbo LED |
JFP/pins 12 & 13 |
USB connector |
CN4 |
Reset switch |
JFP/pins 19 & 20 |
USB connector |
CN5 |
IDE interface LED |
JFP/pins 21 & 22 |
PS/2 mouse port |
CN6 |
Green PC LED |
JGL |
Floppy drive interface |
CN7 |
Green PC connector |
JGS |
IDE interface 1 |
CN8 |
Soft off power supply |
JRMS1 |
IDE interface 2 |
CN9 |
Soft off power supply |
JRMS2 |
Chassis fan power |
FAN |
32-bit PCI slots |
PC1 - PC4 |
USER CONFIGURABLE SETTINGS | |||
Function |
Label |
Position | |
» |
CMOS memory normal operation |
JBAT |
Pins 1 & 2 closed |
CMOS memory clear |
JBAT |
Pins 2 & 3 closed | |
» |
Factory configured - do not alter |
JP1 |
Unidentified |
» |
Flash BIOS voltage select 5v |
JP2 |
Pins 1 & 2 closed |
Flash BIOS voltage select 12v |
JP2 |
Pins 2 & 3 closed |
DIMM/DRAM CONFIGURATION | ||||
Size |
Bank 0 |
Bank 1 |
Bank 2 |
Bank 3 |
8MB |
(2) 1M x 36 |
None |
None |
None |
8MB |
None |
None |
(1) 1M x 64 |
None |
16MB |
(2) 2M x 36 |
None |
None |
None |
16MB |
None |
None |
(1) 2M x 64 |
None |
16MB |
(2) 1M x 36 |
(2) 1M x 36 |
None |
None |
16MB |
(2) 1M x 36 |
None |
None |
(1) 1M x 64 |
16MB |
None |
None |
(1) 1M x 64 |
(1) 1M x 64 |
24MB |
None |
(2) 2M x 36 |
(1) 1M x 64 |
None |
32MB |
(2) 4M x 36 |
None |
None |
None |
32MB |
None |
None |
(1) 4M x 64 |
None |
32MB |
(2) 2M x 36 |
None |
None |
(1) 2M x 64 |
40MB |
(2) 4M x 36 |
(2) 1M x 36 |
None |
None |
40MB |
(2) 4M x 36 |
None |
None |
(1) 1M x 64 |
48MB |
(2) 2M x 36 |
None |
None |
(1) 4M x 64 |
48MB |
(2) 4M x 36 |
(2) 2M x 36 |
None |
None |
64MB |
(2) 8M x 36 |
None |
None |
None |
64MB |
None |
None |
None |
(1) 8M x 64 |
64MB |
(2) 4M x 36 |
(2) 4M x 36 |
None |
None |
64MB |
(2) 4M x 36 |
None |
None |
(1) 4M x 64 |
DIMM/DRAM CONFIGURATION (CON'T) | ||||
Size |
Bank 0 |
Bank 1 |
Bank 2 |
Bank 3 |
64MB |
None |
None |
(1) 4M x 64 |
(1) 4M x 64 |
72MB |
(2) 8M x 36 |
(2) 1M x 36 |
None |
None |
72MB |
(2) 8M x 36 |
None |
None |
(1) 1M x 64 |
80MB |
None |
(2) 2M x 36 |
(1) 8M x 64 |
None |
80MB |
(2) 8M x 36 |
None |
None |
(1) 2M x 64 |
80MB |
(2) 8M x 36 |
(2) 2M x 36 |
None |
None |
96MB |
(2) 4M x 36 |
None |
None |
(1) 8M x 64 |
96MB |
(2) 8M x 36 |
(2) 4M x 36 |
None |
None |
96MB |
(2) 8M x 36 |
None |
None |
(1) 4M x 64 |
128MB |
(2) 8M x 36 |
None |
None |
(1) 8M x 64 |
128MB |
None |
None |
(1) 8M x 64 |
(1) 8M x 64 |
128MB |
(2) 8M x 36 |
(2) 8M x 36 |
None |
None |
128MB |
(2) 16M x 36 |
None |
None |
None |
128MB |
None |
None |
None |
(1) 16M x 64 |
136MB |
(2) 16M x 36 |
(2) 1M x 36 |
None |
None |
136MB |
(2) 16M x 36 |
None |
None |
(1) 1M x 64 |
144MB |
(2) 16M x 36 |
(2) 2M x 36 |
None |
None |
160MB |
(2) 16M x 36 |
(2) 4M x 36 |
None |
None |
192MB |
(2) 16M x 36 |
(2) 8M x 36 |
None |
None |
192MB |
(2) 16M x 36 |
None |
None |
(1) 8M x 64 |
256MB |
(2) 16M x 36 |
(2) 16M x 36 |
None |
None |
256MB |
(2) 32M x 36 |
None |
None |
None |
256MB |
None |
None |
(1) 16M x 64 |
(1) 16M x 64 |
256MB |
None |
None |
(1) 32M x 64 |
None |
Note: Board accepts EDO memory. |
DIMM VOLTAGE CONFIGURATION | |
Voltage |
JV1 |
3.3v |
Pins 7 & 8, 9 & 10 closed |
5v |
Pins 1 & 2, 3 & 4 closed |
CACHE CONFIGURATION |
Note: The location of the 256KB/512KB cache is unidentified. |
CPU SPEED SELECTION (CYRIX M1) | ||||||||
CPU speed |
Clock speed |
Multiplier |
SW1/1 |
SW1/2 |
SW1/3 |
SW1/4 |
SW1/5 |
SW1/6 |
133MHz |
55MHz |
2x |
On |
Off |
Off |
On |
On |
Off |
150MHz |
60MHz |
2x |
On |
Off |
Off |
On |
Off |
Off |
166MHz |
66MHz |
2x |
On |
Off |
Off |
Off |
Off |
Off |
200MHz |
75MHz |
2x |
On |
Off |
Off |
Off |
On |
Off |
CPU SPEED SELECTION (CYRIX M2) | ||||||||
CPU speed |
Clock speed |
Multiplier |
SW1/1 |
SW1/2 |
SW1/3 |
SW1/4 |
SW1/5 |
SW1/6 |
166MHz |
66MHz |
2.5x |
On |
On |
Off |
Off |
Off |
Off |
180MHz |
60MHz |
3x |
Off |
On |
Off |
On |
Off |
Off |
200MHz |
66MHz |
3x |
Off |
On |
Off |
Off |
Off |
Off |
225MHz |
75MHz |
3x |
Off |
On |
Off |
Off |
On |
Off |
CPU SPEED SELECTION (AMD) | ||||||||
CPU speed |
Clock speed |
Multiplier |
SW1/1 |
SW1/2 |
SW1/3 |
SW1/4 |
SW1/5 |
SW1/6 |
90MHz |
60MHz |
1.5x |
Off |
Off |
Off |
On |
Off |
Off |
100MHz |
66MHz |
1.5x |
Off |
Off |
Off |
Off |
Off |
Off |
120MHz |
60MHz |
2x |
On |
Off |
Off |
On |
Off |
Off |
133MHz |
66MHz |
2x |
On |
Off |
Off |
Off |
Off |
Off |
150MHz |
60MHz |
2.5x |
On |
On |
Off |
On |
Off |
Off |
166MHz |
66MHz |
2.5x |
On |
On |
Off |
Off |
Off |
Off |
200MHz |
66MHz |
3x |
Off |
On |
Off |
Off |
Off |
Off |
233MHz |
66MHz |
3.5x |
Off |
Off |
Off |
Off |
Off |
Off |
CPU SPEED SELECTION (INTEL) | ||||||||
CPU speed |
Clock speed |
Multiplier |
SW1/1 |
SW1/2 |
SW1/3 |
SW1/4 |
SW1/5 |
SW1/6 |
90MHz |
60MHz |
1.5x |
Off |
Off |
Off |
On |
Off |
Off |
100MHz |
66MHz |
1.5x |
Off |
Off |
Off |
Off |
Off |
Off |
120MHz |
60MHz |
2x |
On |
Off |
Off |
On |
Off |
Off |
133MHz |
66MHz |
2x |
On |
Off |
Off |
Off |
Off |
Off |
150MHz |
60MHz |
2.5x |
On |
On |
Off |
On |
Off |
Off |
166MHz |
66MHz |
2.5x |
On |
On |
Off |
Off |
Off |
Off |
200MHz |
66MHz |
3x |
Off |
On |
Off |
Off |
Off |
Off |
233MHz |
66MHz |
3.5x |
Off |
Off |
Off |
Off |
Off |
Off |
CPU VOLTAGE SELECTION (SINGLE) | ||||
Voltage |
JV3 |
JV4 |
JV5 |
JV6 |
3.38v |
Open |
Closed |
Open |
Open |
3.52v |
Closed |
Open |
Open |
Open |
CPU VOLTAGE SELECTION (DUAL) | |||||
Voltage |
V core |
JV3 |
JV4 |
JV5 |
JV6 |
3.3v |
2.8v |
Closed |
Open |
Open |
Open |
3.3v |
2.9v |
Open |
Open |
Open |
Closed |
3.3v |
3.2v |
Open |
Open |
Closed |
Open |