ADVANCED INTEGRATION RESEARCH, INC.
P6KDI
Processor |
Pentium II |
Processor Speed |
180/200/233/266MHz |
Chip Set |
Intel |
Video Chip Set |
None |
Maximum Onboard Memory |
1GB (EDO supported) |
Maximum Video Memory |
None |
Cache |
256/512/1024KB (located on Pentium II CPU) |
BIOS |
AMI |
Dimensions |
305mm x 244mm |
I/O Options |
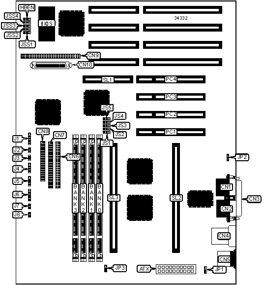
32-bit PCI slots (4), floppy drive interface, green PC connector, IDE interfaces (2), SCSI interface, Ultra-Wide SCSI interface, parallel port, PS/2 mouse port, serial ports (2), IR connector, USB connector, ATX power connector, RAID slot, CPU Slot 1 (2) |
NPU Options |
None |
CONNECTIONS | |||
Purpose |
Location |
Purpose |
Location |
ATX power connector |
ATX |
Reset switch |
J3 |
Serial port 2 |
CN1 |
Speaker |
J4 |
Serial port 1 |
CN2 |
IDE interface LED |
J5 |
Parallel port |
CN3 |
Power LED & keylock |
J6 |
USB connector |
CN4 |
Turbo LED |
J7 |
PS/2 mouse port |
CN5 |
Soft off power supply |
J8 |
IDE interface 1 |
CN6 |
Chassis fan power |
JP1 |
IDE interface 2 |
CN7 |
Chassis fan power |
JP2 |
Floppy drive interface |
CN8 |
Chassis fan power |
JP3 |
SCSI interface |
CN9 |
32-bit PCI slots |
PC1 - PC4 |
Ultra-Wide SCSI interface |
CN10 |
RAID slot |
SL1 |
IR connector |
J1 |
CPU Slot 1 |
SL2 |
Green PC connector |
J2 |
CPU Slot 1 |
SL3 |
USER CONFIGURABLE SETTINGS | |||
Function |
Label |
Position | |
» |
SCSI low byte enabled |
HBEN |
Pins 2 & 3 closed |
SCSI high byte enabled |
HBEN |
Pins 1 & 2 closed |
DIMM CONFIGURATION | ||||
Size |
Bank 0 |
Bank 1 |
Bank 2 |
Bank 3 |
8MB |
(1) 1M x 64 |
None |
None |
None |
16MB |
(1) 1M x 64 |
(1) 1M x 64 |
None |
None |
16MB |
(1) 2M x 64 |
None |
None |
None |
24MB |
(1) 1M x 64 |
(1) 1M x 64 |
(1) 1M x 64 |
None |
32MB |
(1) 1M x 64 |
(1) 1M x 64 |
(1) 1M x 64 |
(1) 1M x 64 |
32MB |
(1) 2M x 64 |
(1) 2M x 64 |
None |
None |
32MB |
(1) 4M x 64 |
None |
None |
None |
48MB |
(1) 2M x 64 |
(1) 2M x 64 |
(1) 2M x 64 |
None |
64MB |
(1) 2M x 64 |
(1) 2M x 64 |
(1) 2M x 64 |
(1) 2M x 64 |
64MB |
(1) 4M x 64 |
(1) 4M x 64 |
None |
None |
64MB |
(1) 8M x 64 |
None |
None |
None |
96MB |
(1) 4M x 64 |
(1) 4M x 64 |
(1) 4M x 64 |
None |
128MB |
(1) 4M x 64 |
(1) 4M x 64 |
(1) 4M x 64 |
(1) 4M x 64 |
128MB |
(1) 8M x 64 |
(1) 8M x 64 |
None |
None |
128MB |
(1) 16M x 64 |
None |
None |
None |
192MB |
(1) 8M x 64 |
(1) 8M x 64 |
(1) 8M x 64 |
None |
256MB |
(1) 8M x 64 |
(1) 8M x 64 |
(1) 8M x 64 |
(1) 8M x 64 |
256MB |
(1) 16M x 64 |
(1) 16M x 64 |
None |
None |
256MB |
(1) 32M x 64 |
None |
None |
None |
DIMM CONFIGURATION (CON'T) | ||||
Size |
Bank 0 |
Bank 1 |
Bank 2 |
Bank 3 |
384MB |
(1) 16M x 64 |
(1) 16M x 64 |
(1) 16M x 64 |
None |
512MB |
(1) 16M x 64 |
(1) 16M x 64 |
(1) 16M x 64 |
(1) 16M x 64 |
512MB |
(1) 32M x 64 |
(1) 32M x 64 |
None |
None |
768MB |
(1) 32M x 64 |
(1) 32M x 64 |
(1) 32M x 64 |
None |
1GB |
(1) 32M x 64 |
(1) 32M x 64 |
(1) 32M x 64 |
(1) 32M x 64 |
Note: Board accepts EDO memory. Board also accepts x 72 SIMMs. |
CACHE CONFIGURATION |
Note: 256KB/512KB cache is located on the Pentium II CPU. |
CPU SPEED SELECTION | |||||
CPU speed |
JS1 |
JS2 |
JS3 |
JS4 |
JS5 |
180MHz |
1 & 2 |
1 & 2 |
1 & 2 |
1 & 2 |
1 & 2 |
200MHz |
2 & 3 |
2 & 3 |
2 & 3 |
2 & 3 |
1 & 2 |
233MHz |
2 & 3 |
2 & 3 |
2 & 3 |
2 & 3 |
1 & 2 |
266MHz |
2 & 3 |
2 & 3 |
2 & 3 |
2 & 3 |
1 & 2 |
Note: Pins designated should be in the closed position. |
CPU SPEED SELECTION (CON'T) | ||||
CPU speed |
JSS1 |
JSS2 |
JSS3 |
JSS4 |
180MHz |
1 & 2 |
2 & 3 |
1 & 2 |
1 & 2 |
200MHz |
1 & 2 |
2 & 3 |
1 & 2 |
1 & 2 |
233MHz |
2 & 3 |
2 & 3 |
1 & 2 |
1 & 2 |
266MHz |
1 & 2 |
1 & 2 |
2 & 3 |
1 & 2 |
Note: Pins designated should be in the closed position. |