ALPHA MICROSYSTEMS
AM-338, AM-339 RJE BOARD SET
Processor |
Z-80 |
Processor Speed |
4MHz |
Chip Set |
Unidentified |
Video Chip Set |
None |
Maximum Onboard Memory |
None |
Maximum Video Memory |
None |
Cache |
None |
BIOS |
Unidentified |
Dimensions |
Unidentified |
I/O Options |
Debug/trace port, synchronous communication port |
NPU Options |
None |
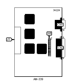
CONNECTIONS | |||
Purpose |
Location |
Purpose |
Location |
Debug/trace port |
CN1 |
AM-338 board connector |
J1 |
Synchronous communication port |
CN2 |
DTE/DCE CONFIGURATION | |
Setting |
W1 |
DTE |
1 & 2, 5 & 6, 9 & 10 13 & 14, 18 & 19, 21 & 22, 23 & 24, 25 & 26 |
DCE |
3 & 4, 7 & 8, 11 & 12, 15 & 16, 19 & 20, 21 & 22, 23 & 24, 25 & 26 |
DCE (test mode) |
3 & 4, 7 & 8, 11 & 12, 15 & 16, 19 & 20, 21 & 22, 23 & 25, 27 & 28 |
Note: Pins designated should be in the closed position. |
CONNECTIONS | |
Purpose |
Location |
AM-339 board connector |
J1 |
USER CONFIGURABLE SETTINGS | |||
Function |
Label |
Position | |
» |
Factory configured - do not alter |
W1 |
Pins 5 & 6 closed |
» |
Factory configured - do not alter |
W2 |
Closed |
MISCELLANEOUS TECHNICAL NOTE |
These boards provide a bisync interface for the Alpha Micro AM-1600 (Desktop and Deskside) allowing an interface between IBM mainframes when used with AlphaRJE software. |