BCM ADVANCED RESEARCH, INC.
SQ596
Processor |
CX M1/Pentium |
Processor Speed |
75/90/100/120/133/150/166/180/200MHz |
Chip Set |
Intel |
Video Chip Set |
None |
Maximum Onboard Memory |
256MB (EDO supported) |
Maximum Video Memory |
None |
Cache |
256/512KB |
BIOS |
Award |
Dimensions |
285mm x 210mm |
I/O Options |
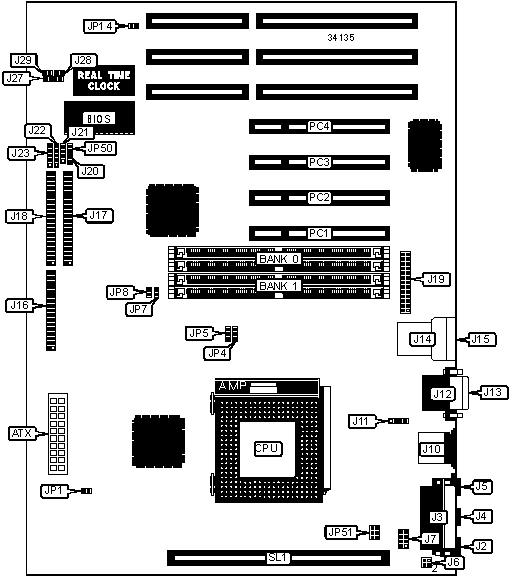
32-bit PCI slots (4), floppy drive interface, green PC connector, IDE interfaces (2), parallel port, PS/2 mouse port, serial ports (2), cache slot, IR connector, USB connectors (2), ATX power connector, line in connector, line out connector, microphone in connector, MIDI/joystick port, CD-ROM audio in connector, wavetable connector |
NPU Options |
None |
CONNECTIONS | |||
Purpose |
Location |
Purpose |
Location |
ATX power connector |
ATX |
IDE interface 2 |
J17 |
Line out connector |
J2 |
IDE interface 1 |
J18 |
MIDI/joystick port |
J3 |
Parallel port |
J19 |
Microphone connector |
J4 |
ATX power supply LED |
J20 |
Line in connector |
J5 |
IDE interface LED |
J21 |
Speaker in connector |
J6 pins 1 & 2 |
Power LED & keylock |
J22 |
Wavetable connector |
J7 |
IR connector |
J23 |
PS/2 mouse port |
J10 |
Speaker |
J27 |
CD-ROM audio in connector |
J11 |
Green PC connector |
J28 |
Serial port 1 |
J12 |
Reset switch |
J29 |
Serial port 2 |
J13 |
ATX power supply switch |
JP50 |
USB connector 1 |
J14 |
32-bit PCI slots |
PC1 – PC4 |
USB connector 2 |
J15 |
Cache slot |
SL1 |
Floppy drive interface |
J16 |
USER CONFIGURABLE SETTINGS | |||
Function |
Label |
Position | |
» |
CMOS memory normal operation |
JP14 |
Open |
CMOS memory clear |
JP14 |
Closed |
DRAM CONFIGURATION | ||
Size |
Bank 0 |
Bank 1 |
8MB |
(2) 1M x 36 |
None |
16MB |
(2) 2M x 36 |
None |
16MB |
(2) 1M x 36 |
(2) 1M x 36 |
24MB |
(2) 2M x 36 |
(2) 1M x 36 |
32MB |
(2) 4M x 36 |
None |
32MB |
(2) 2M x 36 |
(2) 2M x 36 |
40MB |
(2) 4M x 36 |
(2) 1M x 36 |
48MB |
(2) 4M x 36 |
(2) 2M x 36 |
64MB |
(2) 8M x 36 |
None |
64MB |
(2) 4M x 36 |
(2) 4M x 36 |
72MB |
(2) 8M x 36 |
(2) 1M x 36 |
80MB |
(2) 8M x 36 |
(2) 2M x 36 |
96MB |
(2) 8M x 36 |
(2) 4M x 36 |
128MB |
(2) 8M x 36 |
(2) 8M x 36 |
256MB |
(2) 16M x 36 |
(2) 16M x 36 |
Note: Board accepts EDO memory. |
CACHE CONFIGURATION | |
Size |
SL1 |
256KB |
256KB module installed |
512KB |
512KB module installed |
CPU SPEED SELECTION (CYRIX) | ||||||
CPU speed |
Clock speed |
Multiplier |
JP4 |
JP5 |
JP7 |
JP8 |
120MHz |
50MHz |
2x |
2 & 3 |
1 & 2 |
Closed |
Closed |
133MHz |
55MHz |
2x |
2 & 3 |
1 & 2 |
Open |
Open |
150MHz |
60MHz |
2x |
2 & 3 |
1 & 2 |
Closed |
Open |
166MHz |
66MHz |
2x |
2 & 3 |
1 & 2 |
Open |
Closed |
Note: Pins designated should be in the closed position. |
CPU SPEED SELECTION (INTEL) | ||||||
CPU speed |
Clock speed |
Multiplier |
JP4 |
JP5 |
JP7 |
JP8 |
75MHz |
50MHz |
1.5x |
1 & 2 |
1 & 2 |
Closed |
Closed |
90MHz |
60MHz |
1.5x |
1 & 2 |
1 & 2 |
Closed |
Open |
100MHz |
66MHz |
1.5x |
1 & 2 |
1 & 2 |
Open |
Closed |
120MHz |
60MHz |
2x |
2 & 3 |
1 & 2 |
Closed |
Open |
133MHz |
66MHz |
2x |
2 & 3 |
1 & 2 |
Open |
Closed |
150MHz |
60MHz |
2.5x |
2 & 3 |
2 & 3 |
Closed |
Open |
166MHz |
66MHz |
2.5x |
2 & 3 |
2 & 3 |
Open |
Closed |
180MHz |
60MHz |
3x |
1 & 2 |
2 & 3 |
Closed |
Open |
200MHz |
66MHz |
3x |
1 & 2 |
2 & 3 |
Open |
Closed |
Note: Pins designated should be in the closed position. |
CPU VOLTAGE SELECTION | |||
Voltage |
JP1 |
JP51 |
JP52 |
2.5v (P55C) |
Closed |
Open |
Closed |
3.135v – 3.6v (P54C STD) |
Closed |
1 & 2, 3 & 4, 5 & 6 |
Open |
3.4v – 3.6v (P54C VRE) |
Open |
1 & 2, 3 & 4, 5 & 6 |
Open |
Note: Pins designated should be in the closed position. The location of JP52 is unidentified. |