ASUS COMPUTER INTERNATIONAL
PVI-486SP3
Processor |
CX486S/AM486SX/AM486SXL/80486SX/CX486S2/AM486SX2/AM486SXL/ 80486SX2/80487SX/CX486DX/AM486DX/AM486DXL/U5S/80486DX/ AM486DX2/AM486DXL2/CX486DX2V/CX486DX2/AM486DX2V8B/AM486DXV8T/80486DX2/CX486DX4/AM486DX4/AM486DXL4/AM486DX4V8B/80486DX4/ P24D/P24CT/Pentium Overdrive |
Processor Speed |
25/33/40/50(internal)/50/66(internal)/75(internal)/100(internal)MHz |
Chip Set |
Unidentified |
Max. Onboard DRAM |
128MB |
Cache |
128/256/512KB |
BIOS |
Award |
Dimensions |
254mm x 218mm |
I/O Options |
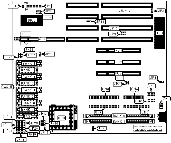
32-bit VESA local bus slot, 32-bit PCI slots (3), floppy drive interface, green PC connector, IDE interfaces (2), parallel port, PS/2 mouse interface, serial ports (2) |
NPU Options |
None |
CONNECTIONS | |||
Purpose |
Location |
Purpose |
Location |
PS/2 mouse interface |
CN1 |
Turbo LED |
J2 pins 12 - 13 |
Serial port 1 |
CN2 |
Green PC connector |
J2 pins 14 - 15 |
Serial port 2 |
CN3 |
Turbo switch |
J2 pins 16 - 17 |
Parallel port |
CN4 |
Reset switch |
J2 pins 19 - 20 |
Floppy drive interface |
CN5 |
Green PC connector |
JP2 |
IDE interface (primary) |
CN6 |
Green PC connector |
JP3 |
IDE interface (secondary) |
CN7 |
IDE interface LED |
JP34 |
Power LED & keylock |
J2 pins 1 - 5 |
32-bit PCI slots |
PC1 - PC3 |
Speaker |
J2 pins 7 - 10 |
32-bit VESA local bus slot |
SL1 |
USER CONFIGURABLE SETTINGS | |||
Function |
Jumper |
Position | |
» |
On board I/O enabled |
JP1 |
pins 2 & 3 closed |
On board I/O disabled |
JP1 |
pins 1 & 2 closed | |
» |
Monitor type select monochrome/VGA |
JP8 |
pins 1 & 2 closed |
Monitor type select CGA |
JP8 |
pins 2 & 3 closed | |
» |
PS/2 mouse enabled |
JP14 |
pins 2 & 3 closed |
PS/2 mouse disabled |
JP14 |
pins 1 & 2 closed |
DRAM CONFIGURATION | ||
Size |
Bank 0 |
Bank 1 |
1MB |
(1) 256K x 36 |
NONE |
2MB |
(1) 256K x 36 |
(1) 256K x 36 |
2MB |
(1) 512K x 36 |
NONE |
3MB |
(1) 256K x 36 |
(1) 512K x 36 |
3MB |
(1) 512K x 36 |
(1) 256K x 36 |
4MB |
(1) 512K x 36 |
(1) 512K x 36 |
4MB |
(1) 1M x 36 |
NONE |
5MB |
(1) 256K x 36 |
(1) 1M x 36 |
5MB |
(1) 1M x 36 |
(1) 256K x 36 |
6MB |
(1) 512K x 36 |
(1) 1M x 36 |
6MB |
(1) 1M x 36 |
(1) 512K x 36 |
8MB |
(1) 1M x 36 |
(1) 1M x 36 |
8MB |
(1) 2M x 36 |
NONE |
9MB |
(1) 256K x 36 |
(1) 2M x 36 |
9MB |
(1) 2M x 36 |
(1) 256K x 36 |
10MB |
(1) 512K x 36 |
(1) 2M x 36 |
10MB |
(1) 2M x 36 |
(1) 512K x 36 |
12MB |
(1) 1M x 36 |
(1) 2M x 36 |
12MB |
(1) 2M x 36 |
(1) 1M x 36 |
16MB |
(1) 2M x 36 |
(1) 2M x 36 |
16MB |
(1) 4M x 36 |
NONE |
17MB |
(1) 256K x 36 |
(1) 4M x 36 |
17MB |
(1) 4M x 36 |
(1) 256K x 36 |
DRAM CONFIGURATION (CON’T) | ||
Size |
Bank 0 |
Bank 1 |
18MB |
(1) 512K x 36 |
(1) 4M x 36 |
18MB |
(1) 4M x 36 |
(1) 512K x 36 |
20MB |
(1) 1M x 36 |
(1) 4M x 36 |
20MB |
(1) 4M x 36 |
(1) 1M x 36 |
24MB |
(1) 2M x 36 |
(1) 4M x 36 |
24MB |
(1) 4M x 36 |
(1) 2M x 36 |
32MB |
(1) 4M x 36 |
(1) 4M x 36 |
32MB |
(1) 8M x 36 |
NONE |
33MB |
(1) 256K x 36 |
(1) 8M x 36 |
33MB |
(1) 8M x 36 |
(1) 256K x 36 |
34MB |
(1) 512K x 36 |
(1) 8M x 36 |
34MB |
(1) 8M x 36 |
(1) 512K x 36 |
36MB |
(1) 1M x 36 |
(1) 8M x 36 |
36MB |
(1) 8M x 36 |
(1) 1M x 36 |
40MB |
(1) 2M x 36 |
(1) 8M x 36 |
40MB |
(1) 8M x 36 |
(1) 2M x 36 |
48MB |
(1) 4M x 36 |
(1) 8M x 36 |
48MB |
(1) 8M x 36 |
(1) 4M x 36 |
64MB |
(1) 16M x 36 |
NONE |
64MB |
(1) 8M x 36 |
(1) 8M x 36 |
65MB |
(1) 256K x 36 |
(1) 16M x 36 |
65MB |
(1) 16M x 36 |
(1) 256K x 36 |
66MB |
(1) 512K x 36 |
(1) 16M x 36 |
66MB |
(1) 16M x 36 |
(1) 512K x 36 |
68MB |
(1) 1M x 36 |
(1) 16M x 36 |
68MB |
(1) 16M x 36 |
(1) 1M x 36 |
72MB |
(1) 2M x 36 |
(1) 16M x 36 |
72MB |
(1) 16M x 36 |
(1) 2M x 36 |
80MB |
(1) 4M x 36 |
(1) 16M x 36 |
80MB |
(1) 16M x 36 |
(1) 4M x 36 |
96MB |
(1) 16M x 36 |
(1) 8M x 36 |
96MB |
(1) 8M x 36 |
(1) 16M x 36 |
128MB |
(1) 16M x 36 |
(1) 16M x 36 |
CACHE CONFIGURATION | |||
Size |
Bank 0 |
Bank 1 |
TAG |
128KB |
(4) 32K x 8 |
NONE |
(1) 8K x 8 |
256KB |
(4) 32K x 8 |
(4) 32K x 8 |
(1) 32K x 8 |
256KB |
(4) 64K x 8 |
NONE |
(1) 32K x 8 |
512KB |
(4) 128K x 8 |
NONE |
(1) 32K x 8 |
CACHE JUMPER CONFIGURATION | |||
Size |
JP15 |
JP16 |
JP17 |
128KB |
pins 1 & 2 closed |
pins 2 & 3 closed |
pins 2 & 3 closed |
256KB |
pins 1 & 2 closed |
pins 1 & 2 closed |
pins 1 & 2 closed |
256KB |
pins 1 & 2 closed |
pins 2 & 3 closed |
pins 1 & 2 closed |
512KB |
pins 2 & 3 closed |
pins 2 & 3 closed |
pins 1 & 2 closed |
CPU TYPE CONFIGURATION | |||
Type |
JP18 |
JP19 |
JP20 |
CX486S |
2 & 3, 5 & 6 |
2 & 3, 5 & 6 |
2 & 3 |
AM486SX |
5 & 6 |
4 & 5 |
4 & 5 |
AM486SXL |
5 & 6 |
4 & 5 |
4 & 5 |
80486SX |
1 & 2, 5 & 6 |
1 & 2, 5 & 6 |
1 & 2, 5 & 6 |
CX486S2 |
2 & 3, 5 & 6 |
2 & 3, 5 & 6 |
2 & 3 |
AM486SX2 |
5 & 6 |
4 & 5 |
4 & 5 |
AM486SXL2 |
5 & 6 |
4 & 5 |
4 & 5 |
80486SX2 |
1 & 2, 5 & 6 |
1 & 2, 5 & 6 |
1 & 2, 5 & 6 |
80487SX |
1 & 2, 5 & 6 |
1 & 2, 5 & 6 |
1 & 2, 5 & 6 |
CX486DX |
2 & 3, 5 & 6 |
2 & 3, 5 & 6 |
2 & 3 |
AM486DX |
5 & 6 |
4 & 5 |
4 & 5 |
AM486DXL |
5 & 6 |
4 & 5 |
4 & 5 |
U5S |
5 & 6 |
4 & 5 |
4 & 5 |
80486DX |
1 & 2, 5 & 6 |
1 & 2, 5 & 6 |
1 & 2, 5 & 6 |
AM486DX2 |
5 & 6 |
4 & 5 |
4 & 5 |
AM486DXL2 |
5 & 6 |
4 & 5 |
4 & 5 |
CX486DX2V |
2 & 3, 5 & 6 |
2 & 3, 5 & 6 |
2 & 3 |
CX486DX2 |
2 & 3, 5 & 6 |
2 & 3, 5 & 6 |
2 & 3 |
AM486DX2V8B |
1 & 2, 4 & 5 |
1 & 2, 5 & 6 |
1 & 2, 5 & 6 |
AM486DX2V8T |
1 & 2, 5 & 6 |
4 & 5 |
4 & 5 |
80486DX2 |
1 & 2, 5 & 6 |
1 & 2, 5 & 6 |
1 & 2, 5 & 6 |
CX486DX4 |
1 & 2, 4 & 5 |
1 & 2, 5 & 6 |
1 & 2, 5 & 6 |
AM486DX4 |
1 & 2, 5 & 6 |
4 & 5 |
4 & 5 |
AM486DXL4 |
1 & 2, 5 & 6 |
4 & 5 |
4 & 5 |
AM486DX4V8B |
1 & 2, 4 & 5 |
1 & 2, 5 & 6 |
1 & 2, 5 & 6 |
80486DX4 |
1 & 2, 5 & 6 |
1 & 2, 5 & 6 |
1 & 2, 5 & 6 |
P24D |
4 & 5 |
1 & 2, 5 & 6 |
1 & 2, 5 & 6 |
P24CT |
1 & 2, 4 & 5 |
1 & 2, 5 & 6 |
5 & 6 |
Pentium Overdrive |
1 & 2, 4 & 5 |
1 & 2, 5 & 6 |
5 & 6 |
Note: Pins designated should be in the closed position. |
CPU TYPE CONFIGURATION (CON’T) | ||||
Type |
JP21 |
JP22 |
JP23 |
JP24 |
CX486S |
2 & 3 |
2 & 3 |
Open |
2 & 3 |
AM486SX |
Open |
4 & 5 |
5 & 6 |
2 & 3 |
AM486SXL |
Open |
4 & 5 |
5 & 6 |
2 & 3 |
80486SX |
1 & 2 |
Open |
Open |
2 & 3 |
CX486S2 |
2 & 3 |
2 & 3 |
Open |
2 & 3 |
AM486SX2 |
Open |
4 & 5 |
5 & 6 |
2 & 3 |
AM486SXL2 |
Open |
4 & 5 |
5 & 6 |
2 & 3 |
80486SX2 |
1 & 2 |
Open |
Open |
2 & 3 |
80487SX |
1 & 2 |
1 & 2 |
Open |
1 & 2 |
CX486DX |
2 & 3 |
2 & 3 |
Open |
1 & 2 |
AM486DX |
Open |
4 & 5 |
5 & 6 |
1 & 2 |
AM486DXL |
Open |
4 & 5 |
5 & 6 |
1 & 2 |
U5S |
Open |
4 & 5 |
5 & 6 |
2 & 3 |
80486DX |
1 & 2 |
1 & 2 |
Open |
1 & 2 |
AM486DX2 |
Open |
4 & 5 |
5 & 6 |
1 & 2 |
AM486DXL2 |
Open |
4 & 5 |
5 & 6 |
1 & 2 |
CX486DX2V |
2 & 3 |
2 & 3 |
1 & 2 |
1 & 2 |
CX486DX2 |
2 & 3 |
2 & 3 |
Open |
1 & 2 |
AM486DX2V8B |
1 & 2, 3 & 4, 5 & 6 |
Open |
3 & 4 |
1 & 2, 4 & 5 |
AM486DX2V8T |
Open |
4 & 5 |
2 & 3, 5 & 6 |
1 & 2, 4 & 5 |
80486DX2 |
1 & 2 |
1 & 2 |
Open |
1 & 2 |
CX486DX4 |
1 & 2, 3 & 4, 5 & 6 |
Open |
Open |
1 & 2 |
AM486DX4 |
Open |
4 & 5 |
2 & 3, 5 & 6 |
1 & 2, 4 & 5 |
AM486DXL4 |
Open |
4 & 5 |
2 & 3, 5 & 6 |
1 & 2, 4 & 5 |
AM486DX4V8B |
1 & 2, 3 & 4, 5 & 6 |
Open |
3 & 4 |
1 & 2, 4 & 5 |
80486DX4 |
1 & 2 |
1 & 2 |
Open |
1 & 2 |
P24D |
1 & 2, 3 & 4, 5 & 6 |
Open |
3 & 4 |
1 & 2, 4 & 5 |
P24CT |
1 & 2 |
Open |
3 & 4 |
1 & 2 |
Pentium Overdrive |
1 & 2 |
Open |
3 & 4 |
1 & 2 |
Note: Pins designated should be in the closed position. |
CPU SPEED CONFIGURATION (VT8228) | ||||
Speed |
JP25 |
JP26 |
JP27 |
JP28 |
25MHz |
pins 1 & 2 closed |
pins 2 & 3 closed |
pins 1 & 2 closed |
pins 2 & 3 closed |
33MHz |
pins 1 & 2 closed |
pins 2 & 3 closed |
pins 2 & 3 closed |
pins 1 & 2 closed |
40MHz |
pins 1 & 2 closed |
pins 1 & 2 closed |
pins 1 & 2 closed |
pins 2 & 3 closed |
50iMHz |
pins 1 & 2 closed |
pins 2 & 3 closed |
pins 1 & 2 closed |
pins 2 & 3 closed |
50MHz |
pins 2 & 3 closed |
pins 2 & 3 closed |
pins 1 & 2 closed |
pins 2 & 3 closed |
66iMHz |
pins 1 & 2 closed |
pins 2 & 3 closed |
pins 2 & 3 closed |
pins 1 & 2 closed |
75iMHz |
pins 1 & 2 closed |
pins 2 & 3 closed |
pins 1 & 2 closed |
pins 2 & 3 closed |
100iMHz |
pins 1 & 2 closed |
pins 2 & 3 closed |
pins 2 & 3 closed |
pins 1 & 2 closed |
CPU SPEED CONFIGURATION (AV9155) | ||||
Speed |
JP25 |
JP26 |
JP27 |
JP28 |
25MHz |
pins 1 & 2 closed |
pins 2 & 3 closed |
pins 2 & 3 closed |
pins 1 & 2 closed |
33MHz |
pins 1 & 2 closed |
pins 1 & 2 closed |
pins 2 & 3 closed |
pins 1 & 2 closed |
40MHz |
pins 1 & 2 closed |
pins 2 & 3 closed |
pins 1 & 2 closed |
pins 1 & 2 closed |
50iMHz |
pins 1 & 2 closed |
pins 2 & 3 closed |
pins 2 & 3 closed |
pins 1 & 2 closed |
50MHz |
pins 2 & 3 closed |
pins 2 & 3 closed |
pins 2 & 3 closed |
pins 1 & 2 closed |
66iMHz |
pins 1 & 2 closed |
pins 1 & 2 closed |
pins 2 & 3 closed |
pins 1 & 2 closed |
75iMHz |
pins 1 & 2 closed |
pins 2 & 3 closed |
pins 2 & 3 closed |
pins 1 & 2 closed |
100iMHz |
pins 1 & 2 closed |
pins 1 & 2 closed |
pins 2 & 3 closed |
pins 1 & 2 closed |
CPU VOLTAGE CONFIGURATION | |
Voltage |
JP7 |
3.45v |
pins 1 & 2 closed |
3.6v |
pins 2 & 3 closed |
VESA WAIT STATE CONFIGURATION | |
Wait states |
JP29 |
0 wait states |
pins 1 & 2 closed |
1 wait state |
pins 2 & 3 closed |
BUS SPEED CONFIGURATION | |
CPU speed |
JP30 |
<= 33MHz |
pins 1 & 2 closed |
> 33MHz |
pins 2 & 3 closed |
BIOS CONFIGURATION | ||
Setting |
JP32 |
JP33 |
EPROM |
pins 2 & 3 closed |
pins 2 & 3 closed |
5v |
pins 1 & 2 closed |
pins 2 & 3 closed |
12v |
pins 1 & 2 closed |
pins 1 & 2 closed |
DMA CONFIGURATION | ||
DMA |
JP9 |
JP10 |
DMA 1 |
pins 2 & 3 closed |
pins 2 & 3 closed |
DMA 3 |
pins 1 & 2 closed |
pins 1 & 2 closed |