AST RESEARCH, INC.
PREMMIA SE
Processor |
80486SX/80486DX/80486DX2/Pentium Overdrive/Pentium |
Processor Speed |
25/33/50(internal)/66(internal)MHz |
Chip Set |
AST |
Max. Onboard DRAM |
128MB |
Cache |
64/128/256KB (with external cache card installed) |
BIOS |
AST |
Dimensions |
330mm x 218mm |
I/O Options |
Floppy drive interfaces (2), IDE interface, parallel port, PS/2 mouse port, serial ports (2), VGA feature connector, VGA port, SCSI backplane card |
NPU Options |
None |
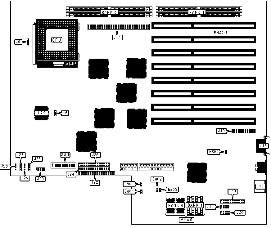
CONNECTIONS | |||
Purpose |
Location |
Purpose |
Location |
Chassis fan power |
J9 |
IDE interface |
J22 |
PS/2 mouse port |
J12 |
Floppy drive interface (primary) |
J24 |
Parallel port |
J13 |
Floppy drive interface (secondary) |
J25 |
Serial port 1 |
J14 |
External battery |
J26 |
Pentium/Cache upgrade connector |
J17 |
Speaker |
J27 |
VGA port |
J18 |
Chassis fan power |
J28 |
VGA feature connector |
J19 |
Control console connector |
J29 |
Serial port 2 |
J20 |
IDE interface LED |
J35 |
USER CONFIGURABLE SETTINGS | |||
Function |
Jumper/Switch |
Position | |
» |
Flash BIOS type select 5v - 5volt |
E6 |
pins 2 & 3 closed |
Flash BIOS type select 12v - 12volt |
E6 |
pins 1 & 2 closed | |
» |
Factory configured - do not alter |
E800 |
pins 1 & 2 closed |
» |
Factory configured - do not alter |
E801 |
pins 2 & 3 closed |
» |
Factory configured - do not alter |
E802 |
pins 2 & 3 closed |
» |
Factory configured - do not alter |
E803 |
pins 1 & 2 closed |
» |
Factory configured - do not alter |
E804 |
pins 1 & 2 closed |
» |
On board video enabled |
SW1/1 |
On |
On board video disabled |
SW1/1 |
Off | |
» |
Factory configured - do not alter |
SW1/2 |
Off |
» |
EISA CMOS memory normal operation |
SW1/3 |
Off |
EISA CMOS memory clear |
SW1/3 |
On | |
» |
Boot type select normal |
SW1/4 |
Off |
Boot type select flash BIOS update |
SW1/4 |
On | |
» |
Password disabled |
SW1/5 |
On |
Password enabled |
SW1/5 |
Off | |
» |
Factory configured - do not alter |
SW1/6 |
Off |
» |
System setup type select allow access |
SW1/7 |
Off |
System setup type select deny access |
SW1/7 |
On | |
» |
Factory configured - do not alter |
SW1/8 |
Off |
» |
I/O port address select 0398h |
SW1/9 |
On |
I/O port address select 026Eh |
SW1/9 |
Off | |
» |
Factory configured - do not alter |
SW1/10 |
Off |
DRAM CONFIGURATION | ||
Size |
Bank 0 |
Bank 1 |
2MB |
(2) 256K x 36 |
NONE |
4MB |
(2) 256K x 36 |
(2) 256K x 36 |
4MB |
(2) 512K x 36 |
NONE |
6MB |
(2) 256K x 36 |
(2) 512K x 36 |
8MB |
(2) 512K x 36 |
(2) 512K x 36 |
10MB |
(2) 256K x 36 |
(2) 1M x 36 |
12MB |
(2) 512K x 36 |
(2) 1M x 36 |
16MB |
(2) 2M x 36 |
NONE |
18MB |
(2) 256K x 36 |
(2) 2M x 36 |
20MB |
(2) 512K x 36 |
(2) 2M x 36 |
24MB |
(2) 1M x 36 |
(2) 2M x 36 |
32MB |
(2) 2M x 36 |
(2) 2M x 36 |
32MB |
(2) 4M x 36 |
NONE |
34MB |
(2) 256K x 36 |
(2) 4M x 36 |
36MB |
(2) 512K x 36 |
(2) 4M x 36 |
40MB |
(2) 1M x 36 |
(2) 4M x 36 |
48MB |
(2) 2M x 36 |
(2) 4M x 36 |
64MB |
(2) 4M x 36 |
(2) 4M x 36 |
64MB |
(2) 8M x 36 |
NONE |
66MB |
(2) 256K x 36 |
(2) 8M x 36 |
68MB |
(2) 512K x 36 |
(2) 8M x 36 |
72MB |
(2) 1M x 36 |
(2) 8M x 36 |
80MB |
(2) 2M x 36 |
(2) 8M x 36 |
96MB |
(2) 4M x 36 |
(2) 8M x 36 |
128MB |
(2) 8M x 36 |
(2) 8M x 36 |
VIDEO MEMORY CONFIGURATION | ||
Size |
Bank 0 |
Bank 1 |
515KB |
(2) 256K x 4 |
NONE |
1MB |
(2) 256K x 4 |
(2) 256K x 4 |
Note: Bank 0- is factory installed and is not configurable. |
MISCELLANEOUS TECHNICAL NOTE |
Note: CPU speed is dependent upon main board model. |
CONNECTIONS | |||
Purpose |
Location |
Purpose |
Location |
DC power connector 1 |
CN1 |
SCSI connector |
J4 |
DC power connector 2 |
CN2 |
SCSI connector |
J7 |
SCSI connector |
J1 |
SCSI drive cage connector |
J8 |
SCSI drive cage connector |
J2 |
SCSI drive cage connector |
J9 |
SCSI drive cage connector |
J3 |
SCSI connector |
J10 |
USER CONFIGURABLE SETTINGS | |||
Function |
Jumper |
Position | |
» |
Terminator power jumper enabled |
E13 |
Closed |
Terminator power jumper disabled |
E13 |
Open | |
» |
Terminator power jumper enabled |
E14 |
Closed |
Terminator power jumper disabled |
E14 |
Open |
SCSI ID CONFIGURATION (J1) | |||
Setting |
E1 |
E2 |
E3 |
ID0 |
Open |
Open |
Open |
ID1 |
Closed |
Open |
Open |
ID2 |
Open |
Closed |
Open |
ID3 |
Closed |
Closed |
Open |
ID4 |
Open |
Open |
Closed |
ID5 |
Closed |
Open |
Closed |
ID6 |
Open |
Closed |
Closed |
ID7 |
N/A |
N/A |
N/A |
Note: ID7 is factory reserved - do not alter. |
SCSI ID CONFIGURATION (J4) | |||
Setting |
E4 |
E5 |
E6 |
ID0 |
Open |
Open |
Open |
ID1 |
Closed |
Open |
Open |
ID2 |
Open |
Closed |
Open |
ID3 |
Closed |
Closed |
Open |
ID4 |
Open |
Open |
Closed |
ID5 |
Closed |
Open |
Closed |
ID6 |
Open |
Closed |
Closed |
ID7 |
N/A |
N/A |
N/A |
Note: ID7 is factory reserved - do not alter. |
SCSI ID CONFIGURATION (J7) | |||
Setting |
E7 |
E8 |
E9 |
ID0 |
Open |
Open |
Open |
ID1 |
Closed |
Open |
Open |
ID2 |
Open |
Closed |
Open |
ID3 |
Closed |
Closed |
Open |
ID4 |
Open |
Open |
Closed |
ID5 |
Closed |
Open |
Closed |
ID6 |
Open |
Closed |
Closed |
ID7 |
N/A |
N/A |
N/A |
Note: ID7 is factory reserved - do not alter. |
SCSI ID CONFIGURATION (J10) | |||
Setting |
E10 |
E11 |
E12 |
ID0 |
Open |
Open |
Open |
ID1 |
Closed |
Open |
Open |
ID2 |
Open |
Closed |
Open |
ID3 |
Closed |
Closed |
Open |
ID4 |
Open |
Open |
Closed |
ID5 |
Closed |
Open |
Closed |
ID6 |
Open |
Closed |
Closed |
ID7 |
N/A |
N/A |
N/A |
Note: ID7 is factory reserved - do not alter. |