AUSTIN COMPUTER SYSTEMS
486/DX2 50E WINSTATION
Processor |
80486DX/80486DX2 |
Processor Speed |
25/33/50(internal)/50/66(internal)MHz |
Chip Set |
None |
Max. Onboard DRAM |
64MB |
Cache |
64/128/256KB (on external CPU card) |
BIOS |
AMI |
Dimensions |
330mm x 218mm |
I/O Options |
32-bit external CPU card slot |
NPU Options |
None |
CONNECTIONS | |||
Purpose |
Location |
Purpose |
Location |
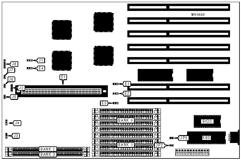
Speaker |
J2 |
Reset switch |
J7 |
Turbo LED |
J5 |
Power LED & keylock |
J8 |
Turbo switch |
J6 |
32-bit external CPU card |
S1 |
USER CONFIGURABLE SETTINGS | |||
Function |
Jumper |
Position | |
» |
Factory configured - do not alter (on external CPU card) |
CE1 |
N/A |
» |
Factory configured - do not alter (on external CPU card) |
CE2 |
N/A |
» |
I/O recovery time disabled (normal) |
E1 |
pins 1 & 2 closed |
I/O recovery time enabled (slower) |
E1 |
pins 2 & 3 closed | |
» |
Factory configured - do not alter |
E2 |
pins 2 & 3 closed |
» |
Factory configured - do not alter |
E3 |
pins 1 & 2 closed |
» |
System base memory size select 640KB |
J1 |
pins 1 & 2 closed |
System base memory size select 512KB |
J1 |
pins 2 & 3 closed | |
» |
Monitor type select color |
JP2 |
Closed |
Monitor type select monochrome |
JP2 |
Open | |
» |
Factory configured - do not alter |
JP3 |
pins 1 & 2 closed |
DRAM CONFIGURATION | ||||
Size |
Bank 0 |
Bank 1 |
Bank 2 |
Bank 3 |
4MB |
(4) 1M x 9 |
NONE |
NONE |
NONE |
8MB |
(4) 1M x 9 |
(4) 1M x 9 |
NONE |
NONE |
12MB |
(4) 1M x 9 |
(4) 1M x 9 |
(1) 1M x 36 |
NONE |
16MB |
(4) 1M x 9 |
(4) 1M x 9 |
(1) 1M x 36 |
(1) 1M x 36 |
16MB |
(4) 4M x 9 |
NONE |
NONE |
NONE |
20MB |
(4) 4M x 9 |
(4) 1M x 9 |
NONE |
NONE |
24MB |
(4) 4M x 9 |
(4) 1M x 9 |
(1) 1M x 36 |
NONE |
32MB |
(4) 4M x 9 |
(4) 4M x 9 |
NONE |
NONE |
40MB |
(4) 4M x 9 |
(4) 4M x 9 |
(1) 1M x 36 |
(1) 1M x 36 |
48MB |
(4) 4M x 9 |
(4) 4M x 9 |
(4) 4M x 9 |
NONE |
64MB |
(4) 4M x 9 |
(4) 4M x 9 |
(4) 4M x 36 |
(4) 4M x 36 |
DRAM JUMPER CONFIGURATION | ||
Size |
J3 |
J4 |
4MB |
pins 2 & 3 closed |
pins 2 & 3 closed |
8MB |
pins 2 & 3 closed |
pins 2 & 3 closed |
12MB |
pins 2 & 3 closed |
pins 2 & 3 closed |
16MB |
pins 2 & 3 closed |
pins 2 & 3 closed |
16MB |
pins 1 & 2 closed |
pins 1 & 2 closed |
20MB |
pins 1 & 2 closed |
pins 1 & 2 closed |
24MB |
pins 2 & 3 closed |
pins 1 & 2 closed |
32MB |
pins 1 & 2 closed |
pins 1 & 2 closed |
40MB |
pins 2 & 3 closed |
pins 1 & 2 closed |
48MB |
pins 1 & 2 closed |
pins 1 & 2 closed |
64MB |
pins 1 & 2 closed |
pins 1 & 2 closed |
CACHE CONFIGURATION | ||
Size |
Bank 0 |
Bank 1 |
64KB |
(5) 8K x 8 |
(5) 8K x 8 |
128KB |
(5) 32K x 8 |
NONE |
256KB |
(5) 32K x 8 |
(5) 32K x 8 |
CACHE JUMPER CONFIGURATION | |||||
Size |
SR1 |
SR2 |
SR3 |
SR4 |
SR5 |
64KB |
1 & 2 |
1 & 2 |
1 & 2 |
1 & 2 |
1 & 2 |
128KB |
2 & 3 |
1 & 2 |
1 & 2 |
2 & 3 |
1 & 2 |
256KB |
2 & 3 |
2 & 3 |
2 & 3 |
2 & 3 |
2 & 3 |
Note: Pins designated should be in the closed position. |
CACHE JUMPER CONFIGURATION (CON’T) | |||||
Size |
SR6 |
SR7 |
SR8 |
SR9 |
SR10 |
64KB |
1 & 2 |
1 & 2 |
1 & 2 |
1 & 2 |
1 & 2 |
128KB |
1 & 2 |
1 & 2 |
2 & 3 |
1 & 2 |
2 & 3 |
256KB |
2 & 3 |
2 & 3 |
2 & 3 |
2 & 3 |
2 & 3 |
Note: Pins designated should be in the closed position. |