UNIDENTIFIED
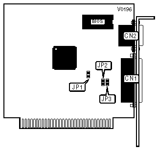
M/G/P CARD
Card Type |
Graphics/printer card |
Chipset/Controller |
Unidentified |
I/O Options |
Parallel port, video port |
Maximum DRAM |
N/A |
CONNECTIONS | |||
Purpose |
Location |
Purpose |
Location |
Parallel port |
CN1 |
15-pin analog video port |
CN2 |
BIOS TYPE CONFIGURATION | ||
Type |
JP1 | |
» |
2764 |
Closed |
UM2301 |
Open |
PARALLEL PORT CONFIGURATION | ||
LPT |
JP2 |
JP3 |
1 |
Open |
Open |
2 |
Open |
Closed |
3 |
Closed |
Open |
Disabled |
Closed |
Closed |