UNIDENTIFIED
SERIAL/PARALLEL & GAME PORT CARD
Card Type |
Multi I/O card |
Chipset/Controller |
N/A |
I/O Options |
Game port, parallel port, serial ports (2) |
Maximum DRAM |
N/A |
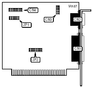
CONNECTIONS | |||
Purpose |
Location |
Purpose |
Location |
Parallel port |
CN1 |
Serial port 2 |
CN3 |
Serial port 1 |
CN2 |
Game port |
CN4 |
SERIAL PORT CONFIGURATION | ||||||
Port 1 (CN2) |
Port 2 (CN3) |
JP1/3 |
JP1/4 |
JP1/5 |
JP1/6 | |
» |
COM1 |
COM2 |
Open |
Open |
Closed |
Closed |
COM3 |
COM3 |
Closed |
Closed |
Closed |
Open | |
COM4 |
COM4 |
Closed |
Closed |
Open |
Closed | |
Disabled |
Disabled |
Open |
Open |
Open |
Open |
SERIAL PORT 1 INTERRUPT SELECTION | ||||
Port 1 (CN2) |
JP2/1 |
JP2/2 |
JP2/3 | |
» |
4 |
Closed |
Open |
Open |
5 |
Open |
Closed |
Open | |
9 |
Open |
Open |
Closed |
SERIAL PORT 2 INTERRUPT SELECTION | ||||
Port 2 (CN3) |
JP2/4 |
JP2/5 |
JP2/6 | |
» |
3 |
Closed |
Open |
Open |
9 |
Open |
Closed |
Open | |
5 |
Open |
Open |
Closed |
PARALLEL PORT CONFIGURATION | |||
LPT |
JP1/1 |
JP1/2 | |
» |
1 |
Closed |
Open |
2 |
Open |
Closed | |
Disabled |
Closed |
Closed |
PARALLEL PORT INTERRUPT SELECTION | |||
IRQ |
JP2/7 |
JP2/8 | |
» |
7 |
Closed |
Open |
5 |
Open |
Closed | |
Disabled |
Closed |
Closed |