UNIDENTIFIED
AT MULTI I/O AI-3
Card Type |
Multi I/O card |
Chipset/Controller |
N/A |
I/O Options |
Game port, parallel port, serial ports (2) |
Maximum DRAM |
N/A |
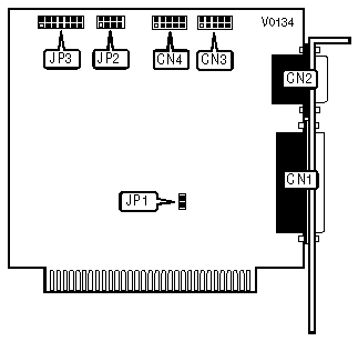
CONNECTIONS | |||
Purpose |
Location |
Purpose |
Location |
Parallel port |
CN1 |
Serial port 1 |
CN3 |
Serial port 2 |
CN2 |
Game port |
CN4 |
SERIAL PORT CONFIGURATION | ||
Port 1 (CN3) |
JP3 | |
» |
COM1 |
Pins 1 & 2, 13 & 14 |
COM3 |
Pins 3 & 4, 13 & 14 | |
Disabled |
Open |
SERIAL PORT CONFIGURATION | ||
Port 2 (CN2) |
JP3 | |
» |
COM2 |
Pins 5 & 6, 11 & 12 |
COM4 |
Pins 7 & 8, 11 & 12 | |
Disabled |
Open |
PARALLEL PORT CONFIGURATION | ||
LPT |
JP2 | |
» |
1 |
Pins 1 & 2, 5 & 6 closed |
2 |
Pins 3 & 4, 7 & 8 closed |
GAME PORT CONFIGURATION | ||
Setting |
JP1 | |
» |
Enabled |
Closed |
Disabled |
Open |
FACTORY CONFIGURED - DO NOT ALTER | |
Jumper |
Position |
JP3 |
Pins 9 & 10 closed |