TEKNOR INDUSTRIAL COMPUTERS, INC.
TEK-857
Card Type |
Serial Expansion card |
Chip Set |
Unidentified |
I/O Options |
Serial ports (3), PC/104 connectors (2) |
CONNECTIONS |
|||
Function |
Label |
Function |
Label |
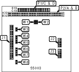
Serial port A, B, C, D connector |
J1 |
16-bit PC/104 connector |
P1/C & D |
Serial port E connector |
J2 |
8-bit PC/104 connector |
P2/A & B |
Serial port F connector |
J3 |
|
|
COM B TERMINATION RESISTOR SETTINGS |
||
Function |
Label |
Position |
CH.A termination enabled |
W3 |
Closed |
CH.A termination disabled |
W3 |
Open |
CH.B termination enabled |
W4 |
Closed |
CH.B termination disabled |
W4 |
Open |
COM C TERMINATION RESISTOR SETTINGS |
||
Function |
Label |
Position |
CH.A termination enabled |
W6 |
Closed |
CH.A termination disabled |
W6 |
Open |
CH.B termination enabled |
W5 |
Closed |
CH.B termination disabled |
W5 |
Open |
COM D TERMINATION RESISTOR SETTINGS |
||
Function |
Label |
Position |
CH.A termination enabled |
W8 |
Closed |
CH.A termination disabled |
W8 |
Open |
CH.B termination enabled |
W7 |
Closed |
CH.B termination disabled |
W7 |
Open |
BASE I/O ADDRESS SELECTION |
|||||||
Alternate |
COM A |
COM B |
COM C |
COM D |
COM E |
COM F |
W1 |
398h |
2E8h |
258h |
3E8h |
338h |
298h |
3B8h |
» Open |
4D8h |
438h |
478h |
418h |
458h |
498h |
4B8h |
Closed |
SERIAL PORT INTERRUPT SELECTION |
||||||
COM A |
COM B |
COM C |
COM D |
COM E |
COM F |
W2 |
IRQ11 |
IRQ15 |
IRQ10 |
IRQ9 |
IRQ11 |
IRQ11 |
» Open |
Disabled |
Disabled |
Disabled |
Disabled |
Disabled |
Disabled |
Closed |
Note: When the IRQ lines are enabled, COM A, COM E, and COM F share the same interrupt setting. |