SEAGATE TECHNOLOGY, INC
HIGH SPEED TAPE CONTROLLER
Card Type |
Tape controller card |
Chip Set |
Unidentified |
Maximum Onboard Memory |
Unidentified |
I/O Options |
Parallel port, proprietary interface |
Hard Drives supported |
None |
Floppy drives supported |
None |
Data Bus |
8-bit ISA |
Card Size |
Half-length, half-height card |
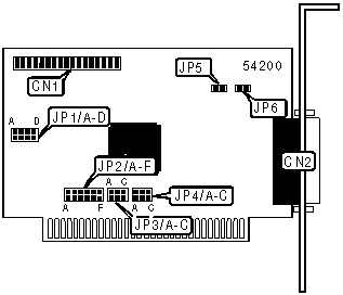
CONNECTIONS | |||
Function |
Label |
Function |
Label |
34-pin proprietary connector |
CN1 |
25-pin parallel port |
CN2 |
USER CONFIGURABLE SETTINGS | |||
Function |
Label |
Position | |
» |
Factory configured - do not alter (power jumper) |
JP5 |
Closed |
» |
Factory configured - do not alter (power jumper) |
JP6 |
Closed |
DMA CHANNEL SELECTION | |||||||
Channel |
JP3/A |
JP3/B |
JP3/C |
JP4/A |
JP4/B |
JP4/C | |
1 |
Closed |
Open |
Open |
Closed |
Open |
Open | |
» |
2 |
Open |
Closed |
Open |
Open |
Closed |
Open |
3 |
Open |
Open |
Closed |
Open |
Open |
Closed |
BASE I/O ADDRESS SELECTION | |||||
Setting |
JP1/A |
JP1/B |
JP1/C |
JP1/D | |
360h |
Open |
Open |
Open |
Closed | |
» |
370h |
Open |
Open |
Closed |
Open |
3E0h |
Open |
Closed |
Open |
Open | |
3F0h |
Closed |
Open |
Open |
Open |
IRQ INTERRUPT SELECTION | |||||||
IRQ |
JP2/A |
JP2/B |
JP2/C |
JP2/D |
JP2/E |
JP2/F | |
IRQ2 |
Open |
Open |
Open |
Open |
Open |
Closed | |
IRQ3 |
Open |
Open |
Open |
Open |
Closed |
Open | |
IRQ4 |
Open |
Open |
Open |
Closed |
Open |
Open | |
IRQ5 |
Open |
Open |
Closed |
Open |
Open |
Open | |
» |
IRQ6 |
Open |
Closed |
Open |
Open |
Open |
Open |
IRQ7 |
Closed |
Open |
Open |
Open |
Open |
Open |
MISCELLANEOUS TECHNICAL NOTES |
Seagate tape controller is designed to operate at 2 Megabits per second when used with the 1700 Travan internal model tape drive and the 3200 Travan internal model tape drive. When used with the 250, 420, 800, and 850 internal model tape drives, the Seagate tape controller operates at a reduced speed of 1 Megabit per second. |