SYSGEN, INC.
OMNI-BRIDGE
Card Type |
Floppy drive controller |
Chip Set |
Unidentified |
Maximum Onboard Memory |
None |
I/O Options |
floppy drive interface |
Data Bus |
8-bit ISA |
Floppy drives supported |
Two 360KB, 720KB, 1.2MB, or 1.44MB drives |
CONNECTIONS | |||
Function |
Label |
Function |
Label |
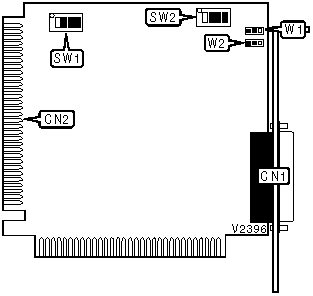
Floppy drive module connector |
CN1 |
Floppy drive interface |
CN2 |
USER CONFIGURABLE SETTINGS | |||
Function |
Label |
Position | |
» |
I/O address select is 3F0h - 3F7h |
SW2/3 |
Off |
I/O address select is 370h - 377h |
SW2/3 |
On | |
Fixed drive speed |
SW2/4 |
Off | |
Dual drive speed |
SW2/4 |
On |
DRIVE TYPE A CONFIGURATION | ||
Type |
SW1/1 |
SW1/2 |
360KB |
Off |
Off |
720KB |
On |
Off |
1.2MB |
Off |
On |
1.44MB |
On |
On |
DRIVE TYPE B CONFIGURATION | ||
Type |
SW1/3 |
SW1/4 |
360KB |
Off |
Off |
720KB |
On |
Off |
1.2MB |
Off |
On |
1.44MB |
On |
On |
BIOS ADDRESS SELECTION | ||
Address |
SW2/1 |
SW2/2 |
CA00h |
Off |
On |
CC00h |
On |
Off |
CE00h |
On |
On |
None |
Off |
Off |
EXTERNAL POWER CONFIGURATION | ||
Setting |
W1 |
W2 |
Disabled |
Pins 2 & 3 closed |
Pins 2 & 3 closed |
Enabled |
Pins 1 & 2 closed |
Pins 1 & 2 closed |