SONY CORPORATION
CDB-241
Card Type |
CD-ROM host card |
Chip Set |
Unidentified |
Maximum Onboard Memory |
None |
I/O Options |
Audio in, host bus connector, line out (2) |
Data Bus |
8-bit ISA |
Floppy drives supported |
None |
CONNECTIONS | |||
Function |
Label |
Function |
Label |
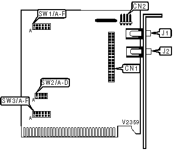
Internal host bus connector |
CN1 |
Line out |
J2 |
Line out |
J1 |
Audio in |
CN2 |
BIOS ADDRESS SELECTION | |||||||
Address |
SW1/A |
SW1/B |
SW1/C |
SW1/D |
SW1/E |
SW1/F | |
300h |
Open |
Open |
Open |
Open |
Open |
Open | |
304h |
Closed |
Open |
Open |
Open |
Open |
Open | |
308h |
Open |
Closed |
Open |
Open |
Open |
Open | |
30Ch |
Closed |
Closed |
Open |
Open |
Open |
Open | |
310h |
Open |
Open |
Closed |
Open |
Open |
Open | |
320h |
Open |
Open |
Open |
Closed |
Open |
Open | |
330h |
Open |
Open |
Closed |
Closed |
Open |
Open | |
» |
340h |
Open |
Open |
Open |
Open |
Closed |
Open |
350h |
Open |
Open |
Closed |
Open |
Closed |
Open | |
360h |
Open |
Open |
Open |
Closed |
Closed |
Open | |
370h |
Open |
Open |
Closed |
Closed |
Closed |
Open | |
380h |
Open |
Open |
Open |
Open |
Open |
Closed | |
390h |
Open |
Open |
Closed |
Open |
Open |
Closed | |
3A0h |
Open |
Open |
Open |
Closed |
Open |
Closed | |
3B0h |
Open |
Open |
Closed |
Closed |
Open |
Closed | |
3C0h |
Open |
Open |
Open |
Open |
Closed |
Closed | |
3D0h |
Open |
Open |
Closed |
Open |
Closed |
Closed | |
3E0h |
Open |
Open |
Open |
Closed |
Closed |
Closed | |
3F0h |
Open |
Open |
Closed |
Closed |
Closed |
Closed |
INTERRUPT SELECTION | ||||
IRQ |
SW2/A |
SW2/B |
SW2/C |
SW2/D |
2 |
Closed |
Open |
Open |
Open |
3 |
Open |
Closed |
Open |
Open |
4 |
Open |
Open |
Closed |
Open |
5 |
Open |
Open |
Open |
Closed |
DMA CHANNEL SELECTION | ||||||
Channel |
SW3/A |
SW3/B |
SW3/C |
SW3/D |
SW3/E |
SW3/F |
1 |
Closed |
Closed |
Open |
Open |
Open |
Open |
2 |
Open |
Open |
Closed |
Closed |
Open |
Open |
3 |
Open |
Open |
Open |
Open |
Closed |
Closed |