TOPTEK MULTIMEDIA, INC.
GOLDEN SOUND CD-ROM 3-IN-1 (VER. 3.01)
Card Type |
Sound card/CD-ROM |
Chipset Controller |
TMC |
I/O Options |
Sound in, sound out, CD-ROM interfaces (3), CD-ROM audio (3) |
Maximum DRAM |
N/A |
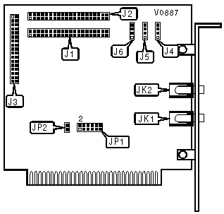
CONNECTIONS | |||
Purpose |
Location |
Purpose |
Location |
Panasonic CDROM interface |
J1 |
CD audio in |
J5 |
Mitsumi CDROM interface |
J2 |
CD audio in |
J6 |
Sony CDROM interface |
J3 |
Line out |
JK1 |
CD audio in |
J4 |
Line in |
JK2 |
MITSUMI CD-ROM INTERFACE INTERRUPT SELECTION | |||
IRQ |
JP1 (pins 7 & 8) |
JP1 (pins 9 & 10) |
JP1 (pins 11 & 12) |
3 |
Closed |
Open |
Open |
4 |
Open |
Closed |
Open |
5 |
Open |
Open |
Closed |
CD-ROM INTERFACE ADDRESS SELECTION | |||
Sony address |
Mitsumi address |
Panasonic address |
JP2 |
320h |
300h |
310h |
Closed |
360h |
340h |
350h |
Open |
DMA SELECTION | |
DMA |
JP1 |
1 |
Pins 1 & 3, 2 & 4 closed |
3 |
Pins 3 & 5, 4 & 6 closed |
CD-ROM AUDIO INTERFACE PIN-OUT TABLE | |
Connector |
Diagram |
J4 |
|
J5 |
|
J6 |
|