PROCOM TECHNOLOGY
PICDL HOST ADAPTER
Card Type |
CD-ROM interface card |
Chip Set |
Unidentified |
Maximum Onboard Memory |
Unidentified |
I/O Options |
CD-ROM interface, DC power connector, audio in |
Hard Drives supported |
None |
Floppy drives supported |
None |
Data Bus |
8-bit ISA |
Card Size |
Half-length |
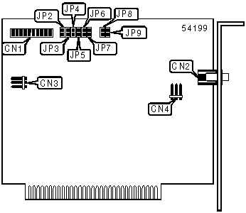
CONNECTIONS | |||
Function |
Label |
Function |
Label |
16-pin internal drive connector |
CN1 |
DC power connector |
CN3 |
Audio in |
CN2 |
Internal audio connector |
CN4 |
BASE I/O ADDRESS SELECTION | |||
Setting |
JP8 |
JP9 | |
300h |
Closed |
Closed | |
310h |
Open |
Closed | |
330h |
Closed |
Open | |
» |
340h |
Open |
Open |
IRQ INTERRUPT SELECTION | |||||||
IRQ |
JP2 |
JP3 |
JP4 |
JP5 |
JP6 |
JP7 | |
IRQ2 |
Closed |
Open |
Open |
Open |
Open |
Open | |
IRQ3 |
Open |
Closed |
Open |
Open |
Open |
Open | |
IRQ4 |
Open |
Open |
Closed |
Open |
Open |
Open | |
IRQ5 |
Open |
Open |
Open |
Closed |
Open |
Open | |
IRQ6 |
Open |
Open |
Open |
Open |
Closed |
Open | |
» |
IRQ7 |
Open |
Open |
Open |
Open |
Open |
Closed |
MISCELLANEOUS TECHNICAL NOTES |
For use with the PROCOM TECHNOLOGY, PICDL CD-ROM drive |