PINE TECHNOLOGY
PT-601/602
Card Type |
Multi I/O |
Chipset/Controller |
Unidentified |
I/O Options |
Game port, parallel port, serial ports (2) |
Maximum DRAM |
N/A |
CONNECTIONS | |||
Purpose |
Location |
Purpose |
Location |
Serial port 1 |
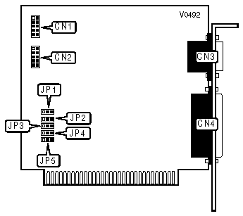
CN1 |
Game port |
CN3 |
Serial port 2 |
CN2 |
Parallel port |
CN4 |
GAME PORT CONFIGURATION | ||
Setting |
JP1 | |
» |
Enabled |
Pins 2 & 3 closed |
Disabled |
Pins 1 & 2 closed |
SERIAL PORT CONFIGURATION | ||||
Port 1 (CN1) |
Port 2 (CN2) |
JP2 |
JP3 | |
» |
COM1 |
COM2 |
Pins 2 & 3 closed |
Pins 2 & 3 closed |
COM1 |
COM4 |
Pins 2 & 3 closed |
Pins 1 & 2 closed | |
COM3 |
COM2 |
Pins 1 & 2 closed |
Pins 2 & 3 closed | |
COM3 |
COM4 |
Pins 1 & 2 closed |
Pins 1 & 2 closed | |
Disabled |
COM2 |
Open |
Pins 2 & 3 closed | |
Disabled |
COM4 |
Open |
Pins 1 & 2 closed | |
COM1 |
Disabled |
Pins 2 & 3 closed |
Open | |
COM3 |
Disabled |
Pins 1 & 2 closed |
Open | |
Disabled |
Disabled |
Open |
Open |
PARALLEL PORT INTERRUPT SELECT | ||
IRQ |
JP4 | |
» |
IRQ7 |
Pins 2 & 3 closed |
IRQ5 |
Pins 1 & 2 closed | |
Disabled |
Open |
PARALLEL PORT CONFIGURATION | ||
LPT |
JP5 | |
» |
1 |
Pins 2 & 3 closed |
2 |
Pins 1 & 2 closed | |
Disabled |
Open |