QUATECH, INC.
BCA-100
Card Type |
Serial/Parallel interface |
Chipset/Controller |
Zilog |
I/O Options |
Serial/Parallel port |
Maximum DRAM |
N/A |
CONNECTIONS | |||
Purpose |
Location |
Purpose |
Location |
DB-25 serial/parallel port |
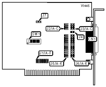
CN1 |
Standy clock output |
J4 |
BASE MEMORY ADDRESS SELECT | ||||||
Address |
SW1/1 |
SW1/2 |
SW1/3 |
SW1/4 |
SW1/5 |
SW1/6 |
27Xh |
Off |
On |
On |
Off |
Off |
Off |
2EXh |
Off |
On |
Off |
Off |
Off |
On |
2FXh |
Off |
On |
Off |
Off |
Off |
Off |
37Xh |
Off |
Off |
On |
Off |
Off |
Off |
3EXh |
Off |
Off |
Off |
Off |
Off |
On |
3FXh |
Off |
Off |
Off |
Off |
Off |
Off |
CLOCK SPEED SELECT | |
Divide by |
J7 |
1 |
Pins 1 & 2 closed |
2 |
Pins 2 & 3 closed |
DTE/DCE CONFIGURATION | ||
Jumper |
J5 (DTE) |
J6 (DCE) |
A |
On |
Off |
B |
On |
Off |
C |
On |
Off |
D |
On |
Off |
E |
On |
Off |
F |
Off |
Off |
G |
On |
On |
H |
On |
Off |
I |
Off |
Off |
J |
On |
Off |
K |
Off |
Off |
INTERRUPT SELECT | ||||||
IRQ |
J1/A |
J1/B |
J1/C |
J1/D |
J1/E |
J1/F |
IRQ2 |
Closed |
Open |
Open |
Open |
Open |
Open |
IRQ3 |
Open |
Closed |
Open |
Open |
Open |
Open |
IRQ4 |
Open |
Open |
Closed |
Open |
Open |
Open |
IRQ5 |
Open |
Open |
Open |
Closed |
Open |
Open |
IRQ6 |
Open |
Open |
Open |
Open |
Closed |
Open |
IRQ7 |
Open |
Open |
Open |
Open |
Open |
Closed |
RECEIVE CLOCK SOURCE | |||
Source |
J3/A |
J3/B |
J3/C |
TXCA clock |
On |
Off |
Off |
RXCi external clock |
Off |
On |
Off |
CLKA |
Off |
Off |
On |
TRANSMIT CLOCK SOURCE | |||
Source |
J2/A |
J2/B |
J2/C |
RXCA clock |
On |
Off |
Off |
TXCi external clock |
Off |
On |
Off |
CLKB |
Off |
Off |
On |