MAGNITRONICS
B232 MINI 2S1P
Card Type |
Multi-I/O card |
Chip Set |
Unidentified |
Maximum Onboard Memory |
Unidentified |
I/O Options |
Serial ports (2 RS-232), Parallel port |
Hard Drives supported |
None |
Floppy drives supported |
None |
Data Bus |
8-bit ISA |
Card Size |
Half-length |
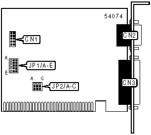
CONNECTIONS | |||
Function |
Label |
Function |
Label |
Serial port 1 |
CN1 |
25-pin parallel port |
CN3 |
Serial port 2 |
CN2 |
PARALLEL PORT ADDRESS SELECTION | |
Setting |
JP1/E |
LPT2 (378h) |
Pins 2 & 3 closed |
LPT3 (278h) |
Pins 1 & 2 closed |
Disabled |
Open |
SERIAL PORT 1 ADDRESS SELECTION | ||||
Setting |
JP1/A |
JP1/B |
JP!/C |
JP1/D |
COM1 (3F8h) |
Pins 1 & 2 closed |
Open |
Open |
Open |
COM2 (2F8h) |
Open |
Pins 1 & 2 closed |
Open |
Open |
COM3 (3E8h) |
Open |
Open |
Pins 1 & 2 closed |
Open |
COM4 (2E8h) |
Open |
Open |
Open |
Pins 1 & 2 closed |
Disabled |
Open |
Open |
Open |
Open |
SERIAL PORT 2 ADDRESS SELECTION | ||||
Setting |
JP1/A |
JP1/B |
JP!/C |
JP1/D |
COM1 (3F8h) |
Pins 2 & 3 closed |
Open |
Open |
Open |
COM2 (2F8h) |
Open |
Pins 2 & 3 closed |
Open |
Open |
COM3 (3E8h) |
Open |
Open |
Pins 2 & 3 closed |
Open |
COM4 (2E8h) |
Open |
Open |
Open |
Pins 2 & 3 closed |
Disabled |
Open |
Open |
Open |
Open |
SERIAL PORT 1 INTERRUPT SELECTION | |
IRQ |
JP2/A |
IRQ4 |
Pins 2 & 3 closed |
IRQ3 |
Pins 1 & 2 closed |
SERIAL PORT 2 INTERRUPT SELECTION | |
IRQ |
JP2/B |
IRQ3 |
Pins 1 & 2 closed |
IRQ4 |
Pins 2 & 3 closed |
PARALLEL PORT INTERRUPT SELECTION | |
IRQ |
JP2/C |
IRQ7 |
Pins 1 & 2 closed |
IRQ5 |
Pins 2 & 3 closed |