LAVA COMPUTER MANUFACTURING, INC.
LAVA BI-DIRECTIONAL PARALLEL PORT (VER. 3)
Card Type |
Parallel card |
Chip Set |
Unidentified |
Maximum Onboard Memory |
Unidentified |
I/O Options |
Parallel port |
Data Bus |
8-bit ISA |
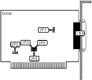
CONNECTIONS | |
Function |
Label |
Parallel port (DB-25) |
CN1 |
USER CONFIGURABLE SETTINGS | ||
Function |
Label |
Position |
Bi-directional mode enabled |
JP1 |
Pins 1 & 2 closed |
Output mode enabled |
JP1 |
Pins 2 & 3 closed |
PARALLEL PORT ADDRESS SELECTION | |||
Setting |
JP3 |
JP4 |
JP5 |
LPT1 (3BCh) |
Closed |
Open |
Open |
LPT2 (378h) |
Open |
Closed |
Open |
LPT3 (278h) |
Open |
Open |
Closed |
PARALLEL PORT INTERRUPT SELECTION | |
IRQ |
JP2 |
IRQ5 |
Pins 1 & 2 closed |
IRQ7 |
Pins 2 & 3 closed |